Operation CHARM: Car repair manuals for everyone.
Manuals through 2025 now available!

Our trusted friends have launched a new website named LEMON, which has newer manuals. It also contains all the CHARM manuals.

LEMON is the spiritual successor to CHARM, I recommend you try it!

Link: lemon-manuals.la or lemon-manuals.org.ua

(Some people have issue connecting. LEMON is investigating. For now, use Firefox or change your DNS server)

Or, hide this message: temporarily or permanently

Body Control Systems: Testing and Inspection

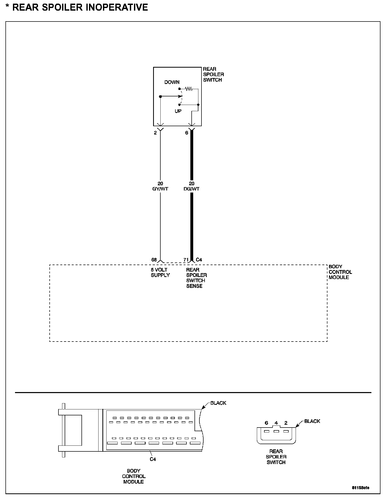
* REAR SPOILER INOPERATIVE


Rear Spoiler Inoperative:




POSSIBLE CAUSES
- Open rear spoiler switch sense circuit
- Open rear spoiler switch ground circuit
- Rear spoiler switch
- Body control module

DIAGNOSTIC TEST

1. REAR SPOILER SWITCH

Turn the ignition off.
Disconnect the BCM C4 harness connector.

NOTE: Check connectors - Clean/repair as necessary.

Press and hold the Rear Spoiler Switch in the direction to raise the Rear Spoiler.
Measure the resistance between ground and the Rear Spoiler Switch Sense at the BCM C4 harness connector.

Q: Is the resistance below 5.0 ohms?

YES: Go to 4
NO: Go to 2

2. OPEN REAR SPOILER SWITCH SENSE CIRCUIT





With the ignition off.
Disconnect the Rear Spoiler Switch harness connector.

NOTE: Check connectors - Clean/repair as necessary.

Measure the resistance of the Rear Spoiler Switch Sense circuit from the BCM C4 harness connector to the Rear Spoiler Switch harness connector.

Q: Is the resistance below 5.0 ohms?

YES: Go to 3
NO: Repair the Rear Spoiler Switch Sense circuit for an open.
Perform REAR SPOILER VERIFICATION TEST. Rear Spoiler Verification Test

3. REAR SPOILER SWITCH SENSE CIRCUIT GROUND CIRCUIT

With the ignition off.
Measure the resistance between ground and the Rear Spoiler Switch Ground circuit at the Rear Spoiler Switch harness connector.

Q: Is the resistance below 5.0 ohms?

YES: Replace the Rear Spoiler Switch.
Perform REAR SPOILER VERIFICATION TEST. Rear Spoiler Verification Test
NO: Repair the Rear Spoiler Switch Ground circuit for an open.

4. REAR SPOILER SWITCH

With the ignition off.
Press and hold the Rear Spoiler Switch in the direction to lower the Rear Spoiler.
Measure the resistance between ground and the Rear Spoiler Switch Sense at the BCM C4 harness connector.

Q: Is the resistance between 190.0 - 210.0 ohms?

YES: Replace the Body Control Module.
Perform REAR SPOILER VERIFICATION TEST. Rear Spoiler Verification Test
NO: Replace the Rear Spoiler Switch.
Perform REAR SPOILER VERIFICATION TEST. Rear Spoiler Verification Test