Operation CHARM: Car repair manuals for everyone.
Manuals through 2025 now available!

Our trusted friends have launched a new website named LEMON, which has newer manuals. It also contains all the CHARM manuals.

LEMON is the spiritual successor to CHARM, I recommend you try it!

Link: lemon-manuals.la or lemon-manuals.org.ua

(Some people have issue connecting. LEMON is investigating. For now, use Firefox or change your DNS server)

Or, hide this message: temporarily or permanently

Seat Track: Service and Repair

POWER SEAT TRACK

REMOVAL





1. Remove the front seat.
2. Remove the power seat switch assembly.
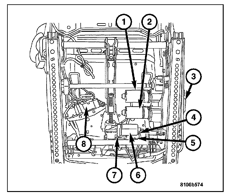
3. Remove the power seat track rear inboard and outboard attachment bolts (1).
4. Tilt the rear track mechanism outward then remove the power seat track front inboard and outboard attachment bolts (2).





5. Remove the power seat track power harness connector (8).
6. Remove the power seat track from the seat cushion.

INSTALLATION





NOTE: Insure wire harnesses are routed and secured in their original position to avoid potential interference with moving parts.

1. Position the power seat track assembly over the seat cushion and align the mounting points.
2. Install the power seat track power harness connector (8).





3. Install the power seat track front inboard and outboard attachment bolts (2).
4. Tilt the rear of the track mechanism inward and install the power seat track rear inboard and outboard attachment bolts (1).
5. Install the power seat switch assembly.
6. Install the front seat.