Operation CHARM: Car repair manuals for everyone.
Manuals through 2025 now available!

Our trusted friends have launched a new website named LEMON, which has newer manuals. It also contains all the CHARM manuals.

LEMON is the spiritual successor to CHARM, I recommend you try it!

Link: lemon-manuals.la or lemon-manuals.org.ua

(Some people have issue connecting. LEMON is investigating. For now, use Firefox or change your DNS server)

Or, hide this message: temporarily or permanently

Automatic Transmission/Transaxle

SCHEMATICS AND DIAGRAMS

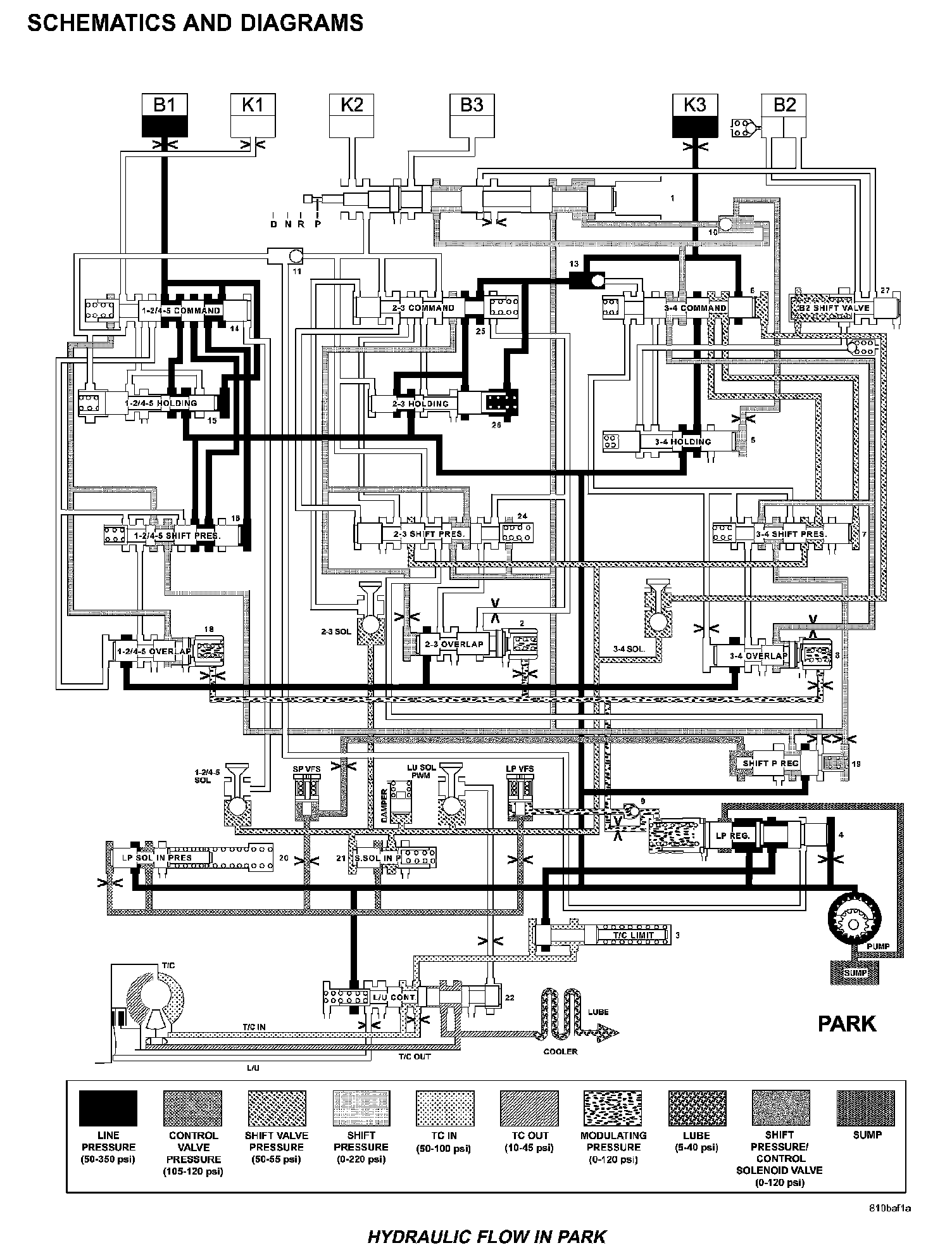
HYDRAULIC FLOW IN PARK:




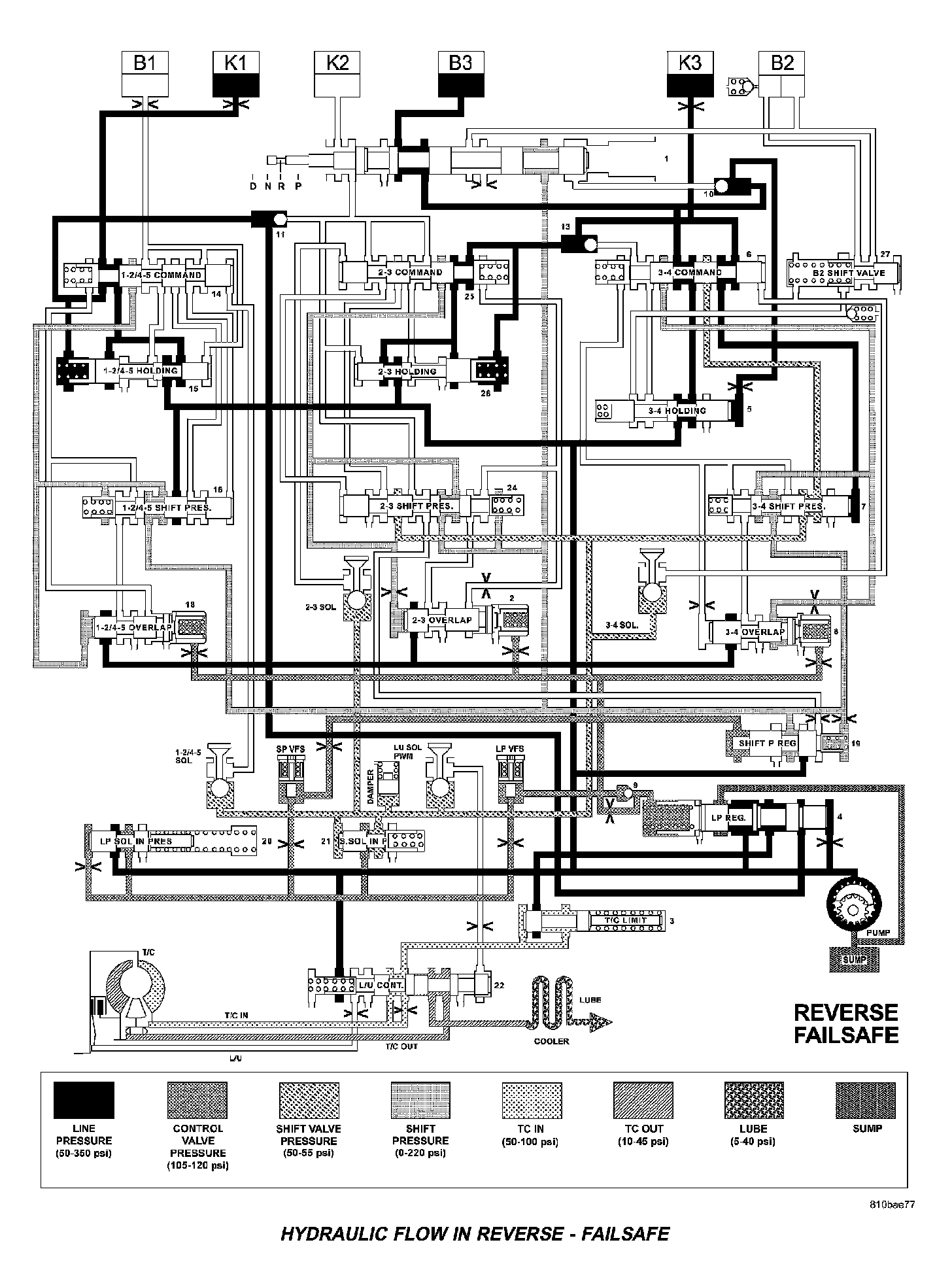
HYDRAULIC FLOW IN REVERSE - FAIL-SAFE:




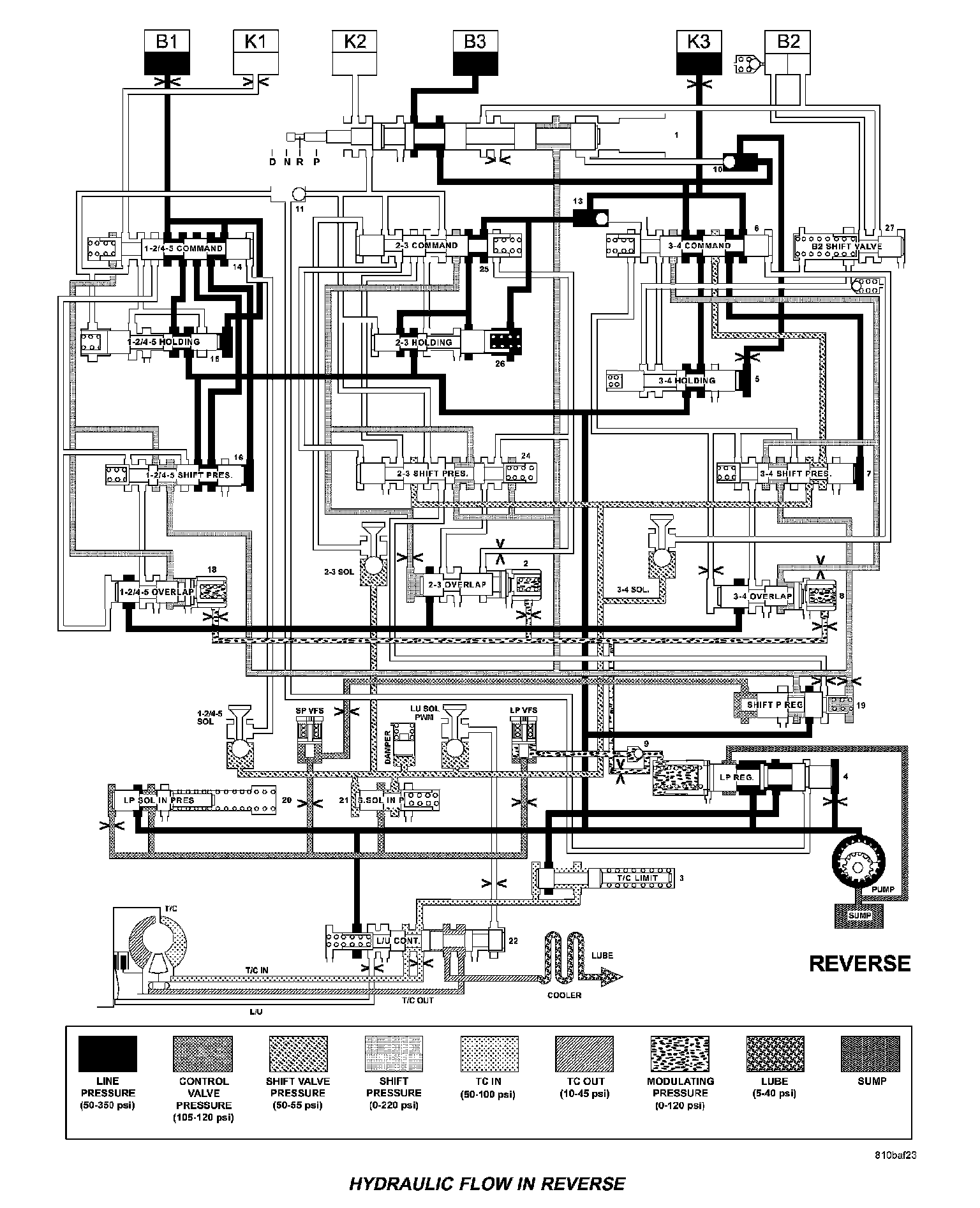
HYDRAULIC FLOW IN REVERSE:




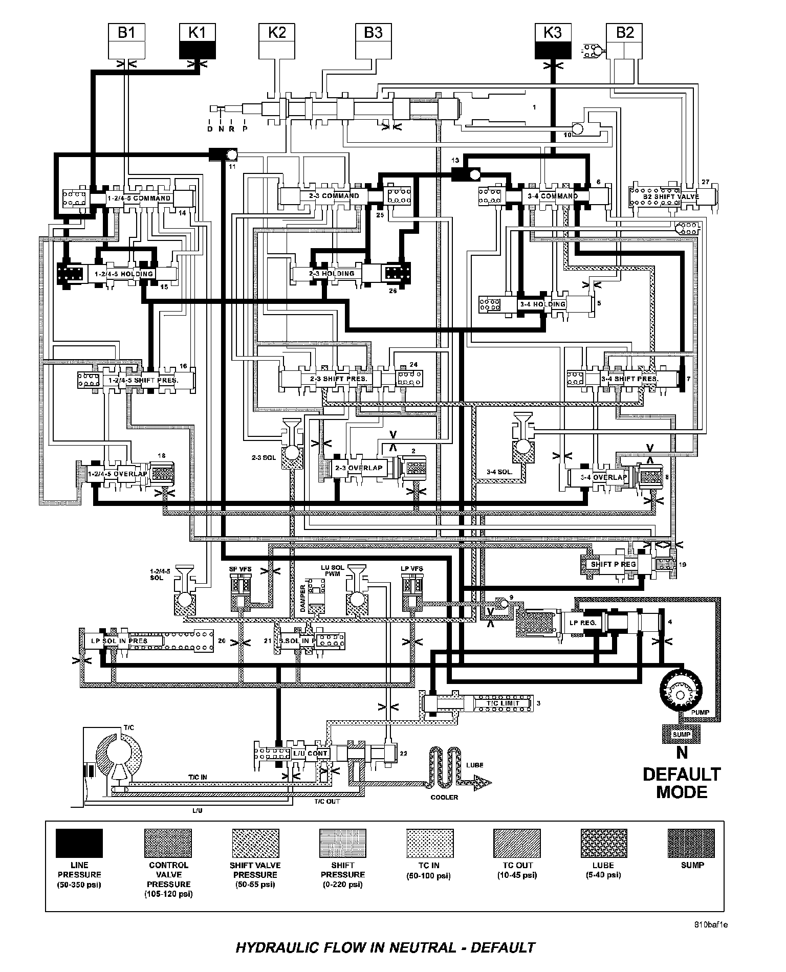
HYDRAULIC FLOW IN NEUTRAL - DEFAULT:




HYDRAULIC FLOW IN NEUTRAL:




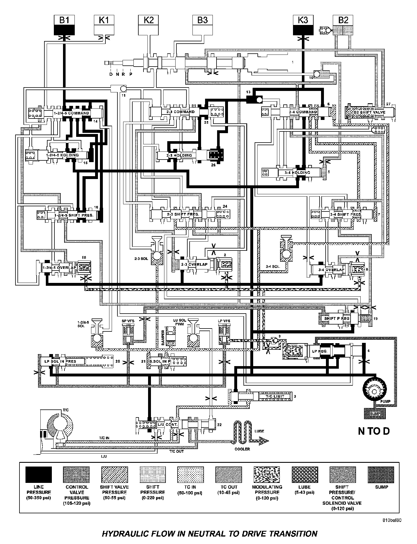
HYDRAULIC FLOW IN NEUTRAL TO DRIVE TRANSITION:




HYDRAULIC FLOW IN DRIVE - FAIL-SAFE:




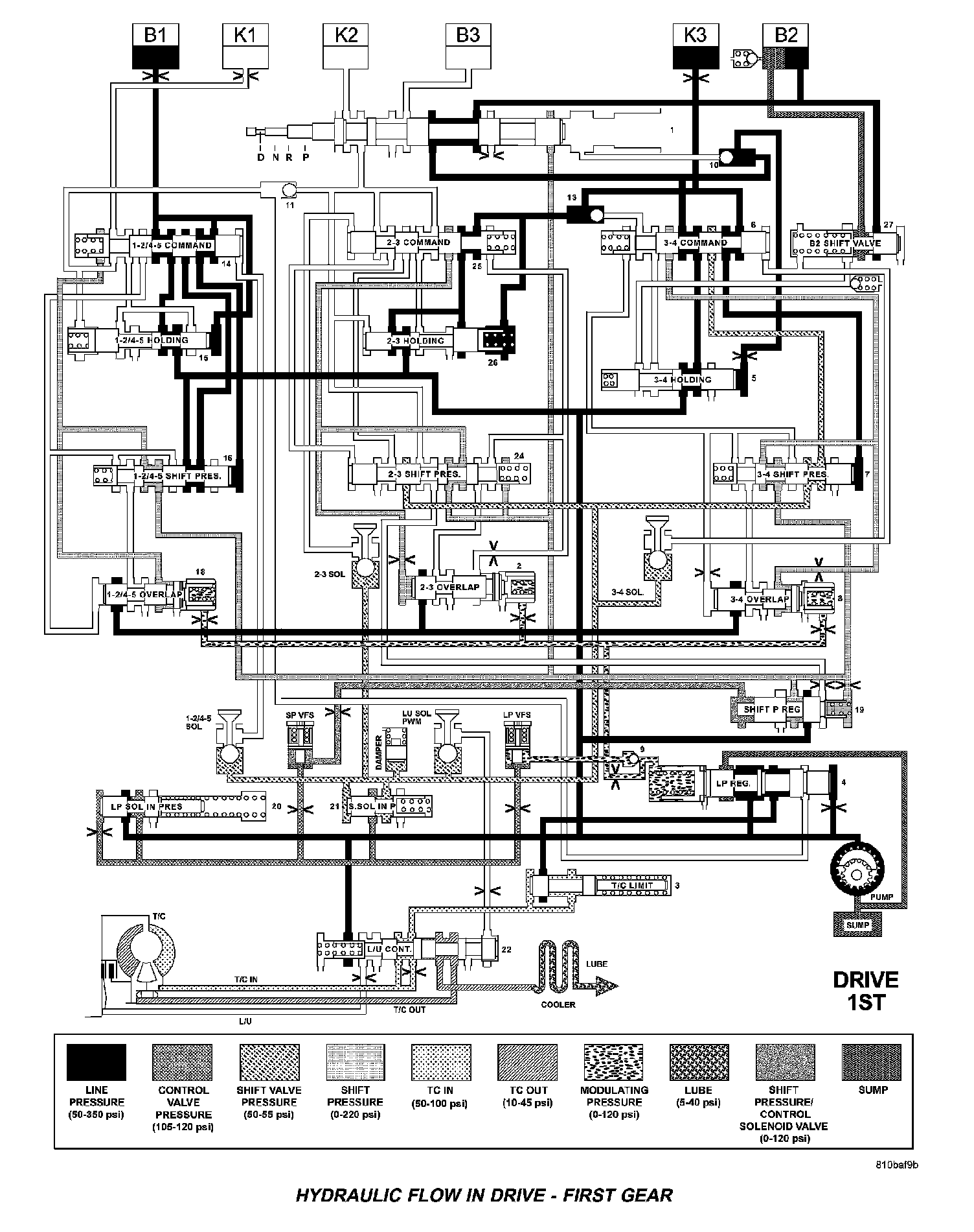
HYDRAULIC FLOW IN DRIVE - FIRST GEAR:




HYDRAULIC FLOW IN DRIVE - FIRST TO SECOND GEAR TRANSITION:




HYDRAULIC FLOW IN DRIVE - SECOND GEAR:




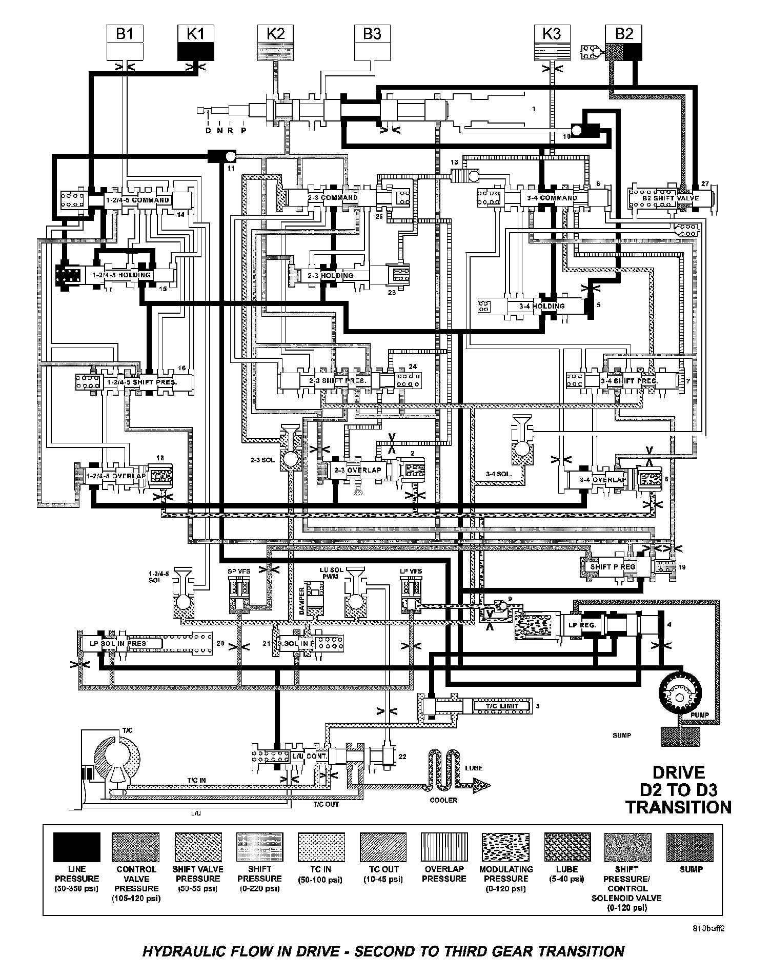
HYDRAULIC FLOW IN DRIVE - SECOND TO THIRD GEAR TRANSITION:




HYDRAULIC FLOW IN DRIVE - THIRD GEAR:




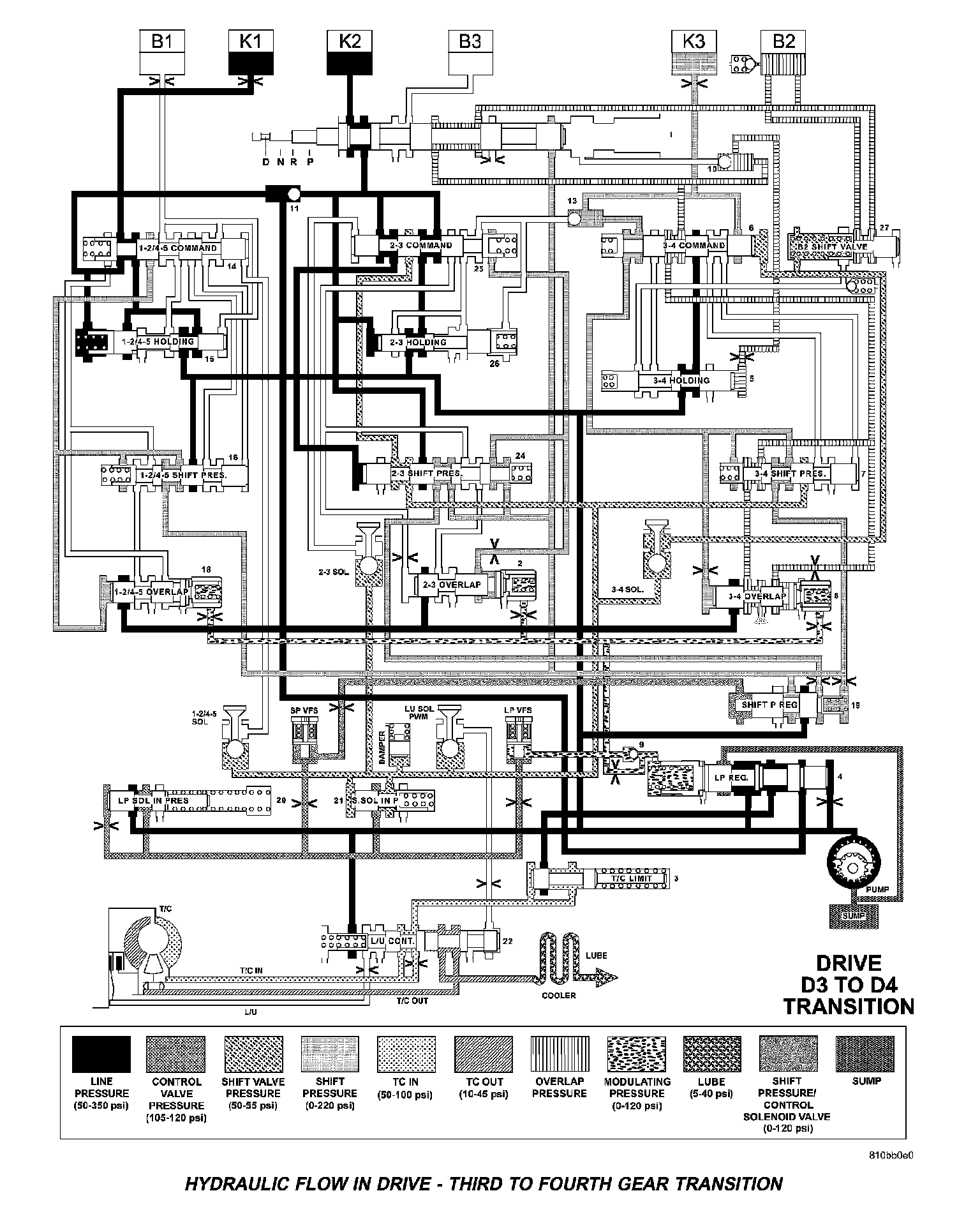
HYDRAULIC FLOW IN DRIVE - THIRD TO FOURTH GEAR TRANSITION:




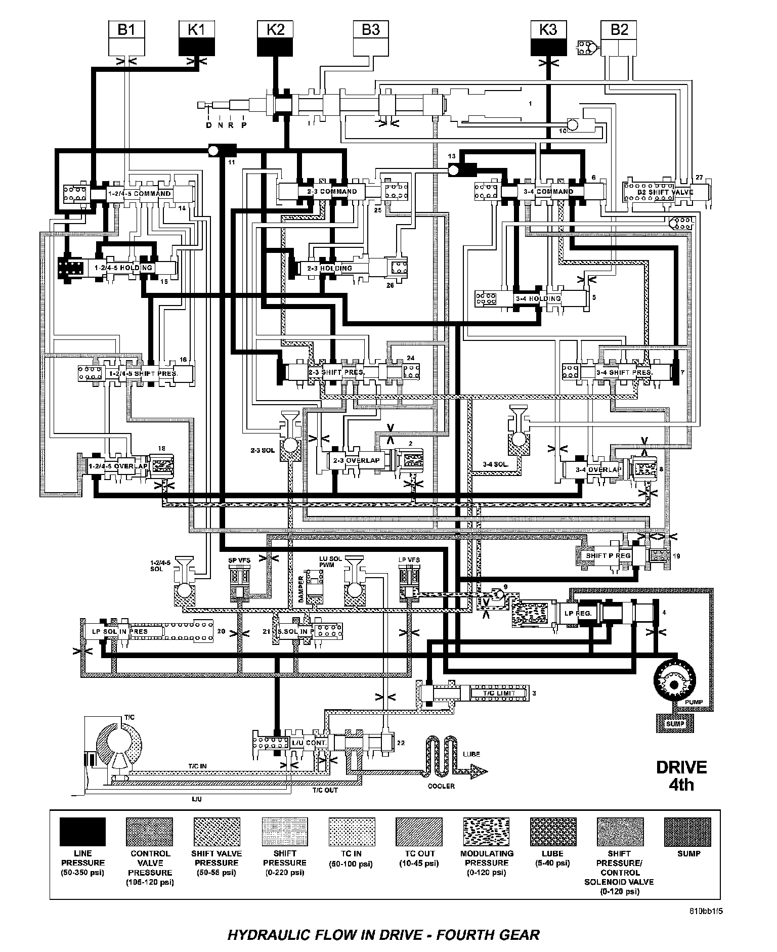
HYDRAULIC FLOW IN DRIVE - FOURTH GEAR:




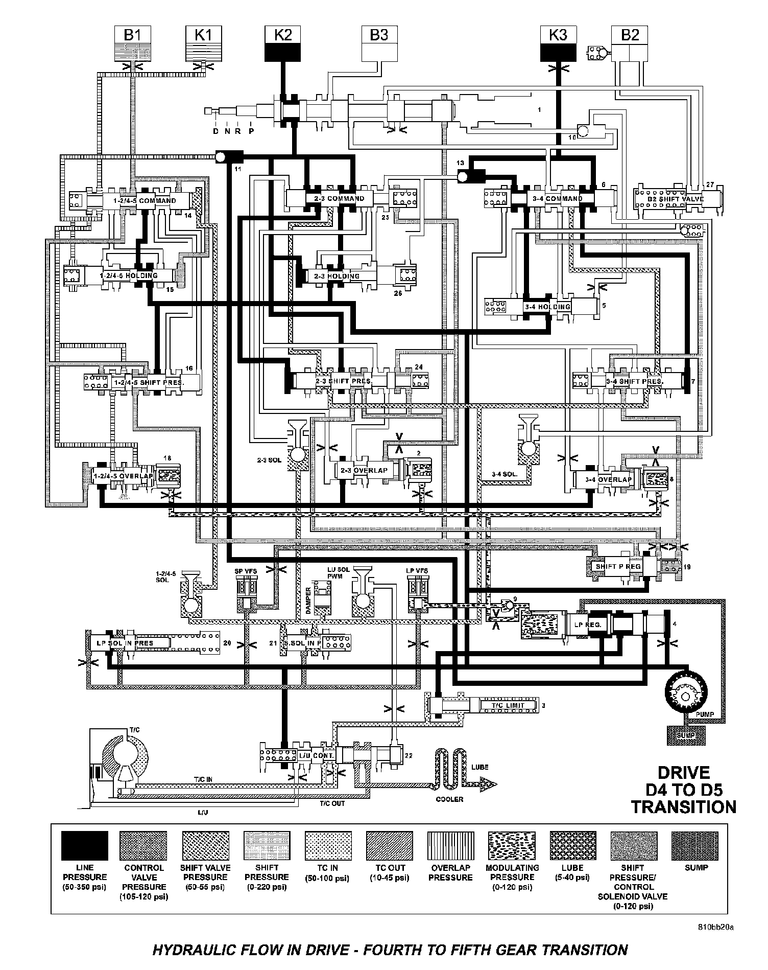
HYDRAULIC FLOW IN DRIVE - FOURTH TO FIFTH GEAR TRANSITION:




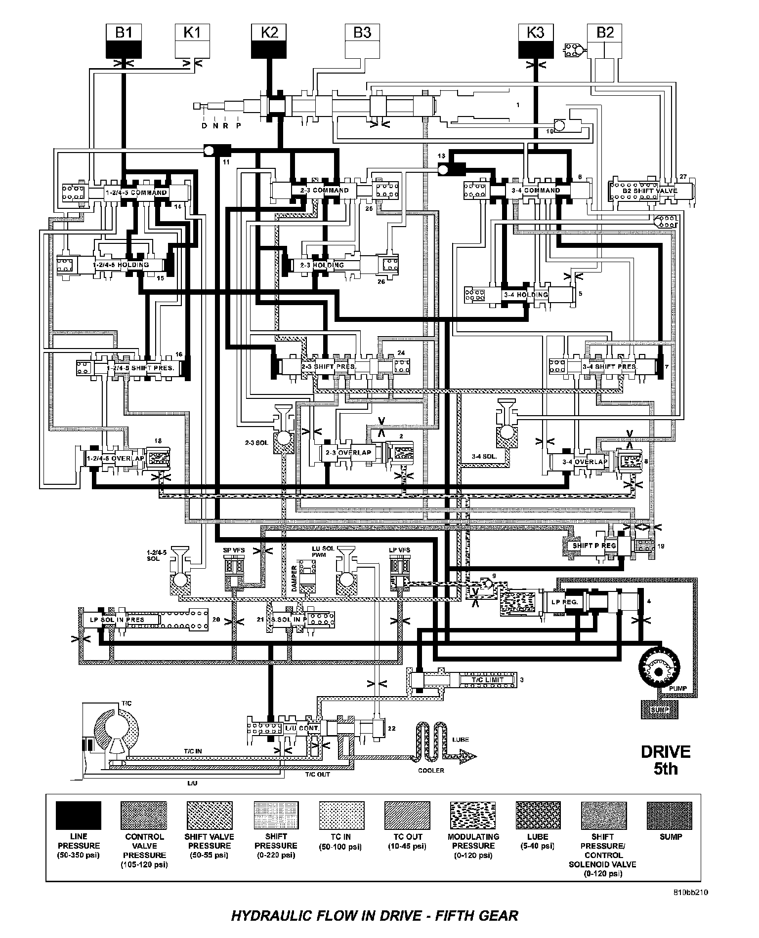
HYDRAULIC FLOW IN DRIVE - FIFTH GEAR:




HYDRAULIC FLOW IN DRIVE - FIFTH GEAR - EMCC:




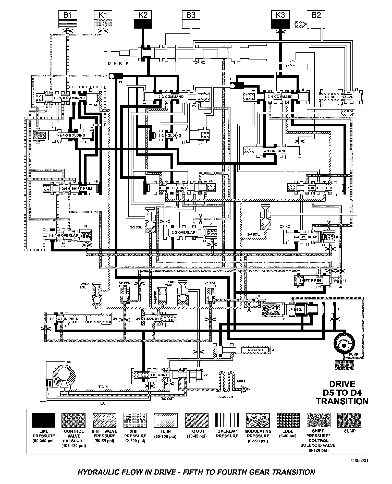
HYDRAULIC FLOW IN DRIVE - FIFTH TO FOURTH GEAR TRANSITION:




HYDRAULIC FLOW IN DRIVE - FOURTH TO THIRD GEAR TRANSITION:




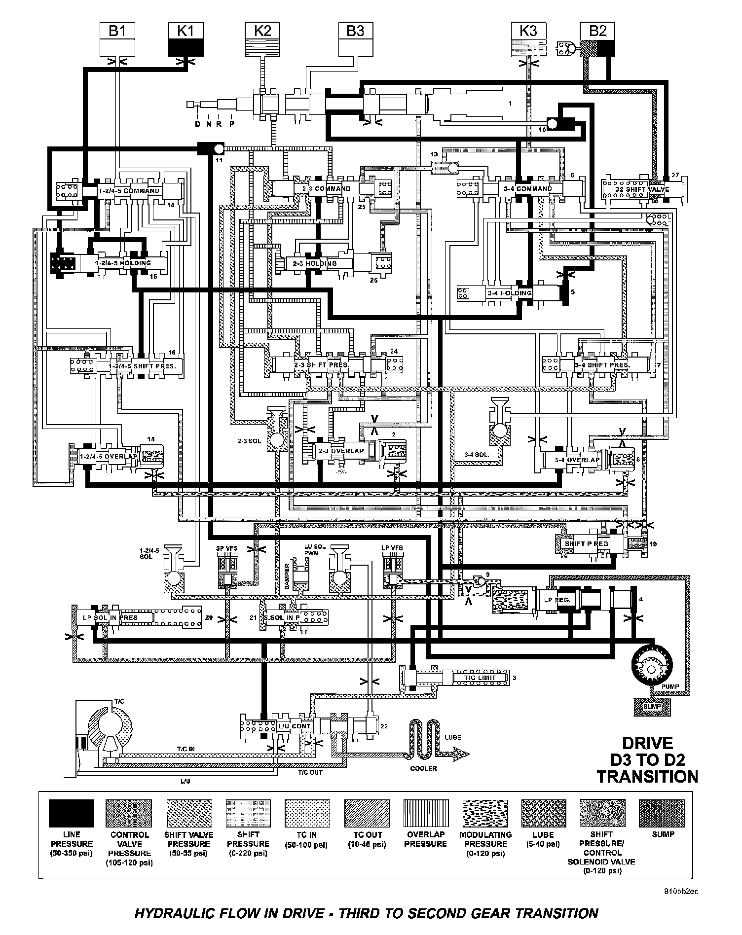
HYDRAULIC FLOW IN DRIVE - THIRD TO SECOND GEAR TRANSITION:




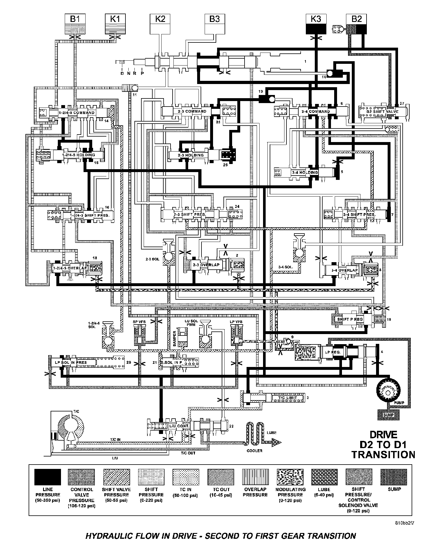
HYDRAULIC FLOW IN DRIVE - SECOND TO FIRST GEAR TRANSITION: