Operation CHARM: Car repair manuals for everyone.
Manuals through 2025 now available!

Our trusted friends have launched a new website named LEMON, which has newer manuals. It also contains all the CHARM manuals.

LEMON is the spiritual successor to CHARM, I recommend you try it!

Link: lemon-manuals.la or lemon-manuals.org.ua

(Some people have issue connecting. LEMON is investigating. For now, use Firefox or change your DNS server)

Or, hide this message: temporarily or permanently

Compressor HVAC: Description and Operation

A/C COMPRESSOR

DESCRIPTION - A/C COMPRESSOR

The Air Conditioning System uses a Nippondenso, double-acting swash plate-type compressor. This compressor has a fixed displacement of 170 cubic centimeters (10.374 cubic inches). A label identifying the use of R-134a refrigerant is located on the underhood fuse panel cover.

The A/C system uses 1.97 Lbs. (0.88 Kg.) of R-134a type refrigerant.

OPERATION - A/C COMPRESSOR





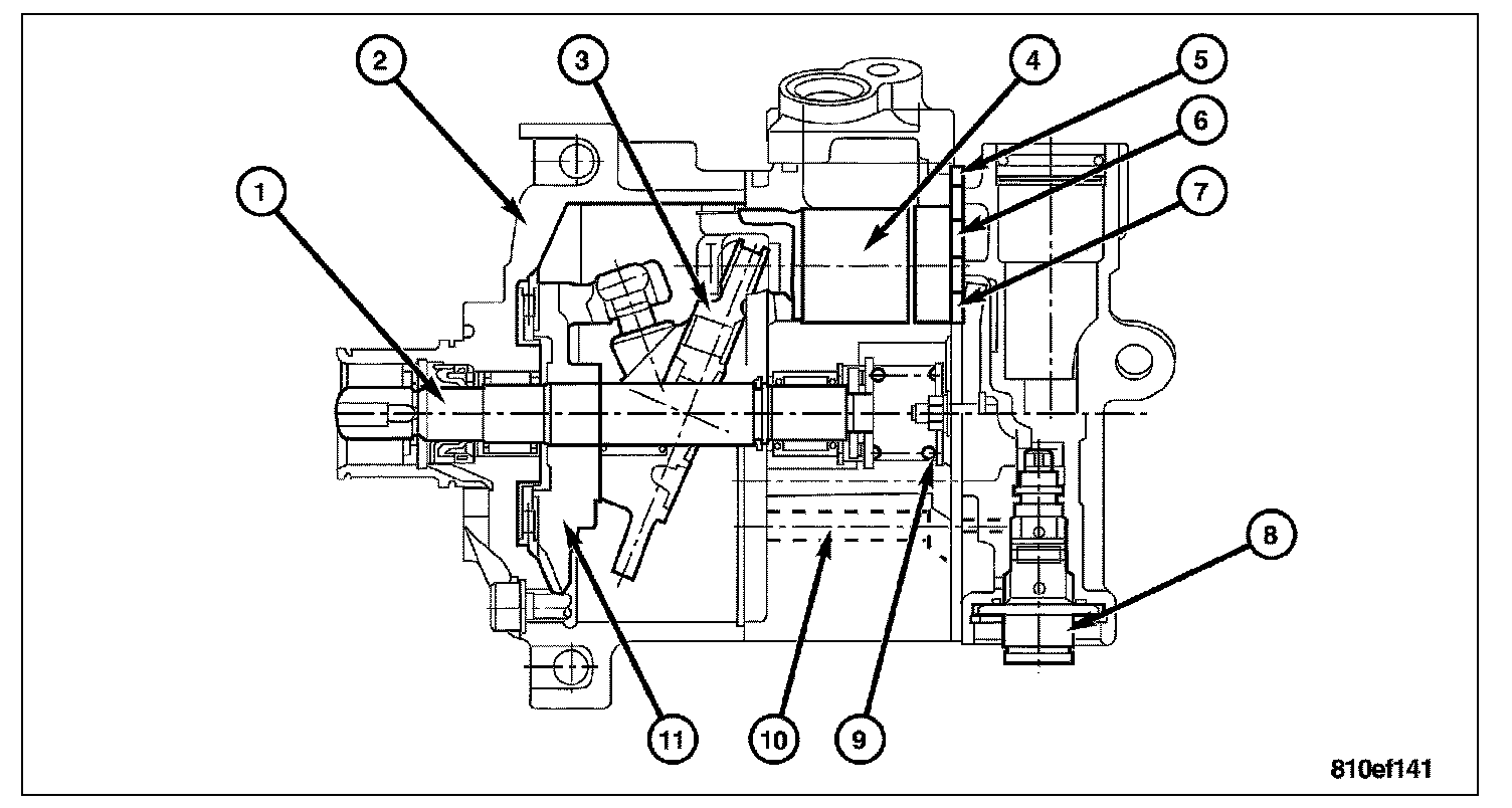
After the Electromagnetic Clutch has produced the frictional connection between the engine and the compressor, the drive shaft (1) drives the swash plate (3). The rotation of the inclined swash plate (3) causes the pistons (4) to move in strokes. During the intake stroke, refrigerant vapor is sucked in via the inlet valve (6). If the piston (4) moves in the counter direction, it delivers the refrigerant vapor via the pressure control valve (7), with the vapor being compressed and heating up, into the refrigerant line to the condenser.