Operation CHARM: Car repair manuals for everyone.
Manuals through 2025 now available!

Our trusted friends have launched a new website named LEMON, which has newer manuals. It also contains all the CHARM manuals.

LEMON is the spiritual successor to CHARM, I recommend you try it!

Link: lemon-manuals.la or lemon-manuals.org.ua

(Some people have issue connecting. LEMON is investigating. For now, use Firefox or change your DNS server)

Or, hide this message: temporarily or permanently

Expansion Valve: Service and Repair

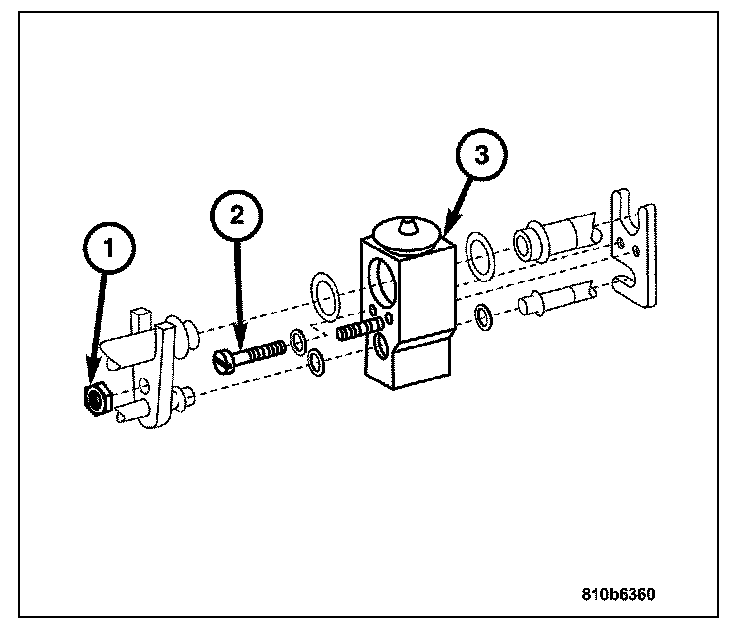
A/C EXPANSION VALVE

REMOVAL

WARNING: REVIEW THE WARNINGS AND CAUTIONS IN THE FRONT OF THIS SECTION BEFORE PERFORMING THE FOLLOWING OPERATION.





1. Evacuate the refrigerant from the system.
2. Remove the nut (1).
3. Pull the pressure lines off.
4. Remove the screws (2).
5. Remove the expansion valve (3) off of the pressure lines.

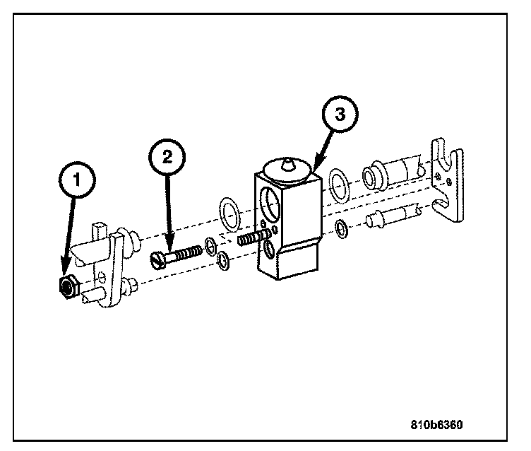
INSTALLATION





1. Install the expansion valve (3) to the pressure lines.

NOTE: Tighten the screws evenly to avoid canting.

2. Install the bolts (2). Tighten to 8 N.m (71 in. lb.).
3. Replace the O-rings. Install the pressure lines.
4. Install the nut (1). Tighten to 10 N.m (88 in. lb.).
5. Charge the air conditioning, check for any leakage.