Operation CHARM: Car repair manuals for everyone.
Manuals through 2025 now available!

Our trusted friends have launched a new website named LEMON, which has newer manuals. It also contains all the CHARM manuals.

LEMON is the spiritual successor to CHARM, I recommend you try it!

Link: lemon-manuals.la or lemon-manuals.org.ua

(Some people have issue connecting. LEMON is investigating. For now, use Firefox or change your DNS server)

Or, hide this message: temporarily or permanently

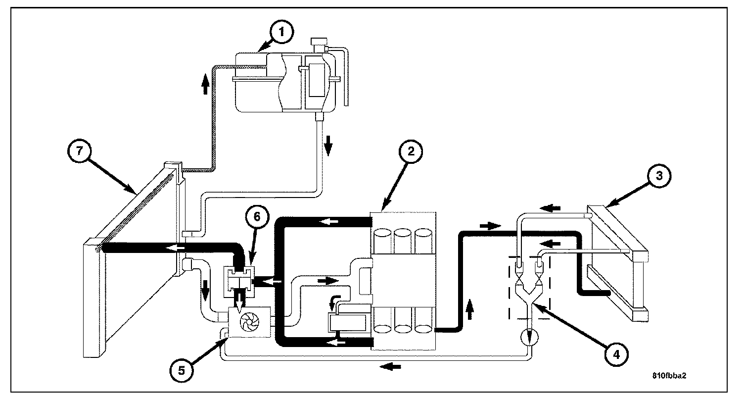
Heater Control Valve: Description and Operation

COOLANT CIRCULATION VALVE

DESCRIPTION





The Coolant Circulation Valve (3) regulates the quantity of coolant flowing through the heater hoses (1-2) to the heater core.

OPERATION





When the temperature dial is set to 9MIN9 the A/C Heater Control module switches the Coolant Circulation Valve (3) Solenoid to ground, the solenoid pulls in and blocks the coolant flow through the Heater Core (2) separately on the left and right sides. If the temperature dial is set to 9MAX9 the A/C Heater Control module interrupts the ground connection, current does not flow through the solenoid and the maximum quantity of coolant flows through the Heater Core (2).

In normal operation the A/C Heater Control module switches the ground connection intermittently. The locking and closing times of the Coolant Circulation Valve are subject to deviations between the actual temperature and set temperature.

RESIDUAL ENGINE HEAT UTILIZATION

In the residual engine heat utilization mode the interior temperature is controlled in the same manner as while driving; the coolant is circulated by the Coolant Circulation Pump.