Operation CHARM: Car repair manuals for everyone.
Manuals through 2025 now available!

Our trusted friends have launched a new website named LEMON, which has newer manuals. It also contains all the CHARM manuals.

LEMON is the spiritual successor to CHARM, I recommend you try it!

Link: lemon-manuals.la or lemon-manuals.org.ua

(Some people have issue connecting. LEMON is investigating. For now, use Firefox or change your DNS server)

Or, hide this message: temporarily or permanently

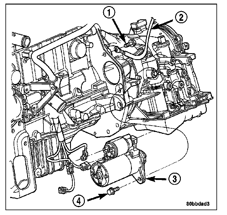
Starter Motor: Service and Repair

STARTER MOTOR

REMOVAL




1. Open hood.
2. Remove air cleaner box cover.
3. Disconnect and isolate the battery negative cable.
4. Raise vehicle on hoist.
5. Remove Engine Structural Collar.




6. Disconnect starter motor wiring.
7. Remove starter motor mounting bolts.
8. Remove starter motor from vehicle.

INSTALLATION




1. Reinstall starter motor into vehicle lower engine compartment.
2. Install starter motor mounting bolts and torque to 54 N.m (40 ft. lbs.).
3. Connect starter motor wiring. Torque solenoid battery cable nut to 10 N.m (90 in. lbs.).




4. Install Engine Structural Collar.

CAUTION: The torque procedure for the structural collar must be followed, as damage to the oil pan or collar could occur.

5. Lower vehicle from hoist.
6. Reconnect battery negative cable.
7. Reinstall air cleaner box cover.
8. Verify operation of vehicle and systems.
9. Close hood and remove from hoist.