Operation CHARM: Car repair manuals for everyone.
Manuals through 2025 now available!

Our trusted friends have launched a new website named LEMON, which has newer manuals. It also contains all the CHARM manuals.

LEMON is the spiritual successor to CHARM, I recommend you try it!

Link: lemon-manuals.la or lemon-manuals.org.ua

(Some people have issue connecting. LEMON is investigating. For now, use Firefox or change your DNS server)

Or, hide this message: temporarily or permanently

System Schematic

Adjustable Pedal System:



Occupant Restraint Controller:



Occupant Classisfication System:



Radio, Amplifier, Speakers:



CD/DVD Changer:



Remote Radio Controls:



Satellite Digital Audio Receiver (SDAR) System:



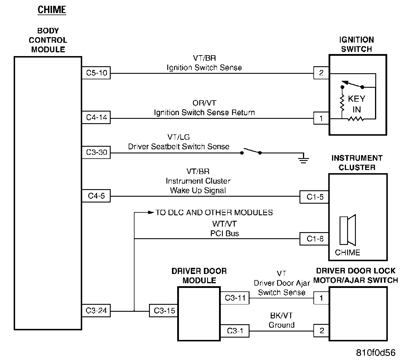
Chime:



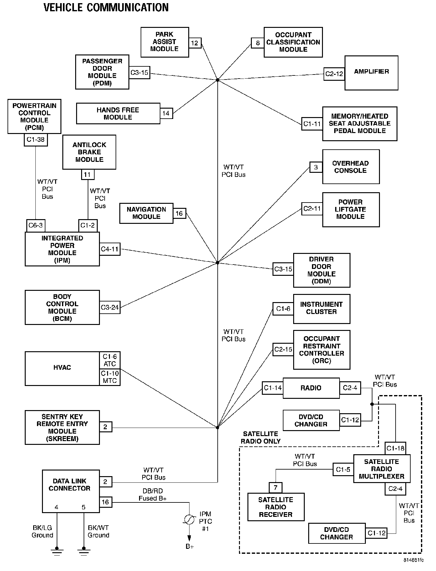
Vehicle Communication:



PCM Communication:



Door Ajar System:



Heated Seats - Front:



Rear Window Defogger:



Exterior Lights/Front Lighting:



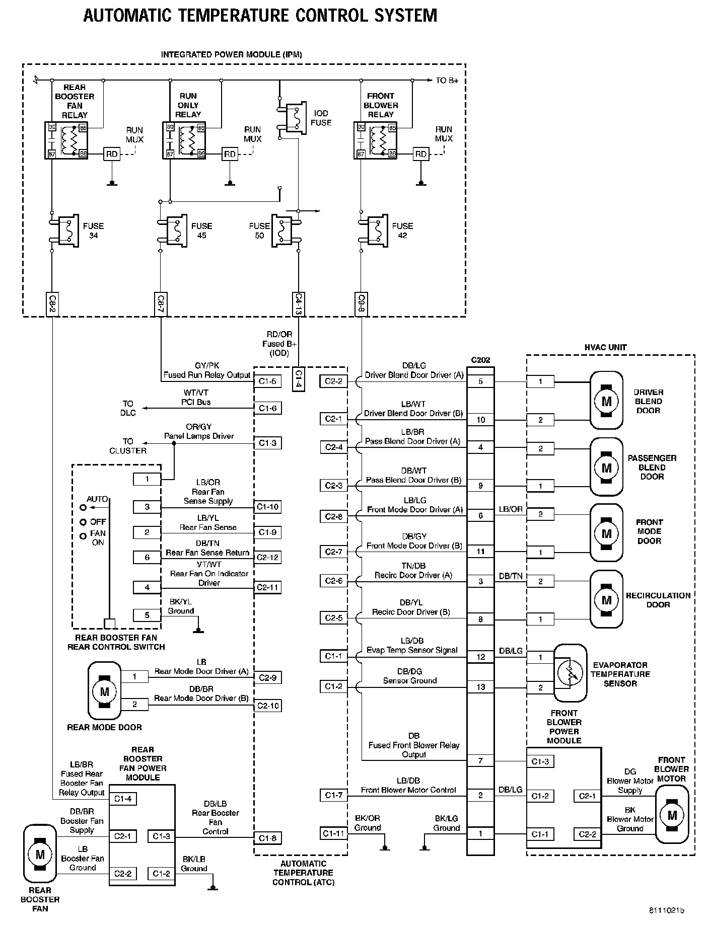
Automatic Temerature Control System:



Manual Temperature Control System:



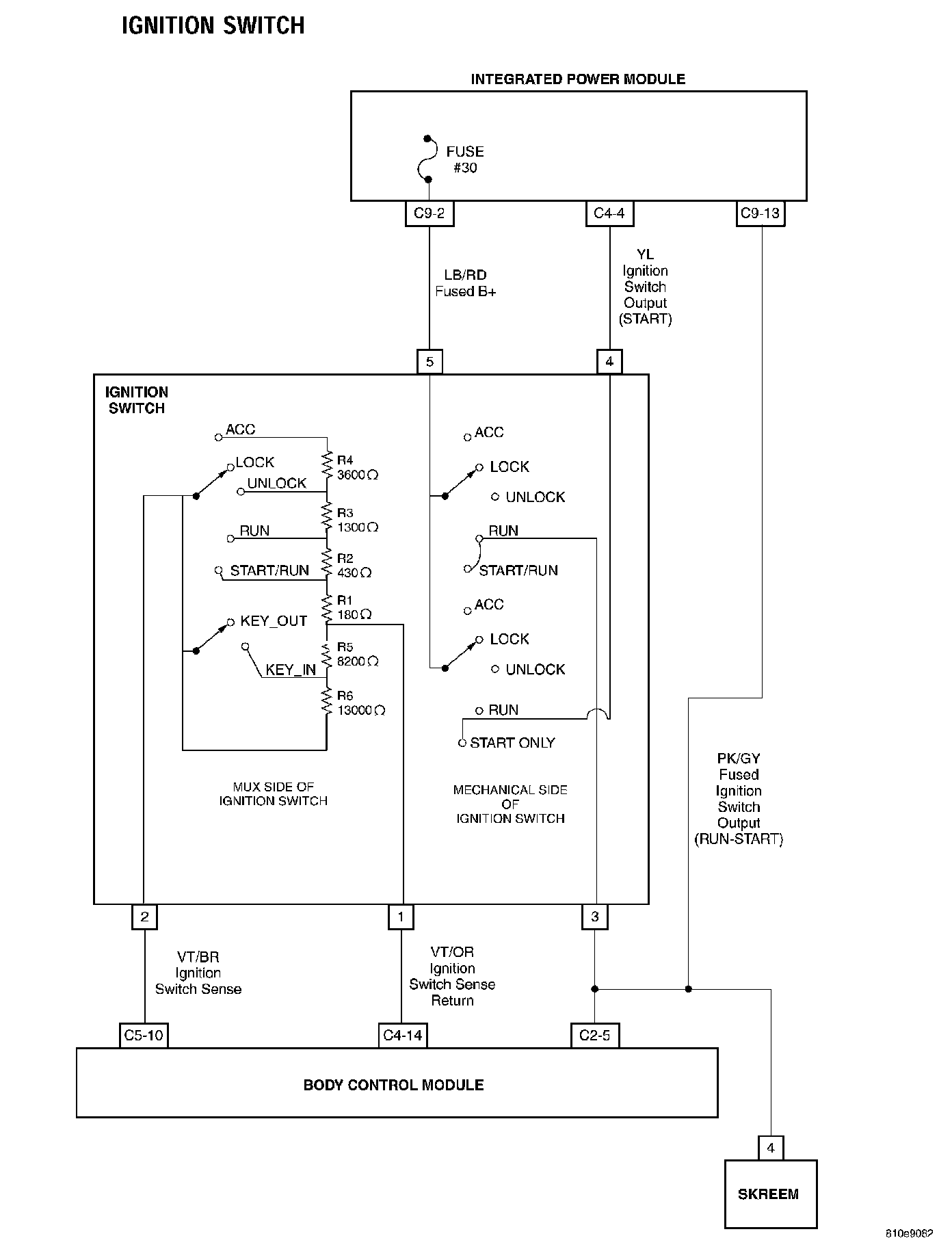
Ignition Switch:



Navigation, BCM, Switch Pod:



Fuel Level Sensors:



Interior Lighting:



Navigation System:



Overhead Console:



Park Assist System:



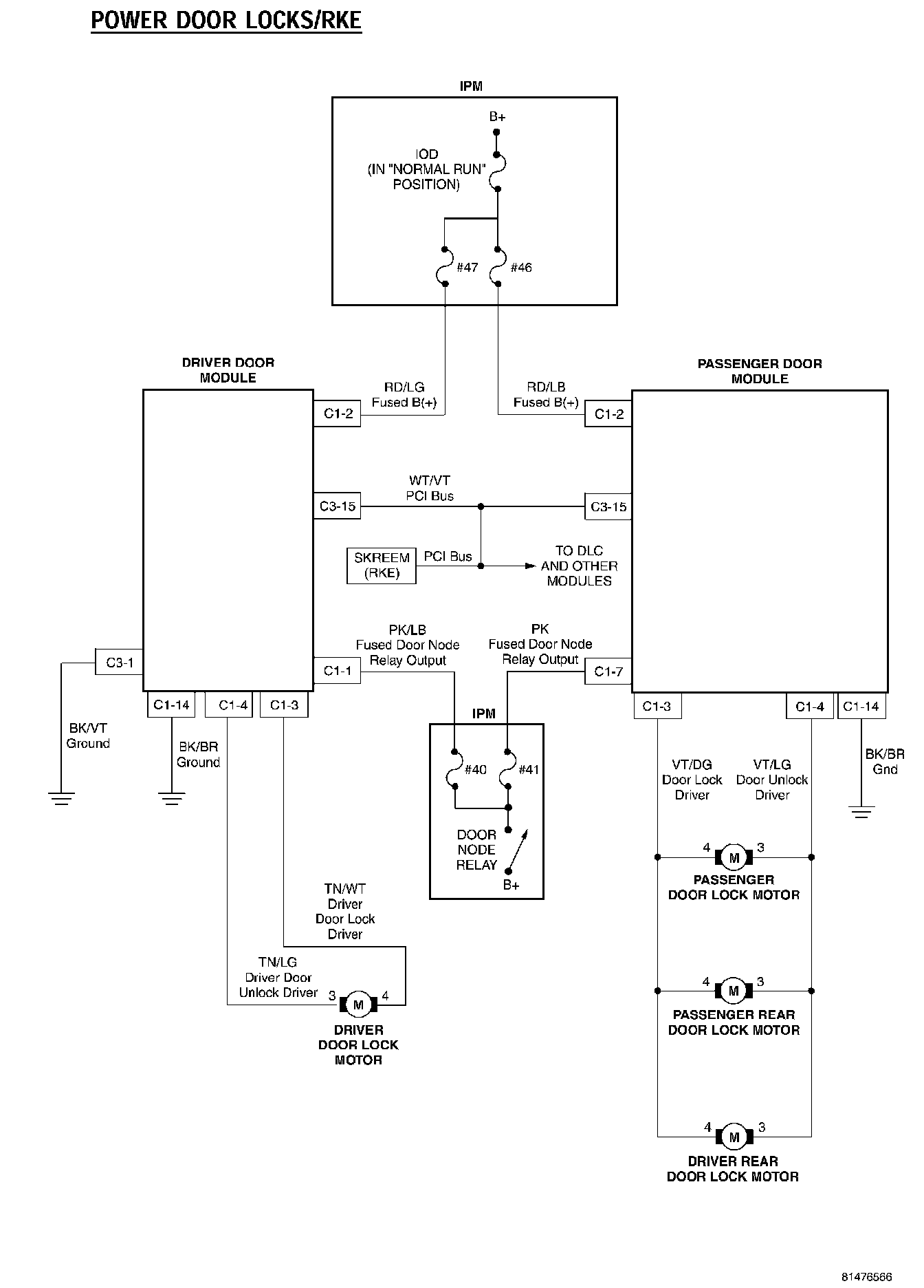
Power Door Locks/RKE:



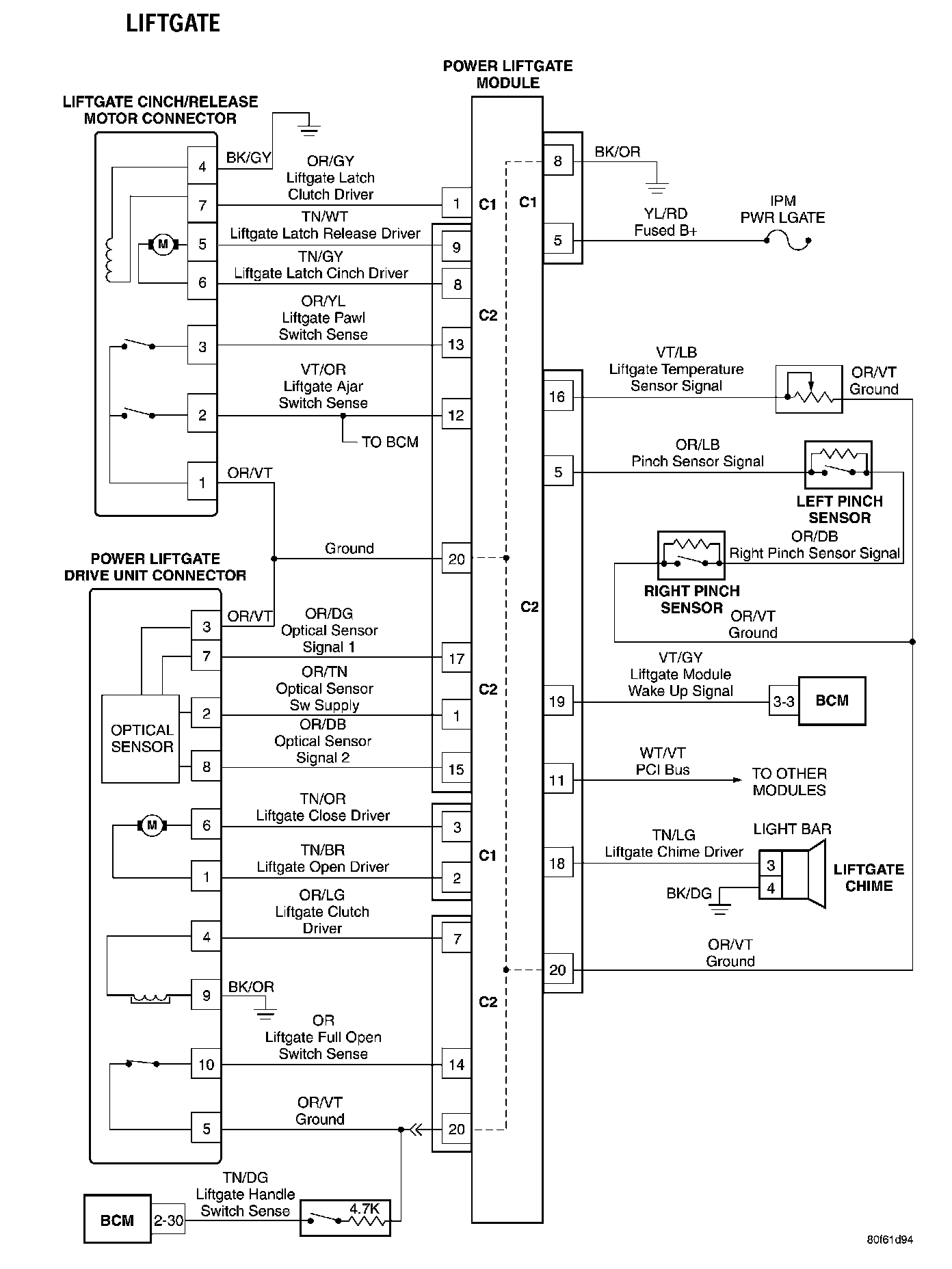
Liftgate:



Liftgate Release:



Driver Mirror:



Passenger Mirror:



Power Seat System:



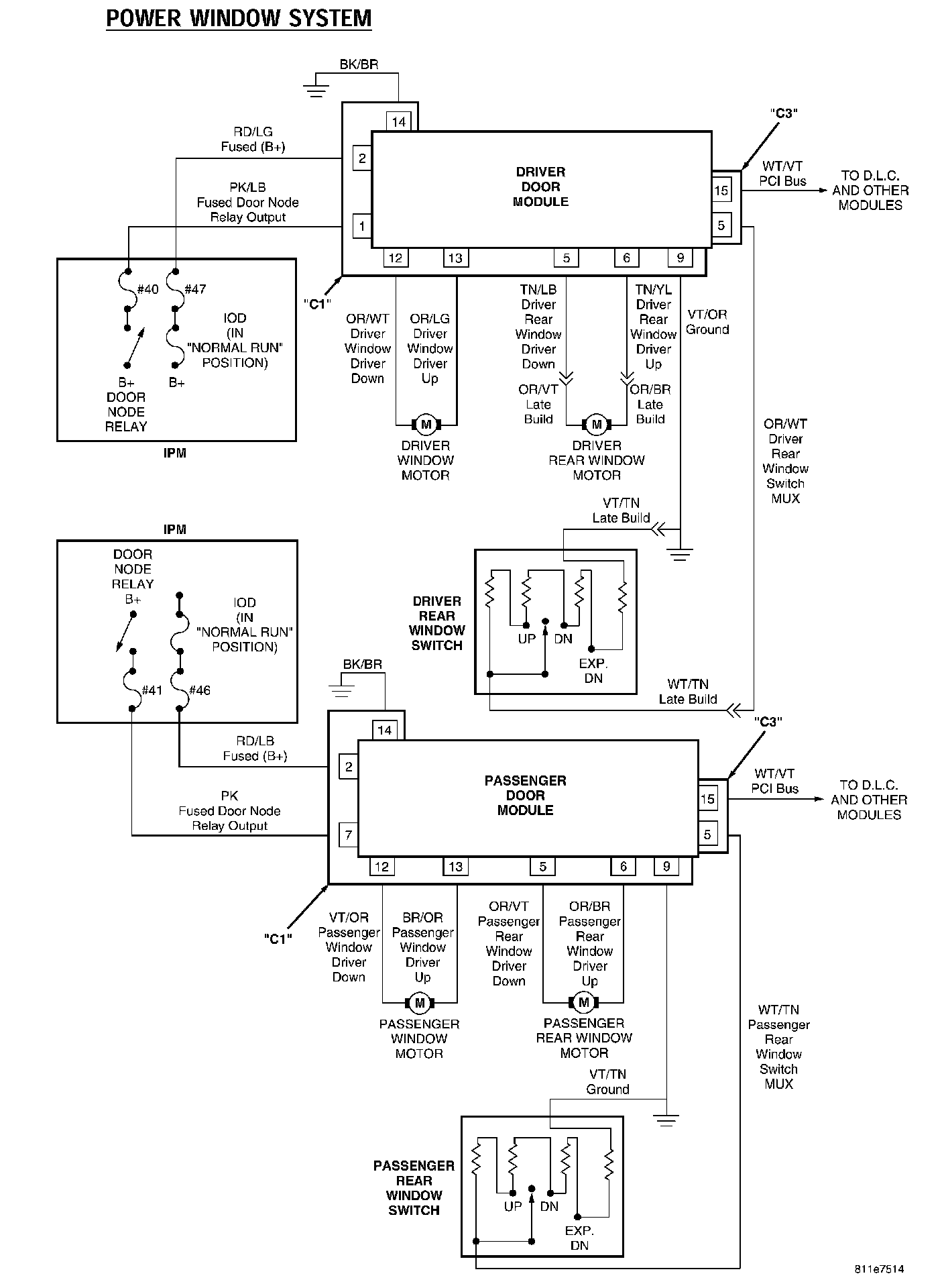
Power Window System:



Telecommunications - Hands Free System:



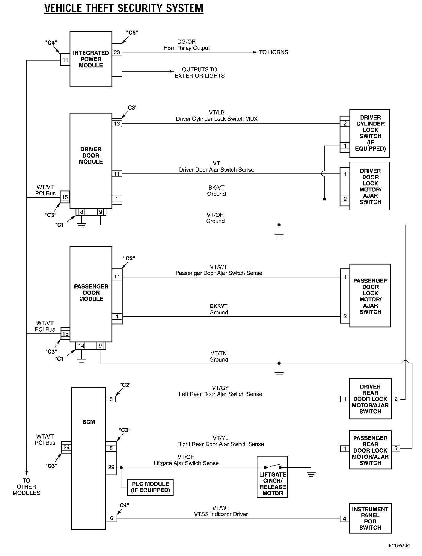
Vehicle Theft Security System:



Front Wiper/Washer:



Rear Wiper/Washer: