Operation CHARM: Car repair manuals for everyone.
Manuals through 2025 now available!

Our trusted friends have launched a new website named LEMON, which has newer manuals. It also contains all the CHARM manuals.

LEMON is the spiritual successor to CHARM, I recommend you try it!

Link: lemon-manuals.la or lemon-manuals.org.ua

(Some people have issue connecting. LEMON is investigating. For now, use Firefox or change your DNS server)

Or, hide this message: temporarily or permanently

Installation






INSTALLATION

CAUTION: Be certain to adjust the refrigerant oil level when servicing the A/C refrigerant system. Failure to properly adjust the refrigerant oil level will prevent the A/C system from operating as designed and can cause serious A/C compressor damage.

NOTE: When replacing multiple A/C system components, refer to the Refrigerant Oil Capacities chart to determine how much oil should be added to the refrigerant system.

NOTE: If only the A/C condenser is being replaced, add 30 milliliters (1 fluid ounce) of refrigerant oil to the refrigerant system. Use only refrigerant oil of the type recommended for the A/C compressor in the vehicle.

NOTE: Replacement of the refrigerant line O-ring seals and gaskets is required anytime a refrigerant line is opened. Failure to replace the rubber O-ring seals and metal gaskets could result in a refrigerant system leak.

NOTE: Be certain that each of the radiator and condenser air seals are installed in their proper locations. These air seals are required for the A/C and engine cooling systems to perform as designed.





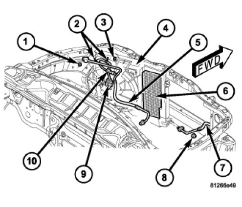
1. Position the A/C condenser (2) into the condenser fan shroud (3).

2. Install the two bolts (1) that secure the A/C condenser to the condenser fan shroud. Tighten the bolts to 5 Nm (45 in. lbs.).





3. Carefully push back the radiator (6) for clearance and install the condenser/cooling fan assembly (4). Insert the two lower condenser fan shroud mounting tabs into the holes in the lower front crossmember.

4. Install the bolt that secures the condenser/cooling fan assembly to the upper left fender rail. Tighten the bolt to 9.5 Nm (85 in. lbs.).

5. Position the radiator overflow hose (3) to it's installed location

6. Align the upper mounting tab of the condenser/cooling fan assembly to the hole in the upper radiator support (2) and install the upper radiator support.

7. Install the three bolts (1) that secure the upper radiator support to the upper front crossmember (5). Tighten the bolts to 23 Nm (17 ft. lbs.).





8. Remove the tape or plugs from the discharge and liquid line fittings and condenser ports.

9. Lubricate new rubber O-ring seals with clean refrigerant oil and install them and new gaskets onto the discharge and liquid line fittings. Use only the specified O-rings as they are made of a special material for the R-134a system. Use only refrigerant oil of the type recommended for the A/C compressor in the vehicle.

10. Connect the A/C discharge line (5) and the A/C liquid line (7) to the A/C condenser (6).

11. Install the nuts (1 and 8) that secure the A/C discharge and liquid lines to the A/C condenser. Tighten the nuts to 22 Nm (16 ft. lbs.).

12. Install the A/C discharge line into the retainer (3) located on the condenser fan shroud.

13. Install the wire harness and the two wire harness retainers (2) to the condenser fan shroud (4).

14. Connect the wire harness connectors to the condenser cooling fan motor (9) and the A/C pressure transducer (10).





15. Position the upper condenser/radiator seal (2) and install the push-pin retainers (1).

16. Reconnect the negative battery cable.

17. Evacuate the refrigerant system.

18. If the A/C condenser is being replaced, add 30 milliliters (1 fluid ounce) of refrigerant oil to the refrigerant system. When replacing multiple A/C system components, refer to the Refrigerant Oil Capacities chart to determine how much oil should be added to the refrigerant system. Use only refrigerant oil of the type recommended for the A/C compressor in the vehicle.

19. Charge the refrigerant system.