Operation CHARM: Car repair manuals for everyone.
Manuals through 2025 now available!

Our trusted friends have launched a new website named LEMON, which has newer manuals. It also contains all the CHARM manuals.

LEMON is the spiritual successor to CHARM, I recommend you try it!

Link: lemon-manuals.la or lemon-manuals.org.ua

(Some people have issue connecting. LEMON is investigating. For now, use Firefox or change your DNS server)

Or, hide this message: temporarily or permanently

Installation






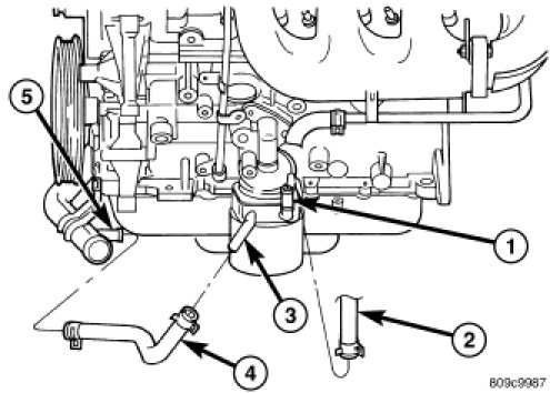
3.8L ENGINE




1. Clean the inlet tube O-ring sealing surfaces on the timing cover housing and tube.
2. Apply Mopar(R) Dielectric Grease or equivalent to the O-ring before installation.
3. Position new O-ring seal on inlet tube.
4. Install the inlet tube. Tighten bolts to 28 Nm (250 in. lbs.).




5. Connect radiator lower hose and heater return hose (if equipped with engine oil cooler) to the inlet tube.
6. Install the drive belt splash shield and lower vehicle.
7. Fill the cooling system.