Operation CHARM: Car repair manuals for everyone.
Manuals through 2025 now available!

Our trusted friends have launched a new website named LEMON, which has newer manuals. It also contains all the CHARM manuals.

LEMON is the spiritual successor to CHARM, I recommend you try it!

Link: lemon-manuals.la or lemon-manuals.org.ua

(Some people have issue connecting. LEMON is investigating. For now, use Firefox or change your DNS server)

Or, hide this message: temporarily or permanently

Removal






REMOVAL




1. Disconnect negative battery cable.
2. Drain cooling system.
3. Remove upper intake manifold.
4. Remove cylinder head covers, crankshaft vibration damper and timing chain cover.

CAUTION: When aligning timing marks, always rotate engine by turning the crankshaft. Failure to do so will result in valve and/or piston damage.

5. Align crankshaft sprocket timing mark to mark on oil pump housing (2). The mark on oil pump housing is 60� ATDC of #1 cylinder.

CAUTION: When the timing chain is removed and the cylinder heads are still installed, DO NOT rotate the camshafts or crankshaft without first locating the proper crankshaft position. Failure to do so will result in valve and/or piston damage.




6. Remove power steering pump and bracket as an assembly. Do not disconnect power steering lines from pump. Reposition pump and support with suitable retaining strap.
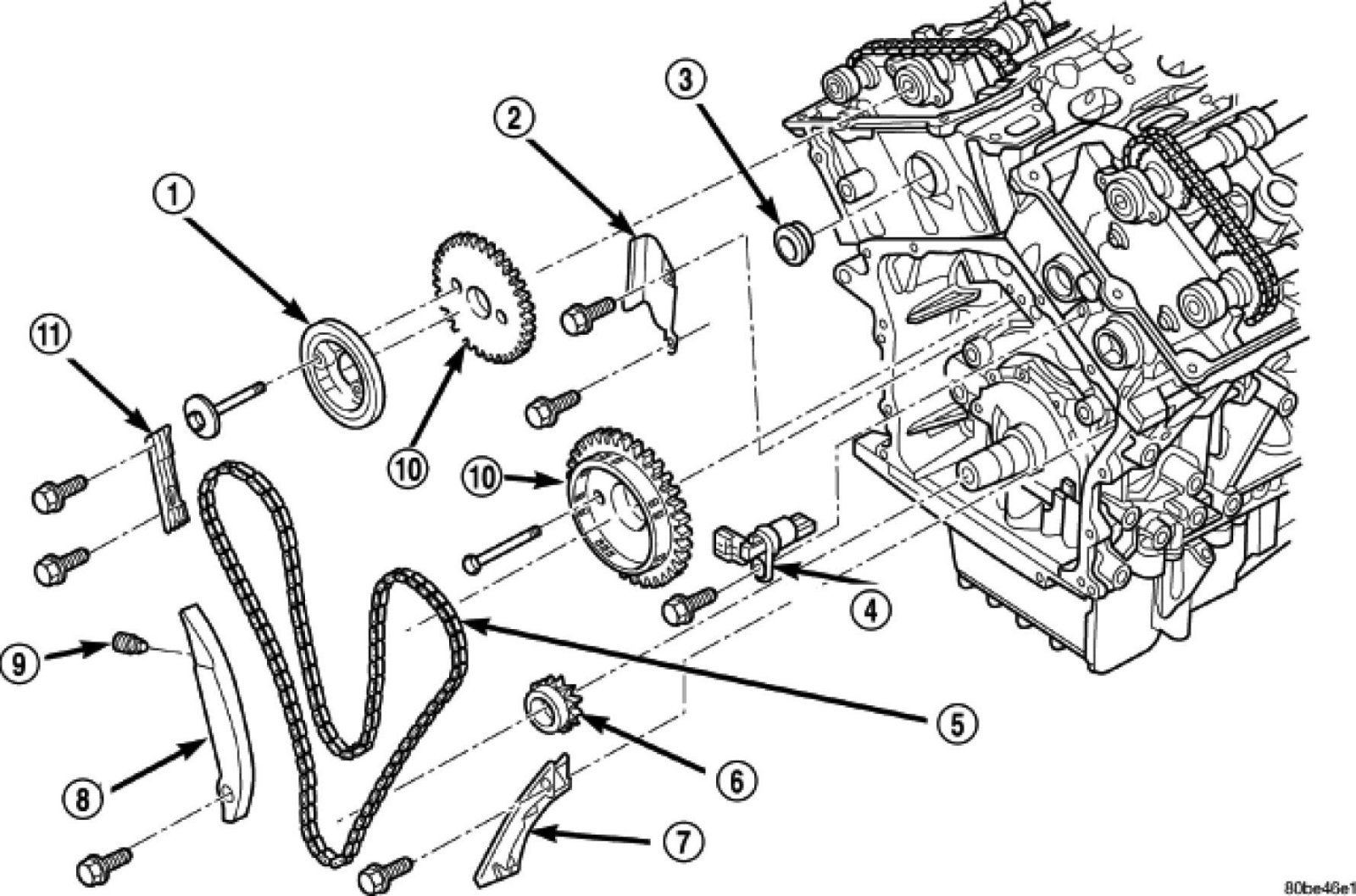
7. Remove primary timing chain tensioner retainer cap (2) and tensioner (1) from right cylinder head.
8. Disconnect and remove camshaft position sensor from left cylinder head.
9. Remove timing chain guide access plugs from cylinder heads.





NOTE: When camshaft sprocket bolts are removed, the camshafts will rotate in a clockwise direction.

10. Starting with the right camshaft sprocket, remove the sprocket attaching bolts. Remove camshaft damper (if equipped) and sprocket.
11. Remove left side camshaft sprocket attaching bolts and remove sprocket.
12. Remove lower chain guide (7) and tensioner arm (8).
13. Remove the primary timing chain.
14. For removal of crankshaft sprocket, Refer to ENGINE BLOCK/CRANKSHAFT REMOVAL.