Operation CHARM: Car repair manuals for everyone.
Manuals through 2025 now available!

Our trusted friends have launched a new website named LEMON, which has newer manuals. It also contains all the CHARM manuals.

LEMON is the spiritual successor to CHARM, I recommend you try it!

Link: lemon-manuals.la or lemon-manuals.org.ua

(Some people have issue connecting. LEMON is investigating. For now, use Firefox or change your DNS server)

Or, hide this message: temporarily or permanently

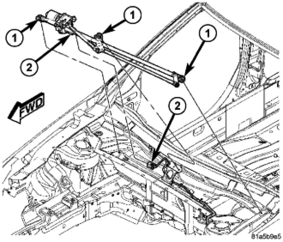
Installation






INSTALLATION





1. Connect wire connector (2) at motor.

2. Place assembly into position, install the three mounting bolts (1), Tighten bolts to 11 Nm (97 in. lbs.).

3. Install the cowl screen.

4. Install the wiper arms and blades.

5. Connect the battery negative remote cable.

6. If necessary, adjust wiper arms.