Operation CHARM: Car repair manuals for everyone.
Manuals through 2025 now available!

Our trusted friends have launched a new website named LEMON, which has newer manuals. It also contains all the CHARM manuals.

LEMON is the spiritual successor to CHARM, I recommend you try it!

Link: lemon-manuals.la or lemon-manuals.org.ua

(Some people have issue connecting. LEMON is investigating. For now, use Firefox or change your DNS server)

Or, hide this message: temporarily or permanently

Body Code Plate






DESCRIPTION

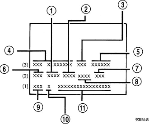
The Body Code Plate (Figure 1) is located in the engine compartment on the radiator closure panel crossmember. There are seven lines of information on the body code plate. Lines 4, 5, 6, and 7 are not used to define service information. Information reads from left to right, starting with line 3 in the center of the plate to line 1 at the bottom of the plate.







Figure 1 BODY CODE PLATE






BODY CODE PLATE - LINE 3


DIGITS 1 THROUGH 12


Vehicle Order Number


DIGITS 13 THROUGH 17


Open Space


DIGITS 18 AND 19


Vehicle Shell Line

- RS

DIGIT 20


Carline


FWD
- K = Dodge
- Y = Chrysler

AWD
- C = Chrysler
- D = Dodge

DIGIT 21


Price Class

- H = Highline
- L = Lowline
- P = Premium
- S = Luxury
- X = Premium

DIGITS 22 AND 23


Body Type

- 52 = Short Wheel Base
- 53 = Long Wheel Base

BODY CODE PLATE LINE 2


DIGITS 1, 2 AND 3


Paint Procedure


DIGIT 4


Open Space


DIGITS 5 THROUGH 7


Primary Paint.


DIGIT 8 AND 9


Open Space


DIGITS 10 THROUGH 12


Secondary Paint


DIGIT 13 AND 14


Open Space


DIGITS 15 THROUGH 18


Interior Trim Code


DIGIT 19


Open Space


DIGITS 20, 21, AND 22


Engine Code

- EDZ = 2.4L 4 cyl. 16-Valve DOHC Gasoline (MPI)
- EGA = 3.3L 6 cyl. Gasoline (SMPI)
- EGH = 3.8L 6 cyl. Gasoline (SMPI)
- EGM = 3.3L 6 cyl. Ethanol Flexible Fuel
- ENJ = 2.5L 4 cyl. 16-Valve Turbo Diesel

DIGIT 23


Open Space


BODY CODE PLATE LINE 1


DIGITS 1, 2, AND 3


Transaxle Codes

- DGC = 31TH 3-Speed Automatic Transaxle
- DGL = 41AE/TE 4-Speed Electronic Automatic
- DDR = T850 5-Speed Manual Transaxle

DIGIT 4


Open Space


DIGIT 5


Market Code

- C = Canada
- B = International
- M = Mexico
- U = United States

DIGIT 6


Open Space


DIGITS 7 THROUGH 23


Vehicle Identification Number

- Refer to Vehicle Identification Number (VIN) paragraph for proper breakdown of VIN code.

IF TWO BODY CODE PLATES ARE REQUIRED


The last code shown on either plate will be followed by END. When two plates are required, the last code space on the first plate will indicate (CTD).


When a second plate is required, the first four spaces of each line will not be used due to overlap of the plates.