Operation CHARM: Car repair manuals for everyone.
Manuals through 2025 now available!

Our trusted friends have launched a new website named LEMON, which has newer manuals. It also contains all the CHARM manuals.

LEMON is the spiritual successor to CHARM, I recommend you try it!

Link: lemon-manuals.la or lemon-manuals.org.ua

(Some people have issue connecting. LEMON is investigating. For now, use Firefox or change your DNS server)

Or, hide this message: temporarily or permanently

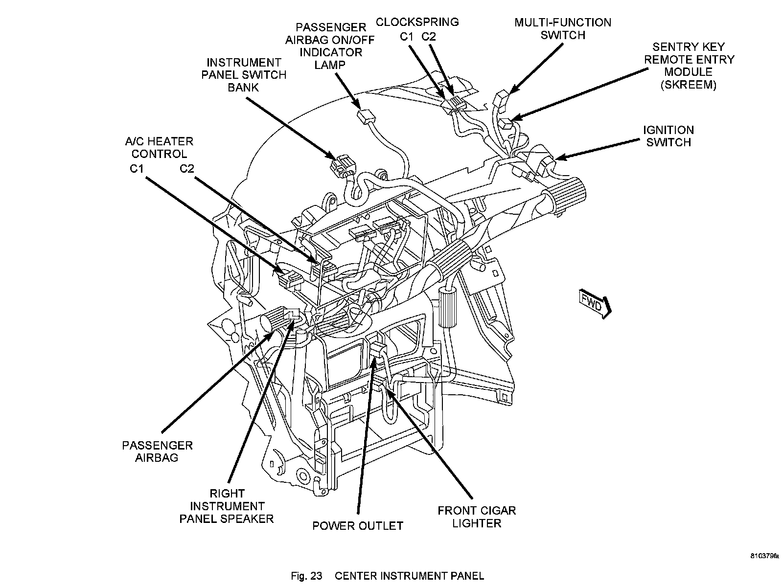
Keyless Entry Module: Diagrams




Component ID: 496
Component : SENTRY KEY REMOTE ENTRY MODULE

Connector:
Name : SENTRY KEY REMOTE ENTRY MODULE
Color : BLACK
# of pins : 6
Qualifier : (SKREEM)




Pin Description Circuit
1 - -
2 PCI BUS D25 20WT/VT
3 - -
4 FUSED IGNITION SWITCH OUTPUT (RUN-START) F20 20PK/WT
5 GROUND Z120 20BK/WT
6 FUSED B(+) (I.O.D.) A114 20GY/RD

Component Location - 23

Fig. 23:





Component Location - 20

Fig. 20:





Component Location - 21

Fig. 21:





Component Location - 22

Fig. 22:





Component Location - 31

Fig. 31: