Operation CHARM: Car repair manuals for everyone.
Manuals through 2025 now available!

Our trusted friends have launched a new website named LEMON, which has newer manuals. It also contains all the CHARM manuals.

LEMON is the spiritual successor to CHARM, I recommend you try it!

Link: lemon-manuals.la or lemon-manuals.org.ua

(Some people have issue connecting. LEMON is investigating. For now, use Firefox or change your DNS server)

Or, hide this message: temporarily or permanently

Fuel System 2/1 Rich Control Over Limit (At Load)







P0174 - FUEL SYSTEM 2/1 RICH CONTROL OVER LIMIT (AT LOAD)





When Monitored and Set Condition

- When Monitored: With the engine running in closed loop mode, the ambient/battery temperature above -7°C (20°F), altitude below 2590m (8500 ft). and fuel level greater than 15%.
- Set Condition: If the PCM multiplies short term compensation by long term adaptive and a certain percentage is exceeded for two trips, the MIL illuminates and a trouble code is stored.





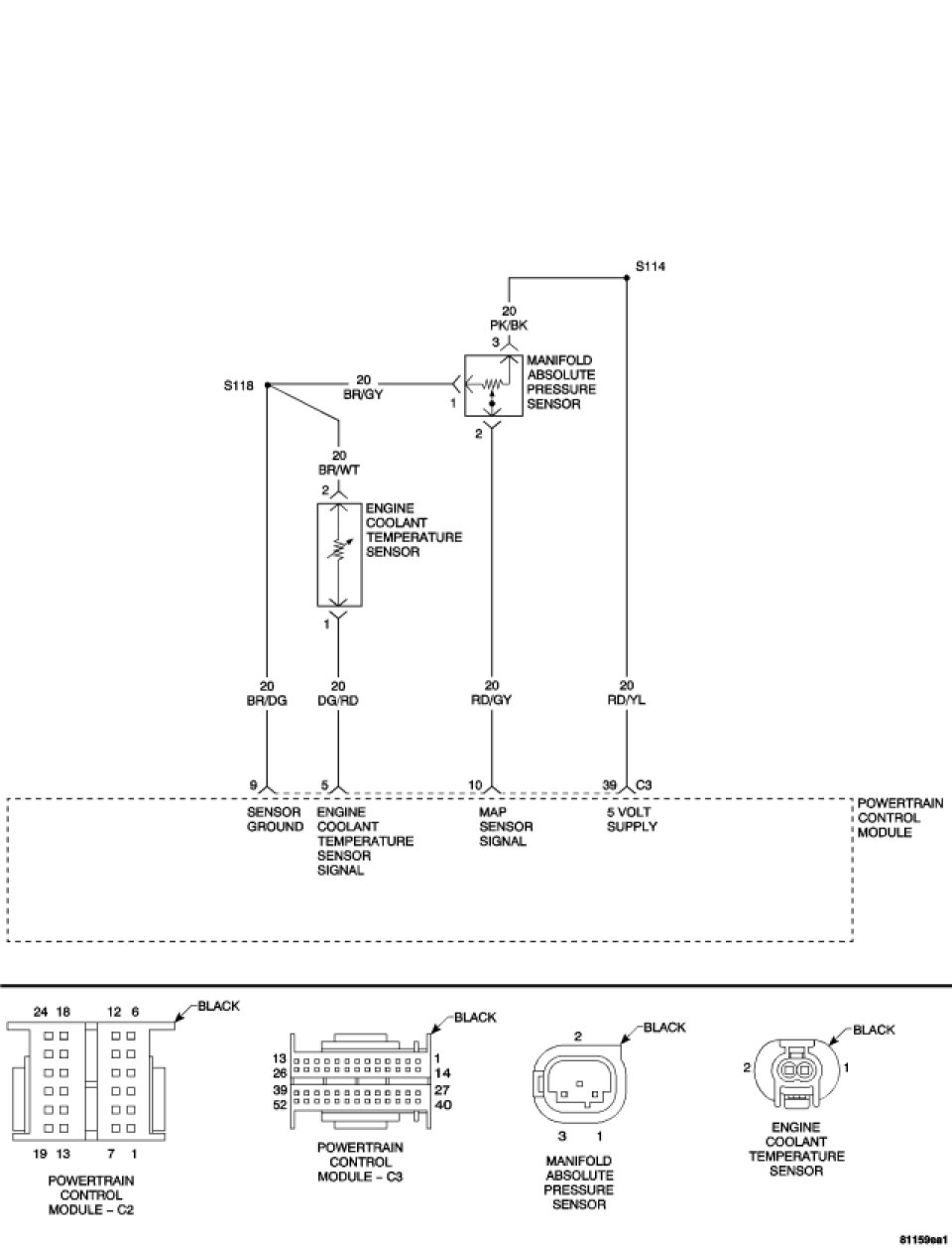
For a complete Powertrain Control Module Circuit Diagram, Schematics and Diagrams.

Diagnostic Test

1. CHECK FOR CURRENT DTC
Turn the ignition on.
With the scan tool, read PCM DTCs.
Is this DTC present?

Yes

- For complete diagnosis of this DTC, refer to (P0171) FUEL SYSTEM 1/1 RICH CONTROL OVER LIMIT (AT LOAD). P0171

No

- Go To 2

2. INTERMITTENT WIRING AND CONNECTORS
The conditions necessary to set this DTC are not present at this time.

NOTE: Check connectors - Clean/repair as necessary. Poor pin to terminal connections can set DTCs.Using the wiring diagram/schematic as a guide, inspect the wiring and connectors specific to this DTC. Wiggle the wires while checking for shorts and open circuits.

NOTE: Check for any Technical Service Bulletins that may apply.

Were there any problems found?

Yes

- Repair as necessary.
- Perform POWERTRAIN VERIFICATION TEST - VER 2. Powertrain Verification Test

No

- The condition that caused this DTC to set is currently not present. Inspect the related wiring harness for a possible intermittent condition.