Operation CHARM: Car repair manuals for everyone.
Manuals through 2025 now available!

Our trusted friends have launched a new website named LEMON, which has newer manuals. It also contains all the CHARM manuals.

LEMON is the spiritual successor to CHARM, I recommend you try it!

Link: lemon-manuals.la or lemon-manuals.org.ua

(Some people have issue connecting. LEMON is investigating. For now, use Firefox or change your DNS server)

Or, hide this message: temporarily or permanently

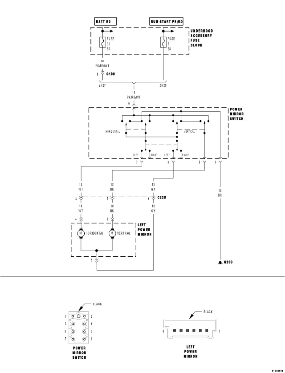
Left Power Mirror Inoperative







*LEFT POWER MIRROR INOPERATIVE









For a complete Power Mirrors Circuit Diagram, Power Mirrors.

Diagnostic Test

1. TEST THE LEFT POWER MIRROR HORIZONTAL MOTOR




Turn the ignition off.
Disconnect the Power Mirror Switch harness connector.

NOTE: Check connectors - Clean/repair as necessary.

Connect a jumper wire between cavity 3 and ground of the Power Mirror Switch harness connector.
Turn the ignition on.
Connect a jumper wire between cavity 6 and cavity 7 of the Power Mirror Switch harness connector.
With the jumper wires connected, does the Left Power Mirror Horizontal Motor Run?

Yes

- Go To 2

No

- Go To 3

2. TEST THE LEFT POWER MIRROR VERTICAL MOTOR




With the ignition on.
With the jumper wire between cavity 3 and ground of the Power Mirror Switch harness connector still connected.
Disconnect jumper wire from cavity 7 and connect it to cavity 5 of the Power Mirror Switch harness connector.
With the jumper wires connected, does the Left Power Mirror Vertical Motor Run?

Yes

- Replace the Power Mirror Switch. Removal.
- Perform BODY VERIFICATION TEST. Body Verification Test

No

- Go To 4

3. MEASURE LEFT POWER MIRROR HORIZONTAL MOTOR CIRCUIT RESISTANCE




Turn the ignition off.
Disconnect all jumper wires.
Disconnect the Left Power Mirror pigtail harness connector.

NOTE: The Power Mirror pigtail harness connector can be accessed by removing the small square access panel located at the top front corner of the door panel.

NOTE: Check connectors - Clean/repair as necessary.

Connect a jumper wire between cavity 4 and cavity 5 of the Left Power Mirror pigtail harness connector.
Measure the resistance between cavity 3 and cavity 7 of the Power Mirror Switch harness connector.
Is the resistance below 5.0 ohms?

Yes

- Replace the Left Power Mirror. Removal.

No

- Repair the Left Power Mirror Horizontal Motor circuit for an open.
- Perform BODY VERIFICATION TEST. Body Verification Test

4. MEASURE LEFT POWER MIRROR VERTICAL MOTOR CIRCUIT RESISTANCE




Turn the ignition off.
Disconnect all jumper wires.
Disconnect the Left Power Mirror pigtail harness connector.

NOTE: The Power Mirror pigtail harness connector can be accessed by removing the small square access panel located at the top front corner of the door panel.

NOTE: Check connectors - Clean/repair as necessary.

Connect a jumper wire between cavity 6 and cavity 5 of the Left Power Mirror pigtail harness connector.
Measure the resistance between cavity 3 and cavity 5 of the Power Mirror Switch harness connector.
Is the resistance below 5.0 ohms?

Yes

- Replace the Left Power Mirror. Removal.

No

- Repair the Left Power Mirror Vertical Motor circuit for an open.
- Perform BODY VERIFICATION TEST. Body Verification Test