Operation CHARM: Car repair manuals for everyone.
Manuals through 2025 now available!

Our trusted friends have launched a new website named LEMON, which has newer manuals. It also contains all the CHARM manuals.

LEMON is the spiritual successor to CHARM, I recommend you try it!

Link: lemon-manuals.la or lemon-manuals.org.ua

(Some people have issue connecting. LEMON is investigating. For now, use Firefox or change your DNS server)

Or, hide this message: temporarily or permanently

Keyless Entry

PLEASE NOTE: Some diagrams may appear to be missing because of gaps in the number sequences. These "gaps" are actually for diagrams that do not apply to the vehicle model selected.


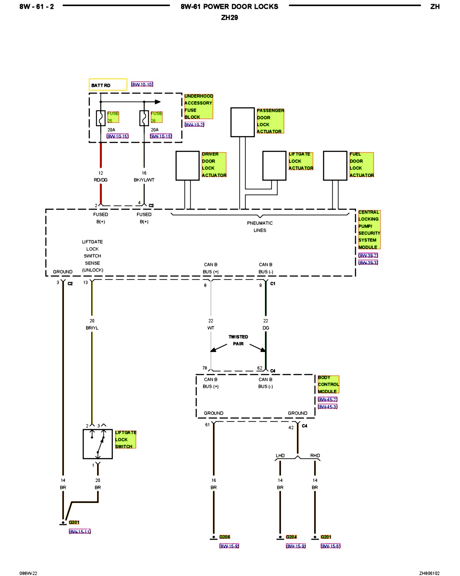
8w-61-02:






8w-61-03:






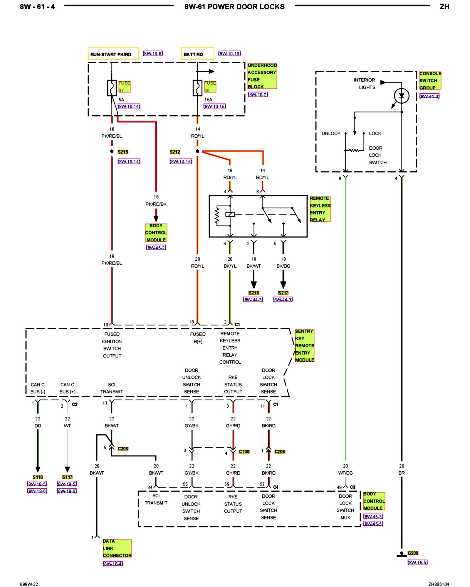
8w-61-04:






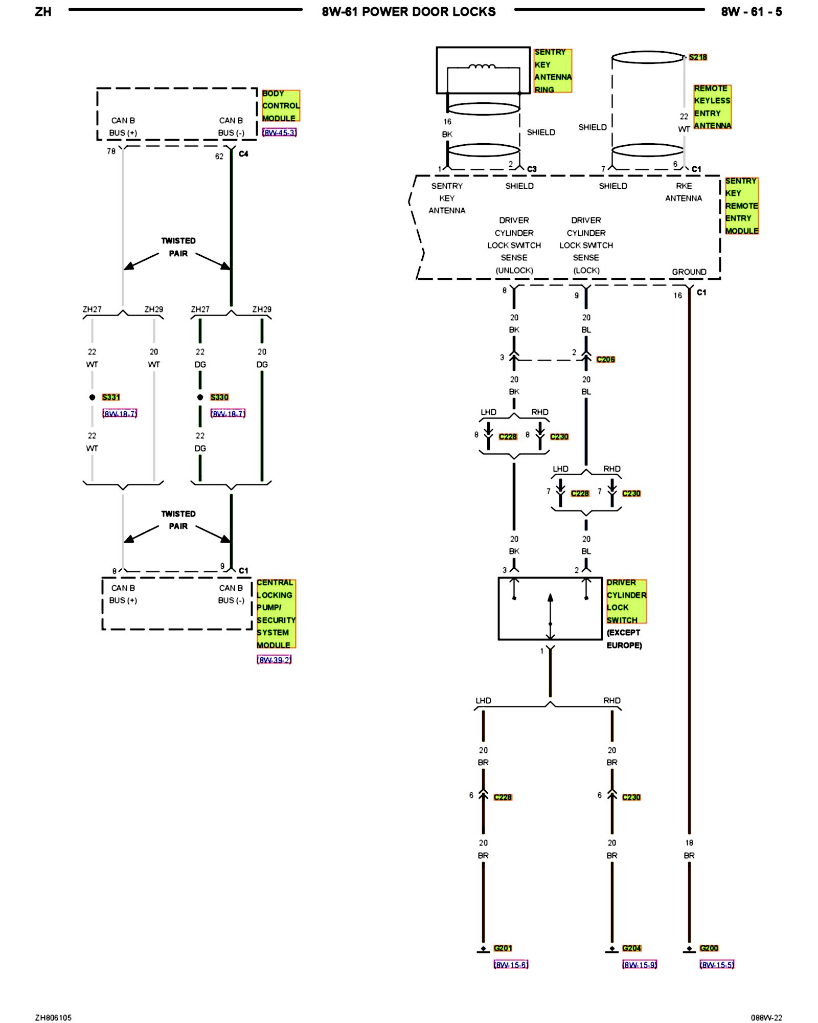
8w-61-05:






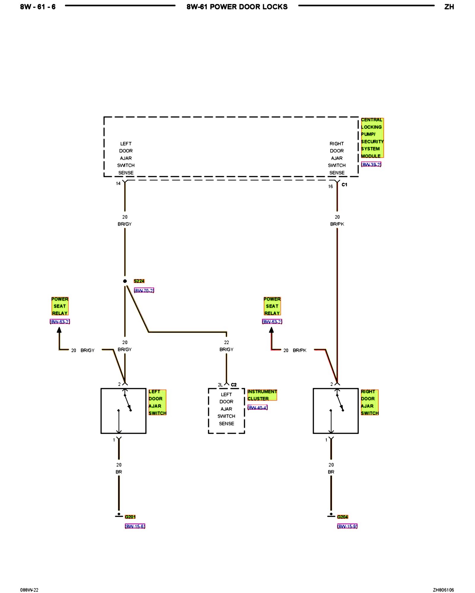
8w-61-06:






Other Diagrams: Other diagrams referred to by number (i.e. 8W-70-2, etc.) within these diagrams can be found at the vehicle level under Diagrams by Number. Diagrams By Number