Operation CHARM: Car repair manuals for everyone.
Manuals through 2025 now available!

Our trusted friends have launched a new website named LEMON, which has newer manuals. It also contains all the CHARM manuals.

LEMON is the spiritual successor to CHARM, I recommend you try it!

Link: lemon-manuals.la or lemon-manuals.org.ua

(Some people have issue connecting. LEMON is investigating. For now, use Firefox or change your DNS server)

Or, hide this message: temporarily or permanently

Checking Hard Start (Fuel System)







*CHECKING HARD START (FUEL SYSTEM)









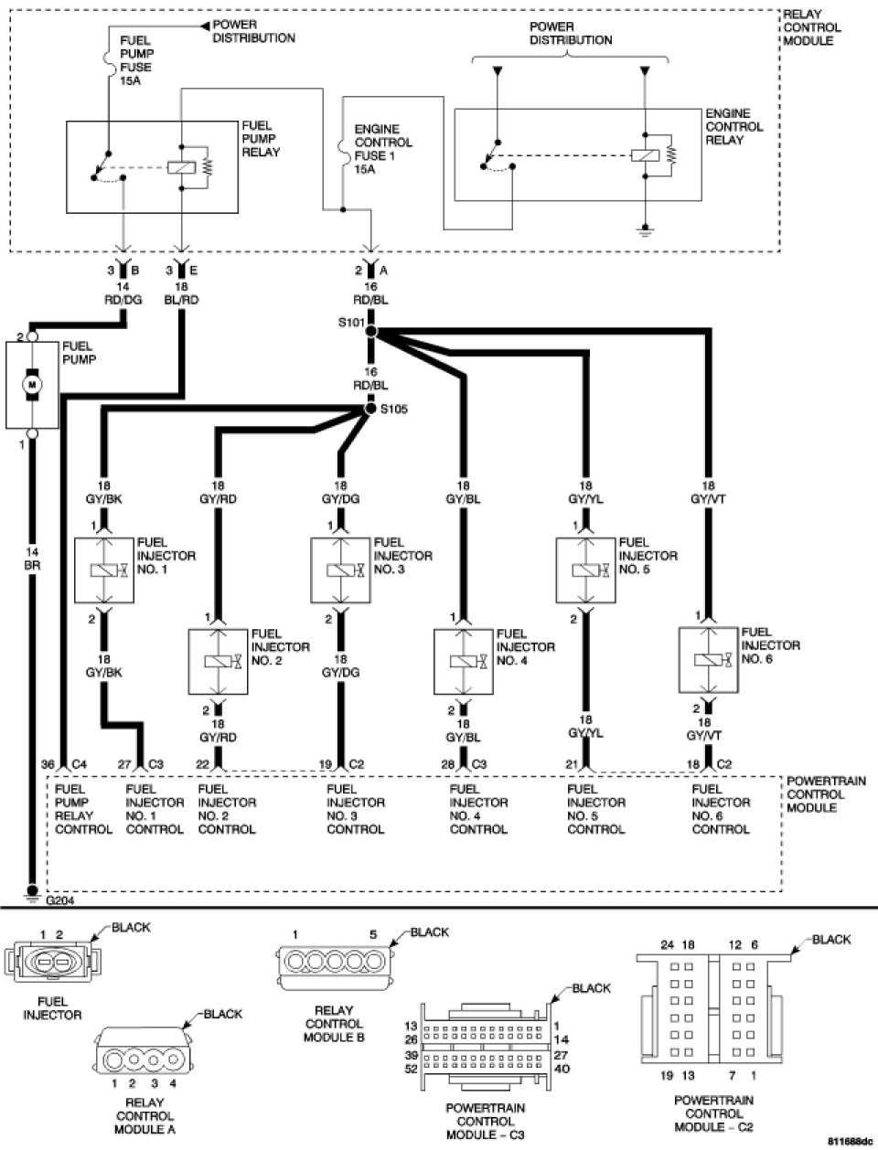
For a complete Powertrain Control Module Circuit Diagram, Schematics and Diagrams.

Diagnostic Test

1. CHECKING FUEL PRESSURE
WARNING: THE FUEL SYSTEM IS UNDER A CONSTANT PRESSURE EVEN WITH THE ENGINE OFF. BEFORE TESTING OR SERVICING ANY FUEL SYSTEM HOSE, FITTING OR LINE, THE FUEL SYSTEM PRESSURE MUST BE RELEASED.

Turn the ignition off.
Install a fuel pressure gauge at the engine.
Turn the ignition on.
With the scan tool, actuate the Fuel Pump and observe the fuel pressure gauge.

NOTE: Fuel pressure specification is 3.7 to 4.2 bar (54 to 61 psi).

Choose a conclusion that best matches your fuel pressure reading.

Below Specification

- Go To 2

Within Specification

- Go To 4

2. RESTRICTED FUEL FILTER/FUEL PRESSURE REGULATOR
WARNING: THE FUEL SYSTEM IS UNDER A CONSTANT PRESSURE EVEN WITH THE ENGINE OFF. BEFORE TESTING OR SERVICING ANY FUEL SYSTEM HOSE, FITTING OR LINE, THE FUEL SYSTEM PRESSURE MUST BE RELEASED.

Turn the ignition off.
Remove the Fuel Filter/Fuel Pressure Regulator and inspect for a plugged filter. Removal.
Is the Fuel Filter/Fuel Pressure Regulator plugged?

Yes

- Replace the Fuel Filter/Fuel Pressure Regulator. Removal.
- Perform POWERTRAIN VERIFICATION TEST - VER 1. Powertrain Verification Test

No

- Go To 3

3. CHECKING FUEL PUMP INLET STRAINER
WARNING: THE FUEL SYSTEM IS UNDER A CONSTANT PRESSURE EVEN WITH THE ENGINE OFF. BEFORE TESTING OR SERVICING ANY FUEL SYSTEM HOSE, FITTING OR LINE, THE FUEL SYSTEM PRESSURE MUST BE RELEASED.

With the ignition off.
Remove and inspect the Fuel Pump Inlet Strainer.
Is the Fuel Pump Inlet Strainer plugged?

Yes

- Replace the Fuel Pump Inlet Strainer. Removal.
- Perform POWERTRAIN VERIFICATION TEST - VER 1. Powertrain Verification Test

No

- Check the Fuel Supply Line for restrictions. Repair as necessary. If OK, replace the Fuel Pump. Removal.
- Perform POWERTRAIN VERIFICATION TEST - VER 1. Powertrain Verification Test

4. FUEL INJECTOR(S)
WARNING: THE FUEL SYSTEM IS UNDER A CONSTANT PRESSURE EVEN WITH THE ENGINE OFF. BEFORE TESTING OR SERVICING ANY FUEL SYSTEM HOSE, FITTING OR LINE, THE FUEL SYSTEM PRESSURE MUST BE RELEASED.

Start the engine and allow the fuel system to reach maximum pressure.
Turn the ignition off.

NOTE: Fuel pressure specification is 3.7 to 4.2 bar (54 to 61 psi).

Apply special tool #C-4390, Hose Clamp Pliers, between the fuel pressure gauge and the fuel pump.
Monitor the fuel pressure gauge for a minimum of 5 minutes.

NOTE: The pressure should not fall below 3.0 bar (44 psi).

Does the fuel pressure drop?

Yes

- Replace the leaking fuel injectors. Fuel Injector - Removal.
- Perform POWERTRAIN VERIFICATION TEST - VER 1. Powertrain Verification Test

No

- Check the fuel for contaminants.
- Perform POWERTRAIN VERIFICATION TEST - VER 1. Powertrain Verification Test