Operation CHARM: Car repair manuals for everyone.
Manuals through 2025 now available!

Our trusted friends have launched a new website named LEMON, which has newer manuals. It also contains all the CHARM manuals.

LEMON is the spiritual successor to CHARM, I recommend you try it!

Link: lemon-manuals.la or lemon-manuals.org.ua

(Some people have issue connecting. LEMON is investigating. For now, use Firefox or change your DNS server)

Or, hide this message: temporarily or permanently

Starting System: Testing and Inspection







DIAGNOSIS AND TESTING - STARTING SYSTEM

The battery, starting, and charging systems operate with one another, and must be tested as a complete system. In order for the vehicle to start and charge properly, all of the components involved in these systems must perform within specifications.

When attempting to diagnose any of these systems, it is important that you keep their interdependency in mind.

The diagnostic procedures used include most conventional diagnostic methods. The use of an induction-type milliampere ammeter, volt/ohmmeter, battery charger, carbon pile rheostat (load tester), and 12-volt test lamp may be required.









INSPECTION

For complete wiring diagrams, refer to Starting System Wiring Diagrams. Before removing any unit from the starting system for repair or diagnosis, perform the following inspections:

WARNING: On vehicles equipped with airbags, refer to Restraint Systems before attempting any steering wheel, steering column, or instrument panel component diagnosis or service. Failure to take the proper precautions could result in accidental airbag deployment and possible personal injury.

- Visually inspect the battery for indications of physical damage and loose or corroded cable connections. Determine the state-of-charge and cranking capacity of the battery. Charge or replace the battery, if required. Battery - Description.
- - Visually inspect the ignition switch for indications of physical damage and loose or corroded wire harness connections.Description.
- Visually inspect the starter motor for indications of physical damage and loose or corroded wire harness connections.
- Visually inspect the starter solenoid for indications of physical damage and loose or corroded wire harness connections.
- Visually inspect the wire harnesses for damage. Repair or replace any faulty wiring, as required. Diagram Information and Instructions.

TESTING

COLD CRANKING TEST

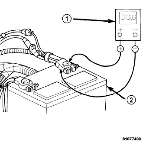
For complete wiring diagrams, refer to Starting System Wiring Diagrams. The battery must be fully-charged and load-tested before proceeding. Battery.





1. Connect a suitable volt-ampere tester (3) to the battery terminals (1,2). See the instructions provided by the manufacturer of the volt-ampere tester being used.
2. Fully engage the parking brake.
3. Place the automatic transmission gearshift selector lever in the Park position or place the manual transmission gearshift selector in the Neutral position.
4. Verify that all lamps and accessories are turned off.
5. Prevent the engine from starting.
6. Rotate and hold the ignition switch in the Start position. Note the cranking voltage and current (amperage) draw readings shown on the volt-ampere tester.
a. If the voltage reads below 9.6 volts, refer to Starter Motor Testing and Inspection. If the starter motor is OK, refer to Computers and Control Systems for further testing. If the starter motor is not OK, replace the faulty starter motor.
b. If the voltage reads above 9.6 volts and the current (amperage) draw reads below specifications, refer to Feed Circuit Test.
c. If the voltage reads 12.5 volts or greater and the starter motor does not turn, refer to Control Circuit Testing.
d. If the voltage reads 12.5 volts or greater and the starter motor turns very slowly, refer to Feed Circuit Test.

NOTE: A cold engine will increase the starter current (amperage) draw reading, and reduce the battery voltage reading.

FEED CIRCUIT TEST

The starter feed circuit test (voltage drop method) will determine if there is excessive resistance in the high-amperage feed circuit. For complete wiring diagrams, refer to Starting System Wiring Diagrams. Diagram Information and Instructions.

When performing these tests, it is important to remember that the voltage drop is giving an indication of the resistance between the two points at which the voltmeter probes are attached.

Example: When testing the resistance of the battery positive cable, touch the voltmeter leads to the battery positive cable clamp and the cable connector at the starter solenoid. If you probe the battery positive terminal post and the cable connector at the starter solenoid, you are reading the combined voltage drop in the battery positive cable clamp-to-terminal post connection and the battery positive cable.

The following operation will require a voltmeter accurate to 1/10 (0.10) volt. Before performing the tests, be certain that the following procedures are accomplished:

- Battery is fully-charged and load-tested. Refer to Battery for the procedures. Battery.
- Fully engage the parking brake.
- Place the automatic transmission gearshift selector lever in the Park position or place the manual transmission gearshift selector in the Neutral position.
- Verify that all lamps and accessories are turned off.
- Prevent the engine from starting.





7. Connect the positive lead of the voltmeter (1) to the battery (2) negative terminal post. Connect the negative lead of the voltmeter (1) to the battery (2) negative cable clamp. Rotate and hold the ignition switch in the Start position. Observe the voltmeter. If voltage is detected, correct the poor contact between the cable clamp and the terminal post.




8. Connect the positive lead of the voltmeter (1) to the battery (2) positive terminal post. Connect the negative lead of the voltmeter (1) to the battery (2) positive cable clamp. Rotate and hold the ignition switch in the Start position. Observe the voltmeter. If voltage is detected, correct the poor contact between the cable clamp and the terminal post.




9. Connect the voltmeter (2) to measure between the battery (1) positive terminal post and the starter (3) solenoid battery terminal stud. Rotate and hold the ignition switch in the Start position. Observe the voltmeter. If the reading is above 0.2 volt, clean and tighten the battery cable connection at the solenoid. Repeat the test. If the reading is still above 0.2 volt, replace the faulty battery positive cable.




10. Connect the voltmeter (1) to measure between the battery (2) negative terminal post and a good clean ground on the engine block (3). Rotate and hold the ignition switch in the Start position. Observe the voltmeter. If the reading is above 0.2 volt, clean and tighten the battery negative cable attachment on the engine block. Repeat the test. If the reading is still above 0.2 volt, replace the faulty battery negative cable.




11. Connect the positive lead of the voltmeter (3) to the starter (1) housing. Connect the negative lead of the voltmeter to the battery (2) negative terminal post. Rotate and hold the ignition switch in the Start position. Observe the voltmeter. If the reading is above 0.2 volt, correct the poor starter to engine block ground contact.
If the resistance tests detect no feed circuit problems, refer to Starter Motor. Testing and Inspection.

CONTROL CIRCUIT TESTING

The starter control circuit components should be tested in the order in which they are listed, as follows:

- Starter Solenoid - Refer to Starter Motor. Testing and Inspection.
- Ignition Switch - Refer to Ignition Switch and Key Lock Cylinder. .
- Wire harnesses and connections - Refer to Starting System Wiring Diagrams for complete circuit diagrams. Diagram Information and Instructions.