Operation CHARM: Car repair manuals for everyone.
Manuals through 2025 now available!

Our trusted friends have launched a new website named LEMON, which has newer manuals. It also contains all the CHARM manuals.

LEMON is the spiritual successor to CHARM, I recommend you try it!

Link: lemon-manuals.la or lemon-manuals.org.ua

(Some people have issue connecting. LEMON is investigating. For now, use Firefox or change your DNS server)

Or, hide this message: temporarily or permanently

Operation







OPERATION

The transmission control is divided into the electronic and hydraulic transmission control functions. While the electronic transmission control is responsible for gear selection and for matching the pressures to the torque to be transmitted, the transmission's power supply control occurs via hydraulic elements in the electrohydraulic control module. The oil supply to the hydraulic elements, such as the hydrodynamic torque converter, the shift elements and the hydraulic transmission control, is provided by way of an oil pump connected with the torque converter.

The Transmission Control Module (TCM) allows for the precise adaptation of pressures to the corresponding operating conditions and to the engine output during the gearshift phase, resulting in a noticeable improvement in shift quality. The engine speed limit can be reached in the individual gears at full throttle and kickdown. The shift range can be changed in the forward gears while driving, but the TCM employs a downshift safeguard to prevent over-revving the engine. The system offers the additional advantage of flexible adaptation to different vehicle and engine variants.

EMERGENCY RUNNING FUNCTION

In order to ensure a safe driving state and to prevent damage to the automatic transmission, the TCM control module switches to limp-home mode in the event of critical faults. A diagnostic trouble code (DTC) assigned to the fault is stored in memory. All solenoid and regulating valves are thus de-energized.

The net effect is:

- The last engaged gear remains engaged.
- The modulating pressure and shift pressures rise to the maximum levels.
- The torque converter lockup clutch is deactivated.

In order to preserve the operability of the vehicle to some extent, the hydraulic control can be used to engage 2nd gear or reverse using the following procedure:

- Stop the vehicle.
- Move selector lever to "P".
- Switch off engine.
- Wait at least 10 seconds.
- Start engine.
- Move selector lever to D: 2nd gear.
- Move selector lever to R: Reverse gear.

The limp-home function remains active until the DTC is rectified or the stored DTC is erased with the appropriate scan tool. Sporadic faults can be reset via ignition OFF/ON.

CLUTCH APPLICATION





FIRST GEAR POWERFLOW









Torque from the torque converter is increased via the input shaft (25) and all three planetary gearsets and transferred to the output shaft (26).

Front Planetary Gear Set

The annulus gear (8) is driven by the input shaft (25). The sun gear (21) is held against the housing by the locked freewheel F1 (20) during acceleration and via the engaged multiple-disc holding clutch B1 (4) during deceleration. The planetary pinion gears (17) turn on the fixed sun gear (21) and increase the torque from the annulus gear (8) to the planetary carrier (13). The planetary carrier (13) moves at a reduced speed in the running direction of the engine.

Rear Planetary Gear Set

The annulus gear (11) turns at a reduced speed due to the mechanical connection to the front planetary carrier (15). The sun gear (23) is held against the housing by the engaged multiple-disc holding clutch B2 (6), by the locked freewheel F2 (24) during acceleration and by the engaged multiple-disc clutch K3 (12) during deceleration. The planetary gears (19) turn on the fixed sun gear (23) and increase the torque from the annulus gear (11) to the planetary carrier (15). The planetary carrier (15) moves at a reduced speed in the running direction of the engine.

Center Planetary Gear Set

The annulus gear (10) is driven at the same speed as the rear planetary carrier (15) as a result of a mechanical connection. The sun gear (22) is held against the housing by the multiple-disc holding clutch B2 (6). The planetary pinion gears (18) turn on the fixed sun gear (22) and increase the torque from the annulus gear (10) to the planetary carrier (14). The output shaft (26) connected to the planetary carrier (14) turns at a reduced speed in the running direction of the engine.

SECOND GEAR POWERFLOW









Torque from the torque converter is increased via the input shaft (25) and the center and rear planetary gearset and transferred to the output shaft (26).

Front Planetary Gear Set

The planetary carrier (13) and sun gear (21) are connected via the engaged multiple-disc clutch K1 (7). The planetary gearset is therefore blocked and turns as a closed unit at the input speed due to the mechanical connection of the annulus gear (8) and input shaft.

Rear Planetary Gear Set

The annulus gear (11) turns at the input speed as a result of the mechanical connection to the front planetary carrier (13). The sun gear (23) is held against the housing by the engaged multiple-disc holding clutch B2 (6), by the locked freewheel F2 (24) during acceleration and by the engaged multiple-disc clutch K3 (12) during deceleration. The planetary pinion gears (19) turn on the fixed sun gear (23) and increase the torque from the annulus gear (11) to the planetary carrier (15). The planetary carrier (15) moves at a reduced speed in the running direction of the engine.

Center Planetary Gear Set

The annulus gear (10) is driven at the same speed as the rear planetary carrier (15) as a result of a mechanical connection. The sun gear (22) is held against the housing by the multiple-disc holding clutch B2 (6). The planetary pinion gears (18) turn on the fixed sun gear (22) and increase the torque from the annulus gear (10) to the planetary carrier (14). The output shaft (5) connected to the planetary carrier (14) turns at a reduced speed in the running direction of the engine.

THIRD GEAR POWERFLOW









Torque from the torque converter is increased via the input shaft (25) and the center planetary gearset and transferred to the output shaft (26).

Front Planetary Gear Set

The planetary carrier (13) and sun gear (21) are connected via the engaged multiple-disc clutch K1 (7). The planetary gearset is therefore locked and turns as a closed unit at the input speed due to the mechanical connection of the annulus gear (8) and input shaft (25).

Rear Planetary Gear Set

The multiple-disc clutch K2 (9) is engaged and transfers the input speed of the input shaft (25) to the planetary carrier (15) via the annulus gear (10). The annulus gear (11) turns in the same way as the planetary carrier (15) due to the mechanical connection with the locked front planetary gearset. This planetary gearset is therefore locked and turns as a closed unit.

Center Planetary Gear Set

The annulus gear (10) turns at the input speed as a result of the engaged multiple-disc clutch K2 (9). The sun gear (22) is held against the housing by the multiple-disc holding clutch B2 (6). The planetary pinion gears (18) turn on the fixed sun gear (22) and increase the torque from the annulus gear (10) to the planetary carrier (14). The output shaft (26) connected to the planetary carrier (14) turns at a reduced speed in the running direction of the engine.

FOURTH GEAR POWERFLOW









Speed and torque are not converted by the direct gear ratio of the 4th gear. Power is transferred from the input shaft (25) to the output shaft (26) via three locked planetary gearsets.

Front Planetary Gear Set

The planetary carrier (13) and sun gear (21) are connected via the engaged multiple-disc clutch K1 (7). The planetary gearset is therefore locked and turns as a closed unit at the input speed due to the mechanical connection of the annulus gear (8) and the input shaft (25).

Rear Planetary Gear Set

The multiple-disc clutch K2 (9) is engaged and transfers the input speed of the input shaft (25) to the planetary carrier (15) via the annulus gear (10). The annulus gear (11) turns in the same way as the planetary carrier (15) due to the mechanical connection with the locked front planetary gearset. The planetary gearset is therefore locked and turns as a closed unit.

Center Planetary Gear Set

The annulus gear (10) turns at the input speed as a result of the engaged multiple-disc clutch K2 (9). The multiple-disc clutch K3 (12) connects the sun gears (22) and (23) of the rear and center planetary gearset. The planetary gearset is locked by the same speeds of the annulus gear (10) and the sun gear (22) and it turns as a closed unit.

FIFTH GEAR POWERFLOW









Torque from the torque converter is increased via the input shaft (25) and all three planetary gearsets and transferred to the output shaft (26).

Front Planetary Gear Set

The annulus gear (8) is driven by the input shaft (25). The sun gear (21) is held against the housing by the locked freewheel F1 (20) during acceleration and via the engaged multiple-disc holding clutch B1 (4) during deceleration. The planetary pinion gears (17) turn on the fixed sun gear (21) and increase the torque from the annulus gear (8) to the planetary carrier (13). The planetary carrier (13) moves at a reduced speed in the running direction of the engine.

Rear Planetary Gear Set

The multiple-disc clutch K2 (9) is engaged and transfers the input speed of the input shaft (25) to the planetary carrier (15) via the annulus gear (10). The annulus gear (11) turns at a reduced speed due to the mechanical connection with the front planetary carrier (13). The planetary pinion gears (19) turn between the annulus gear (11) and the sun gear (23). The sun gear (23) moves at an increased speed in the running direction of the engine.

Center Planetary Gear Set

The annulus gear (10) turns at the input speed as a result of the engaged multiple-disc clutch K2 (9). The multiple-disc clutch K3 (12) transfers an increased speed to the sun gear (22) due to the connection with the sun gear (23). The planetary pinion gears (18) turn between the annulus gear (10) and the sun gear (22). The speed of the planetary carrier (14) and the output shaft connected to the planetary carrier (5) lies between that of the annulus gear (10) and the sun gear (22). This provides a step-up ratio.

REVERSE GEAR POWERFLOW









Torque from the torque converter is increased via the input shaft (25) and all three planetary gearsets and transferred with reversed direction of rotation to the output shaft (26).

Front Planetary Gear Set

The annulus gear (8) is driven by the input shaft (25). The sun gear (21) is held against the housing by the locked freewheel F1 (20) during acceleration and via the engaged multiple-disc holding clutch B1 (4) during deceleration. The planetary pinion gears (17) turn on the fixed sun gear (21) and increase the torque from the annulus gear (8) to the planetary carrier (13). The planetary carrier (13) moves at a reduced speed in the running direction of the engine.

Rear Planetary Gear Set

The planetary carrier (15) is held against the housing by the engaged multiple-disc holding clutch B3 (5). The annulus gear (11) turns at a reduced speed due to the mechanical connection to the front planetary carrier (13). The planetary gears (19) turn between the annulus gear (11) and the sun gear (23). The direction is reversed by the held planetary carrier (15) so that the sun gear (23) turns in the opposite direction to the running direction of the engine.

Center Planetary Gear Set

The annulus gear (10) is held against the housing by the multiple-disc holding clutch B3 (5) via the mechanical connection to the planetary carrier (15). The sun gear (22) turns backwards due to the engaged multiple-disc clutch K3 (12). The planetary gears (18) turn on the fixed annulus gear (10) and increase the torque from the sun gear (22) to the planetary carrier (14). The output shaft (26) connected to the planetary carrier (14) turns at a reduced speed in the opposite direction to the running direction of the engine.

REVERSE GEAR POWERFLOW - LIMP IN









Torque from the torque converter is increased via the input shaft (25) and all three planetary gearsets and transferred with reversed direction of rotation to the output shaft (26) and.

Front Planetary Gear Set

The clutch K1 (7) is shifted. The planetary carrier (13) and sun gear (21) are connected to each other as a result. The annulus gear (8) is driven via the input shaft (25). The planetary gear set is locked and turns as a unit.

Rear Planetary Gear Set

The planetary carrier (15) is held against the housing by the engaged multiple-disc holding clutch B3 (5). The annulus gear (11) turns at a reduced speed due to the mechanical connection to the front planetary carrier (13). The planetary pinion gears (19) turn between the annulus gear (11) and the sun gear (23). The direction is reversed by the held planetary carrier (15) so that the sun gear (23) turns in the opposite direction to the running direction of the engine.

Center Planetary Gear Set

The annulus gear (10) is held against the housing by the multiple-disc holding clutch B3 (5) via the mechanical connection to the planetary carrier (15). The sun gear (22) turns backwards due to the engaged multiple-disc clutch K3 (12). The planetary gears (18) turn on the fixed annulus gear (10) and increase the torque from the sun gear (22) to the planetary carrier (14). The output shaft (26) connected to the planetary carrier (14) turns at a reduced speed in the opposite direction to the running direction of the engine.

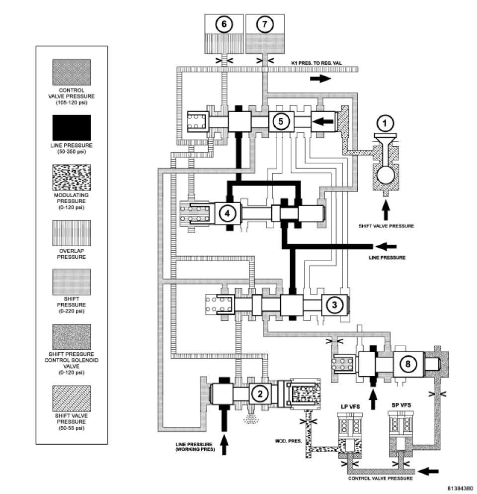
SHIFT GROUPS/ SHIFT SEQUENCE

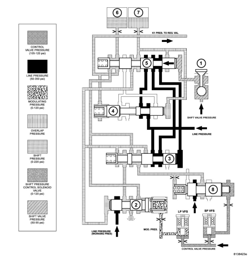
1-2 Shift - First Gear Engaged





The end face of the command valve (5) is kept unpressurized via the solenoid valve for 1-2 and 4-5 shift (1). Because of the holding pressure shift valve (4), the working pressure (p-A) is present at the multiple-disc holding clutch B1 (7). Clutch K1 (6) is unpressurized.

Shift Phase - 1-2 Shift Phase 1





When the 1-2 and 4-5 shift solenoid valve (1) is turned on, the shift valve pressure (p-SV) is directed onto the end face of the command valve (5). The command valve is moved and the shift pressure (p-S) coming from the shift pressure shift valve (3) is directed via the command valve (5) onto clutch K1 (6).

Simultaneously the clutch B1 (7) is subjected to overlap pressure by the overlap regulating valve (2). The pressure in the clutch B1 (7) as it disengages is controlled during the shift phase depending on engine load by the modulating pressure and the applying clutch pressure (the shift pressure in clutch K1). The controlled pressure in clutch B1 (7) is inversely proportional to the capacity of the clutch being engaged. The rising shift pressure (p-S) at clutch K1 (6) acts on the annular face of the overlap regulating valve (2) and reduces the overlap pressure regulated by the overlap regulating valve (2). When a corresponding pressure level is reached at the holding pressure shift valve (4), this valve switches over.

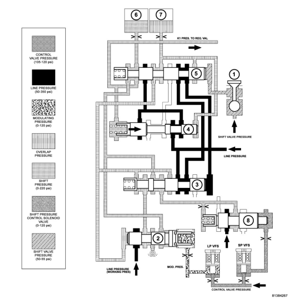
Shift Phase - 1-2 Shift Phase 2





The B1 (7) pressure acting on the end face of the shift pressure shift valve (3) is replaced by the working pressure (p-A). The shift pressure is also routed to the spring end of the holding valve (4) and the holding valve downshifts. The line pressure is then routed to the command valve (5).

Second Gear Engaged





After the gearchange is complete, the pressure on the end face of the command valve (5) is reduced via the 1-2 and 4-5 shift solenoid valve (1), and the command valve (5) is pushed back to its basic position. Via the holding pressure shift valve (4) the working pressure (p-A) now passes via the command valve (5) to clutch K1 (6). The multiple-disc holding clutch B1 (7) is deactivated (unpressurized). The spring of the shift pressure shift valve (3) pushes the valve back to its basic position.

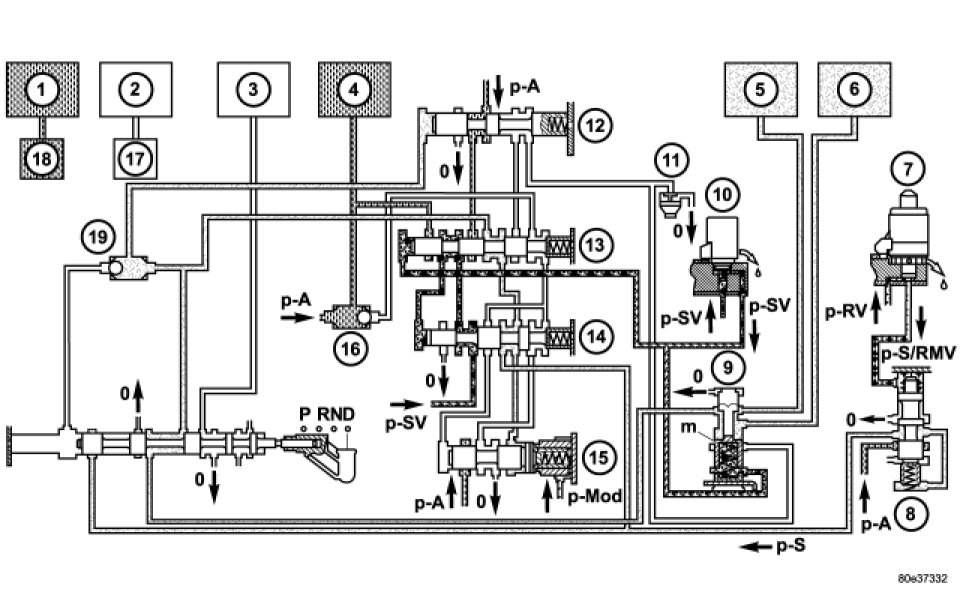
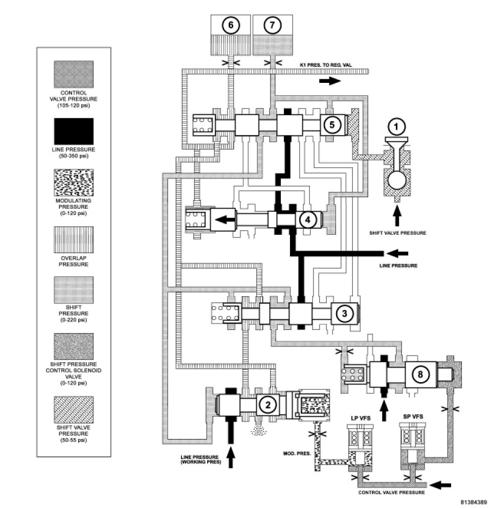
Shift Phase - 2-1 Shift Phase 1





The 1-2/4-5 shift solenoid (1) is turned ON to apply shift pressure (p-S) to the end face of the 1-2/4-5 command valve (5). This allows the command valve to up-shift and the shift pressure coming from the 1-2/4-5 shift valve (3) is routed to the holding clutch B1 (7) via the command valve.

Simultaneously, the pressure in the releasing clutch, K1 (6), is regulated at the 1-2/4-5 overlap valve (2). The pressure in the K1 clutch as it disengages is controlled during the shift phase depending on engine load, via the modulating pressure (p-MOD), and the shift pressure in clutch B1 (7). The increasing shift pressure in clutch B1, which also acts on the end face of the overlap valve, reduces the overlap pressure.

Shift Phase - 2-1 Shift Phase 2





The pressure in clutch B1 (7) acting on the end face of the 1-2/4-5 holding valve (4) forces the valve to up-shift against the spring pressure and allows line pressure (p-A) to pass through the command valve (5).

2-1 Shift - First Gear Engaged





After the gear change is complete, the 1-2/4-5 shift solenoid (1) is turned off. This reduces the pressure on the end face of the 1-2/4-5 command valve (5) to 0 psi and the spring pressure downshifts the valve to its initial position. The line pressure (p-A) is switched to the holding clutch B1 (7) and the end face of the holding valve by the downshifted command valve. The upshifted holding valve also allows the remaining pressure in clutch K1 (6) to be vented.

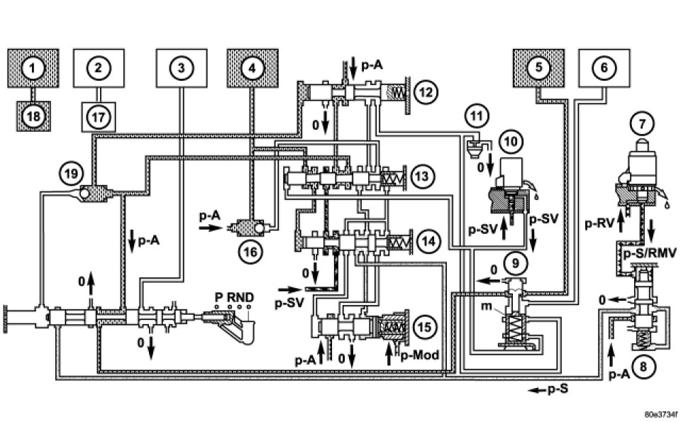
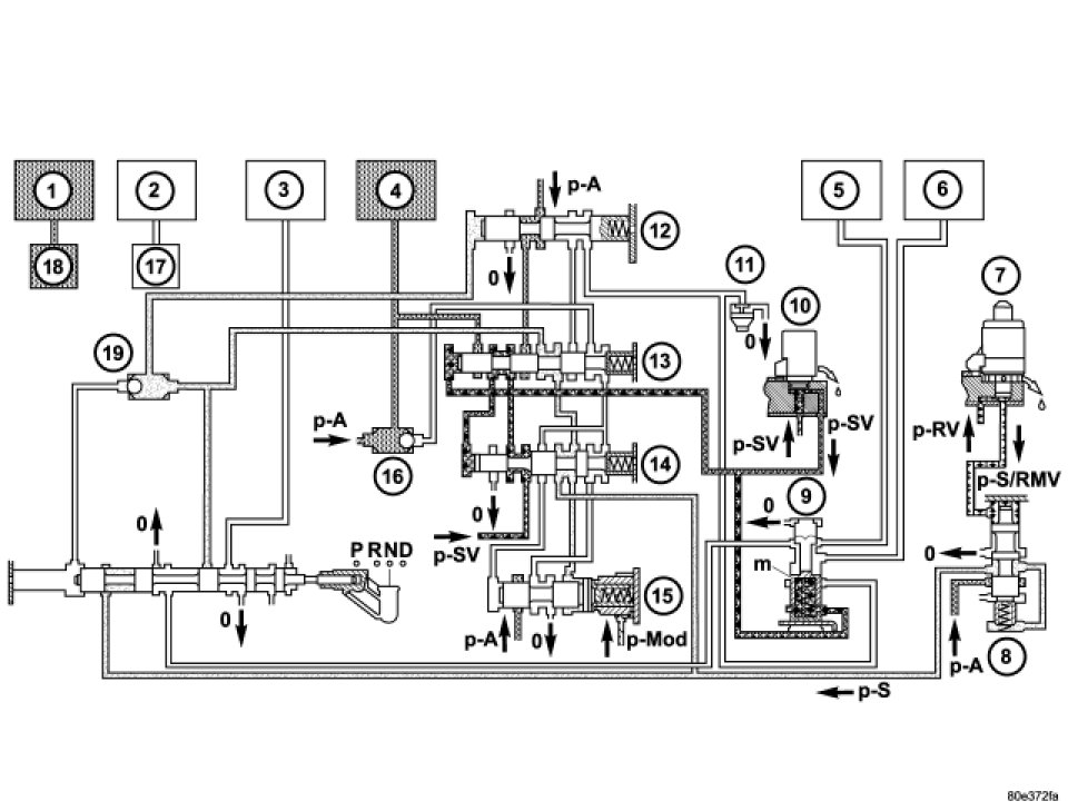
Gear Shift N to D (1st gear) - Engine Started





With the engine started and the gearshift lever in the NEUTRAL or PARK positions, holding clutch B1 (1) and driving clutch K3 (4) are applied and the various valves in the 1-2/4-5 shift group are positioned to apply pressure to the holding clutch B2.

Activation Sequence





The selector valve opens the shift pressure (p-S) feed connection from the ball valve (19) with the shift valve B2 (9). With the shift valve B2 (9) in the upper position, shift pressure (p-S) travels behind the piston B2 (5) and simultaneously to the opposing face of the piston B2 (6). The multiple-disc holding clutch B2 begins to close.

The pressure on the opposing face of the piston B2 (6) ensures a soft activation of the multiple-disc holding clutch B2.

First Gear Engaged





The TCM monitors the activation sequence via the speed of the input shaft, which slows down as the frictional connection in the multiple-disc holding clutch increases. When the speed drops to the specified level, the TCM shuts off the power to the 3-4 shift solenoid valve (10). The spring chamber of the shift valve B2 (9) is depressurized and switches downwards. This connects the line to the opposing face of the piston B2 (6) with the pressure holding valve (11). The pressure on the opposing face of the piston B2 (6) drops to a residual pressure.

The working pressure (p-A) is formed and travels via the 2-3 holding pressure shift valve, the 2-3 command valve and the ball valve (16) to multi-plate clutch K3 (4) and via the 3-4 command valve (13) to the end face of the 3-4 shift pressure shift valve (14). The 3-4 shift pressure shift valve (14) is moved against the force of the spring towards the right. At the same time the 3-4 solenoid valve (10) is energized. This allows shift valve pressure (p-SV) to enter the spring chamber of the shift valve B2 (9) and to reach the end face of the 3-4 command valve (13). The shift valve B2 (9) is held in the upper position and the 3-4 command valve (13) switches towards the right. At the end face of the 3-4 shift pressure shift valve (14) the working pressure (p-A) is replaced by shift valve pressure (p-SV).

The 3-4 command valve (13) moves to the left. Working pressure (p-A) travels via the holding pressure shift valve (12) and the 3-4 command valve (13) to the piston of multiple-disc holding clutch B2 (5).