Operation CHARM: Car repair manuals for everyone.
Manuals through 2025 now available!

Our trusted friends have launched a new website named LEMON, which has newer manuals. It also contains all the CHARM manuals.

LEMON is the spiritual successor to CHARM, I recommend you try it!

Link: lemon-manuals.la or lemon-manuals.org.ua

(Some people have issue connecting. LEMON is investigating. For now, use Firefox or change your DNS server)

Or, hide this message: temporarily or permanently

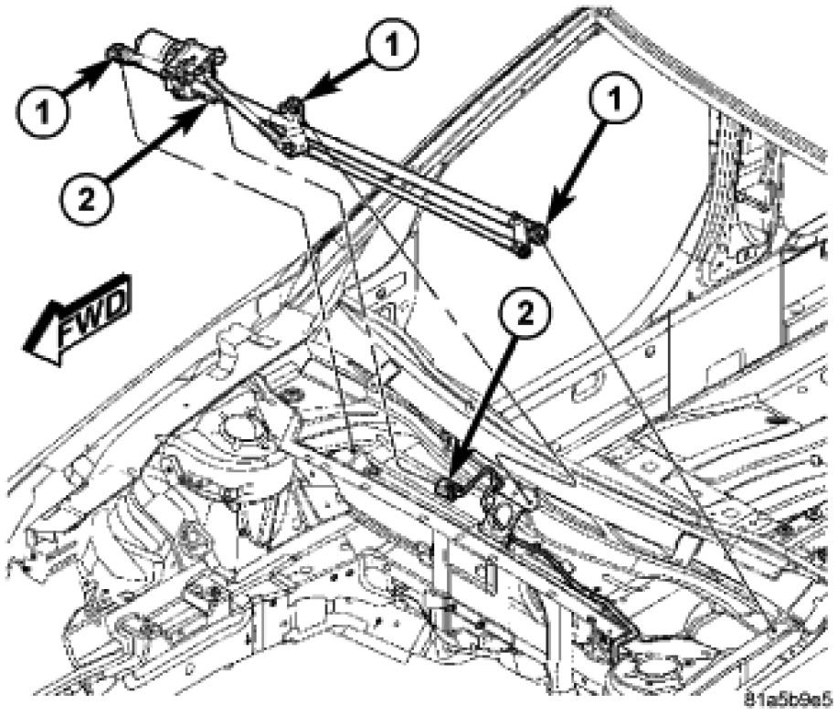
Wiper Module - Removal







REMOVAL





1. Disconnect and isolate the battery negative remote cable.
2. Remove wiper arms and blades Wiper Arms - Removal.
3. Remove the cowl screen Removal.
4. Remove the three wiper motor assembly mounting screws (1).
5. Disconnect wire connector (2) at motor and remove assembly.