Operation CHARM: Car repair manuals for everyone.
Manuals through 2025 now available!

Our trusted friends have launched a new website named LEMON, which has newer manuals. It also contains all the CHARM manuals.

LEMON is the spiritual successor to CHARM, I recommend you try it!

Link: lemon-manuals.la or lemon-manuals.org.ua

(Some people have issue connecting. LEMON is investigating. For now, use Firefox or change your DNS server)

Or, hide this message: temporarily or permanently

A/C Compressor







A/C COMPRESSOR





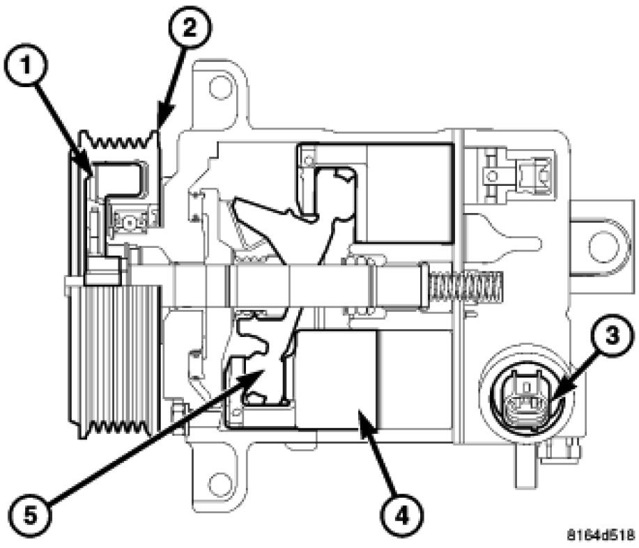
NOTE: Typical clutchless Denso A/C compressor shown.

The 6SEU16 A/C compressor is a variable displacement compressor (VDC) which is driven by the engine through a drive hub (1) and pulley (2). This A/C compressor does not require the use of an electromagnetic clutch, as the compressor uses an integral control solenoid (3) to reduce or increase the stroke of the five pistons (4) within the compressor by automatically adjusting the angle of the swashplate (5).

The A/C compressor draws in low-pressure refrigerant vapor from the A/C evaporator through its suction port. It then compresses the refrigerant into a high-pressure, high-temperature refrigerant vapor, which is then pumped to the A/C condenser through the compressor discharge port. The A/C compressor is lubricated by refrigerant oil that is circulated throughout the refrigerant system with the refrigerant Description.

The A/C compressor is controlled by the powertrain control module (PCM) or engine control module (ECM), depending on engine application. The PCM/ECM calculates compressor displacement required by A/C system load and demand by monitoring vehicle speed, A/C high side pressure, engine speed, evaporator temperature, accelerator pedal position, ambient temperature and A/C-heater request signals. The PCM/ECM then sends a pulse width modulated (PWM) signal to the A/C compressor control solenoid to increase or decrease refrigerant flow through an orifice located within the compressor housing. The amount of refrigerant allowed to pass through the orifice in the compressor determines the head pressure which controls the angle of the swashplate, which in turn, determines the amount of compressor displacement. When there is no demand for A/C, the swashplate is adjusted to nearly a zero degree angle, which removes compressor torque drag from the engine.

This A/C compressor will reduce the displacement of the compressor based on ambient air temperature. For example; as the outside temperature falls from 27° C (80° F) to 19° C (66° F), the amount of refrigerant flow required through the A/C orifice valve to keep the A/C evaporator cool becomes less, and the swashplate is adjusted to a lower angle, which reduces compressor displacement. However, due to the lower outside air temperature, panel air outlet temperature will not noticeably change.

The A/C compressor control system is diagnosed using a scan tool Testing and Inspection.

CAUTION: Do NOT run the engine with a vacuum pump in operation or with a vacuum present within the A/C system. Failure to follow this caution will result in serious A/C compressor damage.

CAUTION: Be certain to adjust the refrigerant system oil level when replacing an A/C compressor Refrigerant Oil Level. Failure to properly adjust the refrigerant oil level can prevent the A/C system from operating as designed and can cause serious A/C compressor damage.

NOTE: The compressor drive hub and the pulley and bearing assembly can not be serviced separately from the A/C compressor. In the event of drive hub or pulley and bearing assembly damage or failure, the A/C compressor, drive hub and pulley and bearing must be replaced as an assembly.

The A/C compressor cannot be repaired and it must be replaced if found inoperative or damaged. If an internal failure of the A/C compressor has occurred, the A/C accumulator and the A/C liquid line must also be replaced Description and Description and Operation.