Operation CHARM: Car repair manuals for everyone.
Manuals through 2025 now available!

Our trusted friends have launched a new website named LEMON, which has newer manuals. It also contains all the CHARM manuals.

LEMON is the spiritual successor to CHARM, I recommend you try it!

Link: lemon-manuals.la or lemon-manuals.org.ua

(Some people have issue connecting. LEMON is investigating. For now, use Firefox or change your DNS server)

Or, hide this message: temporarily or permanently

Installation







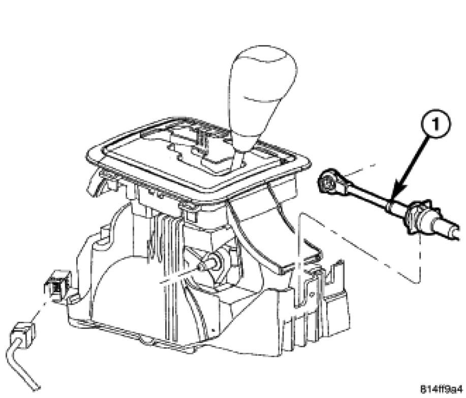
INSTALLATION





1. Install shift mechanism (1) to lower console. Install and torque mechanism-to-console base nuts to 12 Nm (105 in. lbs.).




2. Install gearshift cable (1) to mechanism.




3. Install shift interlock cable (1) to mechanism.




4. Install shift interlock cable to mechanism.
5. Adjust shift interlock cable. Adjustments.
6. Install center console assembly (1).




7. Install PRNDL surround bezel (1).




8. Install gearshift bezel (1).