Transmission Range Sensor - Installation
INSTALLATION
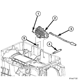
1. Install the park actuator rod (3) into the transmission range sensor (2).
2. Install the mainshaft roll pin (1) to the transmission case (2).
3. Position the transmission range sensor (2) into place in the transmission case.
4. Install the mainshaft (3) into the transmission case.
5. Install the transmission range sensor mounting bolt. Tighten the bolt to 8 Nm (71
NOTE: Before install the TEHCM / valve body assembly to the transmission case, be certain the existing gasket is in place.
6. Install the valve body. Valve Body - Installation.