Operation CHARM: Car repair manuals for everyone.
Manuals through 2025 now available!

Our trusted friends have launched a new website named LEMON, which has newer manuals. It also contains all the CHARM manuals.

LEMON is the spiritual successor to CHARM, I recommend you try it!

Link: lemon-manuals.la or lemon-manuals.org.ua

(Some people have issue connecting. LEMON is investigating. For now, use Firefox or change your DNS server)

Or, hide this message: temporarily or permanently

Crossmember - Installation






INSTALLATION

CAUTION: If the front suspension crossmember is being replaced due to collision damage, inspect the steering column lower coupling for damage.

1. Install the lower control arms on the front suspension crossmember. Install the pivot bolts, but do not completely tighten them at this time.
2. Using the transmission jack, raise the front suspension crossmember and lower control arms until the crossmember contacts its mounting spot against the body and frame rails of the vehicle. As the crossmember is raised, carefully guide the power steering gear into mounting position.
3. Start the two crossmember mounting bolts through the lower control arm rear isolator bushings into the tapping plates mounted in the body. Next, install the two front and the two rear mounting bolts attaching front suspension crossmember to frame rails of vehicle. Lightly tighten all six mounting bolts to approximately 2 Nm (20 in. lbs.) to hold the front suspension crossmember in position at this time.

NOTE: When reinstalling the front suspension crossmember back in the vehicle, it is very important that the crossmember be attached to the body in exactly the same spot as when it was removed. Otherwise, the vehicle's wheel alignment settings (caster and camber) will be lost.











4. Using a soft face hammer, tap the front suspension crossmember back-and-forth or side-to-side until it is aligned with the previously scribed positioning marks (1) on the body of the vehicle. Once the front suspension crossmember is correctly positioned, tighten the two crossmember mounting bolts through the lower control arm rear isolator bushings to a torque of 250 Nm (185 ft. lbs.), then tighten the four remaining crossmember mounting bolts to a torque of 153 Nm (120 ft. lbs.).
5. Tighten the lower control arm front pivot bolts to a torque of 163 Nm (120 ft. lbs.).










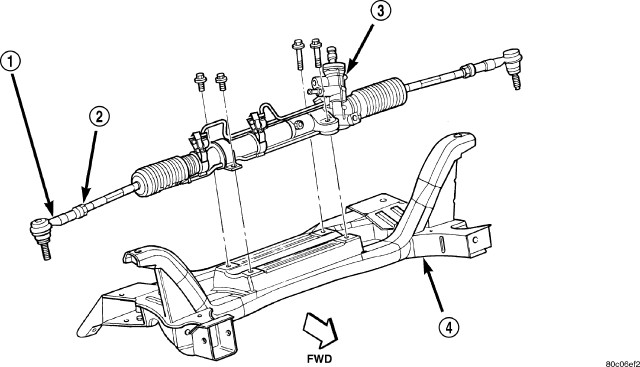
6. Remove the wire or bungee cord suspending the power steering gear (3) to the underbody.
7. Attach the steering gear (3) to the front suspension crossmember (4). Install the four power steering gear mounting bolts. Tighten the mounting bolts to a torque of 61 Nm (45 ft. lbs.).
8. Install the two screws securing the cooler to the front suspension crossmember. They are located behind the cooler.










9. Install each ball joint stud into the steering knuckle aligning the bolt hole in the knuckle boss with the notch formed in the side of the ball joint stud.
10. Install a new ball joint stud pinch bolt (2) and nut (1). Tighten the nut (1) to a torque of 95 Nm (70 ft. lbs.).










11. Fasten the engine torque strut to the right forward corner of the front suspension crossmember using the mounting bolt. Follow the procedure described in the ENGINE service manual area to properly align and tighten the torque strut and it's mounting bolts.
12. Install the washer (4) on the end of the stud extending from the torque strut bolt.
13. Install the pencil strut (2) to the right front corner of the crossmember and body of the vehicle. Tighten the pencil strut nuts (1) to a torque of 58 Nm (43 ft. lbs.).










14. Install the drive-belt splash shield and fasteners (3).
15. Install the screws fastening the front fascia to the reinforcement.

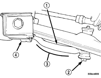
NOTE: Before installing the stabilizer bar, make sure the bar is not upside-down. The stabilizer bar must be installed with the curve on the outboard ends of the bar facing downward to clear the control arms once fully installed.










16. First, place the stabilizer bar (1) in position on the front suspension crossmember. The slits in each cushion must point toward the front of the vehicle and sit directly on top of the raised beads formed into the stamping on the crossmember. Next, install the cushion retainers (4), matching the raised beads formed into the cushion retainers (4) to the grooves formed into the cushions. Install the cushion retainer bolts, but do not completely tighten them at this time.
17. Install both stabilizer bar links back on vehicle. Start each stabilizer bar link bolt with bushing from the bottom, through the stabilizer bar, inner link bushings, lower control arm, and into the upper retainer/nut and bushing. Do not fully tighten the link assemblies at this time.
18. Install the tire and wheel assemblies back on vehicle. Tighten the wheel mounting nuts to 135 Nm (100 ft. lbs.) torque.
19. Lower the vehicle.

NOTE: It may be necessary to put the vehicle on a platform hoist or alignment rack to gain access to the stabilizer bar mounting bolts with the vehicle at curb height.











20. Tighten each stabilizer bar link (4) by holding the upper retainer/nut with a wrench and turning the link bolt. Tighten each link bolt to a torque of 28 Nm (20 ft lbs.).
21. Tighten the stabilizer bar cushion retainer (1) bolts to a torque of 28 Nm (20 ft. lbs.).
22. Check the front wheel alignment on the vehicle.