Operation CHARM: Car repair manuals for everyone.
Manuals through 2025 now available!

Our trusted friends have launched a new website named LEMON, which has newer manuals. It also contains all the CHARM manuals.

LEMON is the spiritual successor to CHARM, I recommend you try it!

Link: lemon-manuals.la or lemon-manuals.org.ua

(Some people have issue connecting. LEMON is investigating. For now, use Firefox or change your DNS server)

Or, hide this message: temporarily or permanently

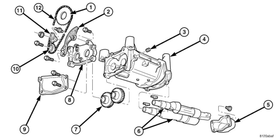
Balance Shaft Module - Installation







INSTALLATION

BALANCE SHAFT INSTALLATION/TIMING





Balance shaft (6) and carrier (4) assembly installation is the reverse of the removal procedure. During installation crankshaft-to-balance shaft timing must be established. Refer to Timing procedure.

1. With balance shafts (6) installed in carrier (4) position carrier on crankcase and install four attaching bolts and tighten to 54 Nm (40 ft. lbs.).




2. Turn balance shafts until both shaft key ways are up (1), parallel to vertical centerline of engine. Install short hub drive gear on sprocket driven shaft and long hub gear on gear driven shaft. After installation gear and balance shaft keyways must be up (1) with gear timing marks meshed (2) as shown.
3. Install gear cover and tighten double ended stud/washer fastener to 12 Nm (105 in. lbs.).




4. Align flat on balance shaft drive sprocket to the flat on crankshaft (1).




5. Install balance shaft drive sprocket on crankshaft using Balance Shaft Sprocket Installer 6052 (2).




6. Turn crankshaft until number 1 cylinder is at top dead center (TDC). The timing marks on the chain sprocket (1) should line up with the parting line (5) on the left side of number one main bearing cap.
7. Place chain over crankshaft sprocket so that the plated link of the chain is over the number 1 cylinder timing mark on the balance shaft crankshaft sprocket.
8. Place balance shaft sprocket into the timing chain and align the timing mark on the sprocket (dot) with the (lower) plated link on the chain.




NOTE: The lower plated link(4) is 8 links from the upper link (6).

9. With balance shaft keyways pointing up (2) (12 o'clock) slide the balance shaft sprocket onto the nose of the balance shaft. The balance shaft may have to be pushed in slightly to allow for clearance.

NOTE: The timing mark on the sprocket, the (lower) nickel plated link, and the arrow on the side of the gear cover should line up when the balance shafts are timed correctly.

10. If the sprockets are timed correctly, install the balance shaft bolts and tighten to 28 Nm (250 in. lbs.). A wood block placed between crankcase and crankshaft counterbalance will prevent crankshaft and gear rotation.




11. CHAIN TENSIONING:
a. Install chain tensioner (2) loosely assembled with new adjuster screw and shouldered pivot screw.
b. Position guide on double ended stud making sure tab on the guide fits into slot on the gear cover. Install and tighten nut/washer assembly to 12 Nm (105 in. lbs.).
c. Place a shim (1) 1 mm (0.039 in.) thick x 70 mm (2.75 in.) long between tensioner and chain. Push tensioner and shim up against the chain. Apply firm pressure 2.5-3 Kg (5.5-6.6 lbs.) directly behind the adjustment slot to take up all slack. Chain must have shoe radius contact as shown.
d. With the load applied, tighten top tensioner adjuster bolt (2) first, then bottom shouldered pivot bolt (3). Tighten bolts to 12 Nm (105 in. lbs.). Remove shim (1).
e. Install carrier covers and tighten screws to 12 Nm (105 in. lbs.).
12. If removed, install oil pump Engine Oil Pump - Installation.
13. Install pick-up tube and oil pan Engine Oil Pan - Installation.
14. Fill engine crankcase with proper oil to correct level.