Operation CHARM: Car repair manuals for everyone.
Manuals through 2025 now available!

Our trusted friends have launched a new website named LEMON, which has newer manuals. It also contains all the CHARM manuals.

LEMON is the spiritual successor to CHARM, I recommend you try it!

Link: lemon-manuals.la or lemon-manuals.org.ua

(Some people have issue connecting. LEMON is investigating. For now, use Firefox or change your DNS server)

Or, hide this message: temporarily or permanently

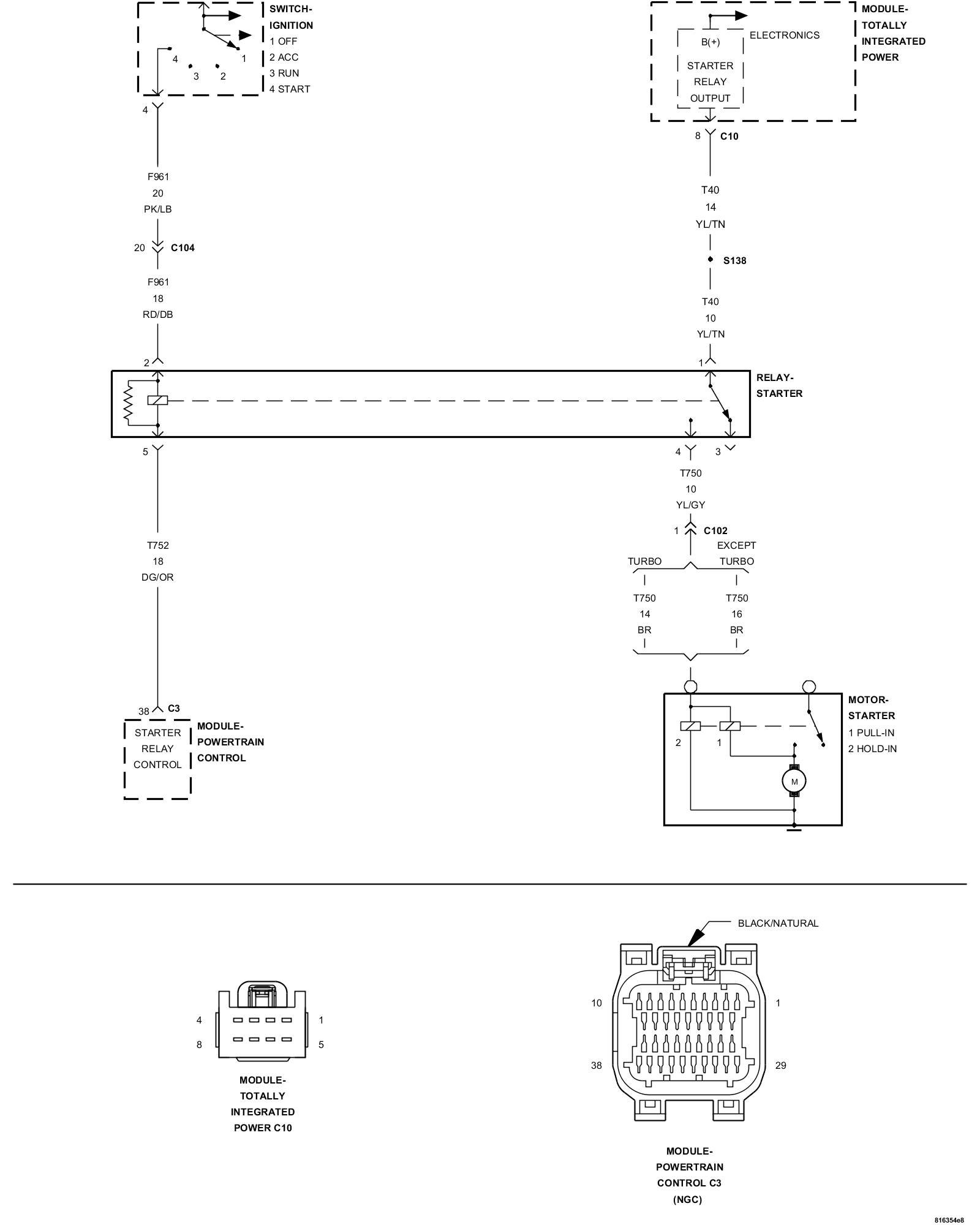
Engine Will Not Crank






NO CRANK CONDITION





For a complete wiring diagram, refer to the Wiring Information Electrical Diagrams.






1. MECHANICAL CONDITION

NOTE: Verify the battery is fully charged and capable of passing a load test before continuing.

WARNING: Make sure the battery is disconnected, then wait two minutes before proceeding. Failure to do so may result in possible serious or fatal injury.

1. Turn the engine over by hand to make sure the engine is not seized.

Is the engine able to turn over?

Yes

- Go To 2

No

- Repair the mechanical condition preventing the starter motor from cranking.
- Perform the POWERTRAIN VERIFICATION TEST. Powertrain Verification Test

2. EXCESSIVE RESISTANCE IN THE BATTERY CIRCUIT
1. Turn the ignition off.
2. Check the Battery Cables for excessive resistance using the service information procedure.

Did either Battery Cable have a voltage drop greater than 0.2 of a volt?

Yes

- Repair the excessive resistance in the Battery circuit.
- Perform the POWERTRAIN VERIFICATION TEST. Powertrain Verification Test

No

- Go To 3

3. STARTER RELAY
1. Turn ignition off.
2. Remove the Starter Relay from IPM.

CAUTION: The Parking Brake must be on and the Transmission must be in park for a vehicle equipped with an automatic transmission.

WARNING: When the engine is operating, do not stand in direct line with the fan. Do not put your hands near the pulleys, belts or fan. Do not wear loose clothing. Failure to follow these instructions may result in possible serious or fatal injury.

3. Briefly connect a jumper wire between Fused B+ circuit and the (T750) Starter Relay Output circuit.

Did the Starter Motor crank the engine?

Yes

- Go To 4

No

- Go To 6

4. (F961) FUSED IGNITION SWITCH OUTPUT CIRCUIT
1. Ignition on, engine not running.
2. Using a 12-volt test light, probe the (F961) Fused Ignition Switch Output circuit in the Starter Relay connector.
3. While observing 12-volt test light, hold ignition key in the start position.

Does the test light illuminate brightly?

Yes

- Go To 5

No

- Repair the excessive resistance in the (F961) Fused Ignition Switch Output circuit. Inspect related fuses and repair as necessary.
- Perform the POWERTRAIN VERIFICATION TEST. Powertrain Verification Test

5. (T752) STARTER RELAY CONTROL CIRCUIT OPEN
1. Turn the ignition off.
2. Disconnect the PCM harness connectors.
3. Measure the resistance in the (T752) Starter Relay Control circuit from the Relay terminal to the appropriate terminals of special tool #8815.

Is the resistance below 5.0 ohms?

Yes

- Replace the Starter Motor Relay.
- Perform the POWERTRAIN VERIFICATION TEST. Powertrain Verification Test

No

- Repair the open in the (T752) Starter Relay Control circuit.
- Perform the POWERTRAIN VERIFICATION TEST. Powertrain Verification Test

6. FUSED B+ CIRCUIT OPEN
1. Turn the ignition off.
2. Using a 12-volt test light connected to ground, probe the Fused B+ circuit at the Starter Relay terminal.

Does the test light illuminate brightly?

Yes

- Go To 7

No

- Repair the excessive resistance in the Fused B+ circuit. Inspect related fuses and repair as necessary.
- Perform the POWERTRAIN VERIFICATION TEST. Powertrain Verification Test

7. (T750) STARTER RELAY OUTPUT CIRCUIT OPEN
1. Disconnect the Starter Relay Output connector from the Starter Solenoid.
2. Measure the resistance of the (T750) Starter Relay Output circuit between the Relay and the Solenoid harness connector.

Is the resistance below 5.0 ohms?

Yes

- Go To 8

No

- Repair the open in the (T750) Starter Relay Output circuit.
- Perform the POWERTRAIN VERIFICATION TEST. Powertrain Verification Test

8. STARTER

If there are no other possible causes remaining, review repair.

Repair

- Replace the Starter.
- Perform the POWERTRAIN VERIFICATION TEST. Powertrain Verification Test