Operation CHARM: Car repair manuals for everyone.
Manuals through 2025 now available!

Our trusted friends have launched a new website named LEMON, which has newer manuals. It also contains all the CHARM manuals.

LEMON is the spiritual successor to CHARM, I recommend you try it!

Link: lemon-manuals.la or lemon-manuals.org.ua

(Some people have issue connecting. LEMON is investigating. For now, use Firefox or change your DNS server)

Or, hide this message: temporarily or permanently

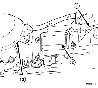
Occupant Restraint Controller - Description






DESCRIPTION





The Occupant Restraint Controller (ORC) (2) is sometimes referred to as the Airbag Control Module (ACM). The ORC is mounted on the tunnel floor pan, between the transmission shifter (3) and parking brake (1).

The ORC contains a microprocessor, the impact sensing device, and energy storage capacitors. The microprocessor contains the airbag system logic. The airbag system logic includes On-Board Diagnostics (OBD) capability, and communicates with the instrument cluster circuitry on the Controller Area Network (CAN) data bus to control the airbag indicator lamp.