Operation CHARM: Car repair manuals for everyone.
Manuals through 2025 now available!

Our trusted friends have launched a new website named LEMON, which has newer manuals. It also contains all the CHARM manuals.

LEMON is the spiritual successor to CHARM, I recommend you try it!

Link: lemon-manuals.la or lemon-manuals.org.ua

(Some people have issue connecting. LEMON is investigating. For now, use Firefox or change your DNS server)

Or, hide this message: temporarily or permanently

Shift Interlock Cable - Installation






INSTALLATION

CAUTION: When installing interlock cable assembly, care must be taken not to bend exposed cable wire and slug at shifter end of cable.




Ignition Key/Switch Positions





1. Route interlock cable through hole in instrument panel below steering column and around to gear shifter assembly.
2. Turn the ignition key to the "OFF" or "ON/RUN" position.










3. Install the interlock cable (2) into the interlock housing at the steering column. Verify the cable snaps into the housing and is fully seated.
4. Return the ignition key to the "LOCK" position.










5. Connect the BTSI solenoid connector (4).










6. Install steering column upper and lower shrouds (1,2).










7. Install steering column lower cover (1).
8. Verify that shifter is in gated "PARK".










9. Install the cable core (1) end to the plastic cam of the shifter mechanism (2). Snap the shifter/ignition interlock cable end fitting into the groove in the gearshift mechanism.
10. Adjust interlock cable/system as follows: If interlock cable is being replaced, it will come with an adjustment pin. Remove the pin from the cable and allow the cable to "self-adjust". Lock cable adjustment by pressing down on the adjuster lock until bottomed at the cable housing. If interlock cable is being re-used, no pin will be provided. Pry up on cable adjuster lock to release and allow cable to "self-adjust". Lock cable adjustment by pressing down on the adjuster lock until bottomed at the cable housing.

11. Connect battery negative cable and verify interlock system operation as follows:














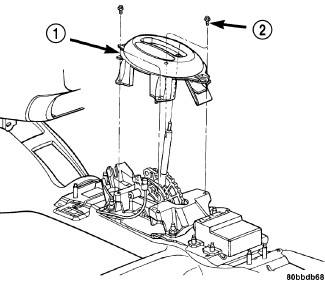
12. Install shifter bezel (1).










13. Install center console assembly (1).










14. Install gearshift knob (1) and tighten set screw (2) to 2 Nm (17 in. lbs.) torque.
15. Connect battery negative cable.