Operation CHARM: Car repair manuals for everyone.
Manuals through 2025 now available!

Our trusted friends have launched a new website named LEMON, which has newer manuals. It also contains all the CHARM manuals.

LEMON is the spiritual successor to CHARM, I recommend you try it!

Link: lemon-manuals.la or lemon-manuals.org.ua

(Some people have issue connecting. LEMON is investigating. For now, use Firefox or change your DNS server)

Or, hide this message: temporarily or permanently

Part 1






ASSEMBLY










CAUTION: The cooler bypass valve must be replaced if transaxle failure has occurred. Do not attempt to reuse or clean old valve.

NOTE: If transaxle is being overhauled (clutch and/or seal replacement), the TCM/PCM Quick Learn procedure must be performed Quick Learn Procedure .

1. Install both output bearing cups using Installer 5050A (3).










2. Install low/reverse piston retainer gasket (2). Make sure gasket holes line up with case (1).










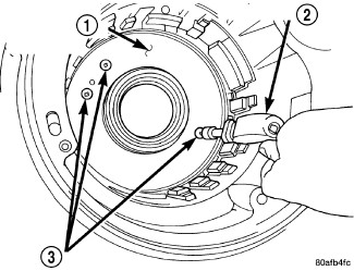
3. Install low/reverse piston retainer (1).










4. Install low/reverse piston retainer-to-case screws (3) and tighten to 5 Nm (45 in. lbs.).










NOTE: The Low/Reverse Clutch Piston has bonded seals which are not individually serviceable. Seal replacement requires replacement of the piston assembly.

5. Install low/reverse clutch piston (1).










6. Park guide bracket assembly - anti-ratchet spring (1), guide bracket (2), split sleeve (3), spacer (4), pawl (5), and stepped spacer (6).










7. Assemble park guide bracket assembly.










8. Install guide bracket (2) into position and insert pivot shaft (3).










9. Install anchor shaft and plug (3). Make sure guide bracket and split sleeve are in contact with the rear of the transaxle case.










10. Install low/reverse piston return spring (1).










11. Install low/reverse spring compressor Disc 6057 (3), Compressor 5059-A (4) and Bar 5058A-3 (5) into position.










12. Compress low/reverse piston and install snap ring. Snap ring opening must be between spring levers (1).










13. Install rear carrier bearing cone using Installer 6053 (2) using an Arbor Press (1).










14. Install rear carrier assembly (1) to transaxle case.










15. Install output gear bearing cone using Installer 5052 (3) Handle C-4171 (2) and an Arbor Press (1).










16. OUTPUT GEAR BEARING ADJUSTMENT:
a. With output gear (3) installed, install a 4.50 mm (0.177 in.) gauging shim (2) on the rear carrier assembly hub (1), using grease to hold the shim in place.
b. Using Holder 6259, install output gear and bearing assembly. Tighten to 271 Nm (200 ft. lbs.).










17. OUTPUT GEAR BEARING ADJUSTMENT: cont.
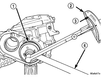
a. Measure bearing end play. Attach Gear Checking Plate L-4432 (1) to the gear (4).
b. Push and pull the gear while rotating back and forth to ensure seating of bearing rollers.
c. Using a Dial Indicator (2) mounted to the transaxle case, measure output gear (4) end play.
d. Refer to the output gear bearing shim chart for the required shim to obtain proper bearing setting.
e. Use Holder 6259 to remove the output gear retaining bolt and washer. To remove the output gear, use Gear Puller L-4407A.
f. Remove the gauging shim and install the proper shim determined by the chart. Use grease to hold the shim in place.

OUTPUT GEAR BEARING SHIM CHART















18. Install the output gear and bearing assembly using Installer 6261 (2).










19. Install NEW output gear retaining bolt (2) and washer (3).










20. Using Holder 6259 (4), tighten output gear retaining bolt to 271 Nm (200 ft. lbs.).










21. Using an Inch Pound Torque Wrench (1), check output shaft turning torque. Output shaft turning torque should be within 3-8 in. lbs. If the turning torque is too high, install a 0.04 mm (0.0016 in.) thicker shim. If the turning torque is too low, install a 0.04 mm (0.0016 in.) thinner shim. Repeat until the proper turning torque of 3-8 in. lbs. is obtained.










22. Install output gear stirrup (1) with serrated side out.










23. Install retaining strap (1).
24. Install strap bolts (3) but do not tighten at this time.










25. Rotate stirrup (2) clockwise against flats of retaining bolt.










26. Tighten stirrup strap bolts to 23 Nm (200 in. lbs.).










27. Bend tabs (1) on strap up against flats of bolts.










28. Install transfer shaft bearing cone using Installer 6052 (1).










NOTE: Insure O-ring is installed on the bearing cup before the cup is installed.

29. Install bearing cup (1) and oil baffle (4) to transfer shaft (3).










30. Using Remover/Installer 5049-A (1), install transfer shaft (2).










31. Using Snap Ring Pliers 6051A (1), install transfer shaft bearing snap ring (2).










32. Install transfer shaft bearing cup into retainer (4) using Installer 6061 (3).










33. Install bearing cup retainer (2) to transaxle.










34. Install transfer gear bearing cone to transfer gear (4) using Installer 5052, (5) Handle C-4171 and an Arbor Press.