Operation CHARM: Car repair manuals for everyone.
Manuals through 2025 now available!

Our trusted friends have launched a new website named LEMON, which has newer manuals. It also contains all the CHARM manuals.

LEMON is the spiritual successor to CHARM, I recommend you try it!

Link: lemon-manuals.la or lemon-manuals.org.ua

(Some people have issue connecting. LEMON is investigating. For now, use Firefox or change your DNS server)

Or, hide this message: temporarily or permanently

Crankshaft Position Sensor: Service and Repair

Removal Procedure




1. Disconnect the negative battery cable.
2. Remove the power steering pump, if equipped. Refer to Power Steering Pump.
3. Remove the A/C compressor. Refer to Automatic Temperature Control Heating, Ventilation, and Air Conditioning System.
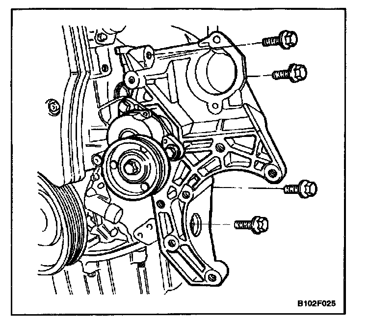
4. Remove the rear A/C compressor mounting bracket bolts and the rear A/C compressor mounting bracket.
5. Remove the accessory mounting bracket by removing the bolts.




6. Disconnect the crankshaft position (CKP) sensor connector.
7. Remove the CKP sensor retaining bolt.
8. Gently rotate and remove the CKP sensor from the engine block.




Installation Procedure
1. Insert the CKP sensor into the engine block.
2. Install the CKP sensor retaining bolt.

Tighten
Tighten the crankshaft position sensor retaining bolt to 58 lb-in (6.5 N.m).

3. Connect the CKP sensor connector.
4. Install the accessory mounting bracket with the bolts.

Tighten
Tighten the accessory mounting bracket bolts to 26 lb-ft (35 N.m).




5. Install the rear A/C mounting bracket.

Tighten
Tighten the rear A/C mounting bracket bolts to 26 lb-ft (35 N.m).

6. Install the A/C compressor. Refer to Automatic Temperature Control Heating, Ventilation, and Air Conditioning System.
7. Install the power steering pump. Refer to Power Steering Pump.
8. Connect the negative battery cable.