Operation CHARM: Car repair manuals for everyone.
Manuals through 2025 now available!

Our trusted friends have launched a new website named LEMON, which has newer manuals. It also contains all the CHARM manuals.

LEMON is the spiritual successor to CHARM, I recommend you try it!

Link: lemon-manuals.la or lemon-manuals.org.ua

(Some people have issue connecting. LEMON is investigating. For now, use Firefox or change your DNS server)

Or, hide this message: temporarily or permanently

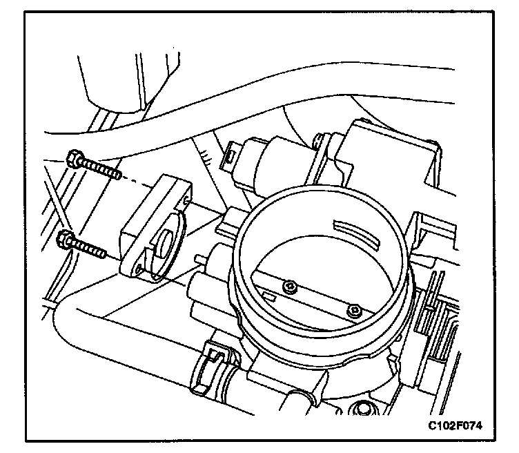
Throttle Position Sensor: Service and Repair




Removal Procedure
1. Disconnect the negative battery cable.
2. Remove the air intake tube and resonator.
3. Disconnect the throttle position (TP) sensor connector.
4. Remove the TP sensor retaining bolts and the TP sensor.




Installation Procedure
1. With the throttle valve closed, position the TP sensor on the throttle shaft. Align the TP sensor with the bolt holes.
2. Install the TP sensor retaining bolts.

Tighten
Tighten the throttle position sensor retaining bolts to 18 lb-in (2 N.m).

3. Connect the TP sensor connector.
4. Install the air intake tube and resonator.
5. Connect the negative battery cable.