Operation CHARM: Car repair manuals for everyone.
Manuals through 2025 now available!

Our trusted friends have launched a new website named LEMON, which has newer manuals. It also contains all the CHARM manuals.

LEMON is the spiritual successor to CHARM, I recommend you try it!

Link: lemon-manuals.la or lemon-manuals.org.ua

(Some people have issue connecting. LEMON is investigating. For now, use Firefox or change your DNS server)

Or, hide this message: temporarily or permanently

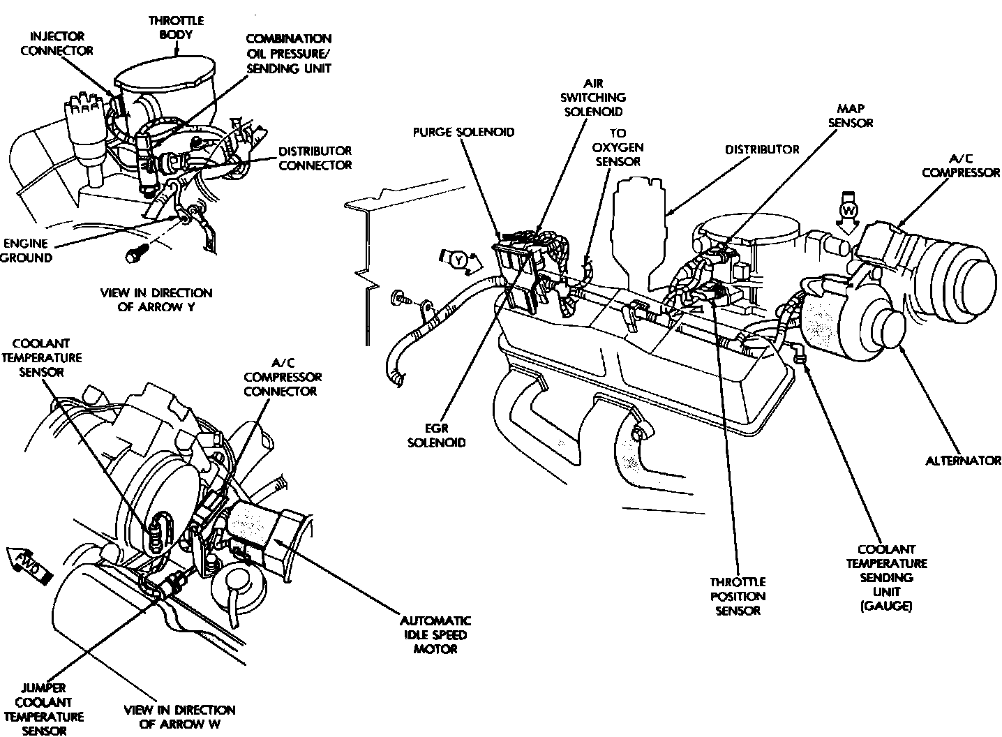
Component Locations

Engine Components.:




Front LH Side Of Engine, Behind A/C Compressor

Applicable to: 1992 3.9L/V6-238 & 5.2L/V8-318

Engine Components.:




Front LH Side Of Engine, Behind A/C Compressor

Applicable to: 1991 5.2L/V8-318