Operation CHARM: Car repair manuals for everyone.
Manuals through 2025 now available!

Our trusted friends have launched a new website named LEMON, which has newer manuals. It also contains all the CHARM manuals.

LEMON is the spiritual successor to CHARM, I recommend you try it!

Link: lemon-manuals.la or lemon-manuals.org.ua

(Some people have issue connecting. LEMON is investigating. For now, use Firefox or change your DNS server)

Or, hide this message: temporarily or permanently

Timing Belt: Service and Repair

REMOVAL

Lower Timing Belt Cover Trim Dimensions:




1. Remove upper and lower timing belt covers, then trim lower timing belt cover as shown. Do not trim more than amount illustrated; removal of an excessive amount of material will result in unwanted exposure of timing belt.
2. Raise and support vehicle, then remove right inner splash shield.
3. Remove engine drive belts, then the crankshaft pulley and water pump pulley retaining bolts.
4. Remove crankshaft and water pump pulleys.

Timing Belt Cover Removal:




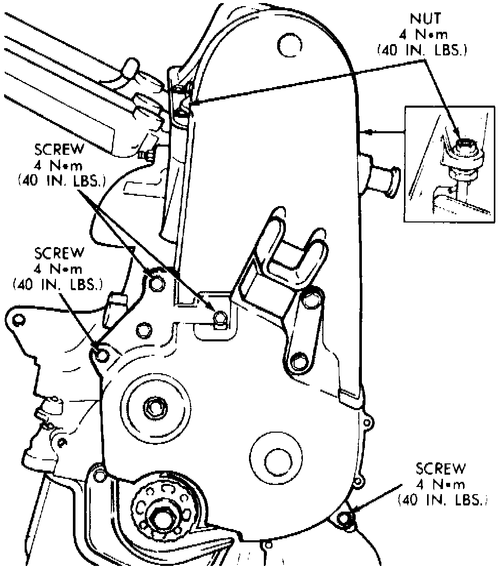
5. Lower vehicle, then remove nuts securing cover to cylinder head and cylinder block.
6. Position a suitable jack under engine, then remove right hand engine mount bolt and raise engine slightly.

Crankshaft & Intermediate Shaft Timing Mark Alignment:





Camshaft Timing Mark Alignment:




7. Rotate crankshaft to align timing marks as shown.

Timing Belt Tensioner:




8. Loosen timing belt tensioner, then remove timing belt.


Crankshaft Sprocket Replacement:





Camshaft & Intermediate Shaft Sprocket Replacement:




9. If necessary, remove crankshaft sprocket using special tools shown and refer to illustration for removal and installation of camshaft and intermediate shaft sprockets.

Crankshaft, Intermediate Shaft & Camshaft Oil Seal Removal-:




10. Refer to illustration for removal of crankshaft, intermediate shaft or camshaft seals.



INSTALLATION
1. Rotate crankshaft and intermediate shaft until markings on sprockets are aligned.
2. Rotate camshaft until arrows on hub are aligned with No. 1 camshaft cap to cylinder head line. Small hole must be located along vertical center line.
3. Install timing belt.
4. Remove spark plugs, then ensure crankshaft is at Top Dead Center (TDC) position.

Timing Belt Tension Adjustment:




5. Loosen tensioner locknut using belt tensioner tool No. C-4703, or equivalent.
6. Reset belt tension so belt tensioning tool axis is within 15° of horizontal.
7. Rotate crankshaft two revolutions in clockwise direction and position at TDC, then tighten tensioner locknut.
8. Rotate crankshaft two full revolutions and recheck timing. Do not allow oil or solvents to contact timing belt since they will deteriorate the rubber and cause tooth slippage.


Crankshaft, Intermediate Shaft & Camshaft Oil Seal Installation:




9. Reverse remaining removal steps to complete installation. Refer to illustration for crankshaft, intermediate shaft and camshaft oil seal installation.