Operation CHARM: Car repair manuals for everyone.
Manuals through 2025 now available!

Our trusted friends have launched a new website named LEMON, which has newer manuals. It also contains all the CHARM manuals.

LEMON is the spiritual successor to CHARM, I recommend you try it!

Link: lemon-manuals.la or lemon-manuals.org.ua

(Some people have issue connecting. LEMON is investigating. For now, use Firefox or change your DNS server)

Or, hide this message: temporarily or permanently

Component Tests and General Diagnostics

Fig. 31 PCV Vacuum Nipple:






1. Turn ignition key off.
2. Disconnect the PCV valve hose from the intake manifold nipple (Fig. 31). Cap the PCV vacuum nipple.

Fig. 32 Purge Hose:






3. Disconnect purge hose from the nipple on the throttle body (Fig. 32).

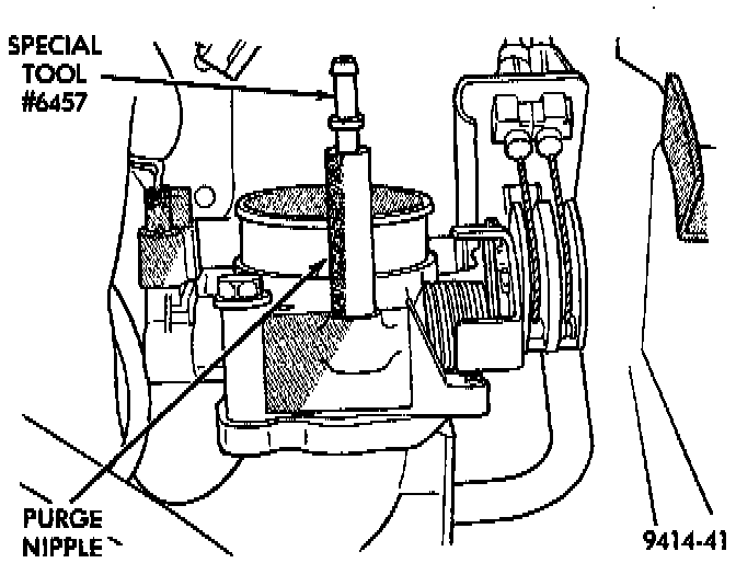
Fig. 33 Orifice 6457 Attached To Purge Nipple:






4. Use a piece of hose to attach Air Metering Orifice 6457 (0.125 in. orifice) or equivalent, to the purge nipple on the throttle body (Fig. 33).
5. Ensure that all accessories are off.
6. Connect the DRB or equivalent scan tool to the data link connector inside the passenger compartment.
7. Run engine in Park or Neutral until the cooling fan has cycled on and off at least once (180°F).
8. Using the DRB or equivalent scan tool, access Minimum Airflow Idle Speed.
9. The following will then occur:
- Idle air control motor will fully close
- Idle spark advance will become fixed
- PCM will go open loop enriched
- DRB or equivalent scan tool displays engine RPM

10. If idle RPM is within the range shown below, throttle body minimum airflow is set correctly.

Odometer Reading Idle RPM
Below 1,000 Miles 550 - 1,300 RPM
Above 1,000 Miles 600 - 1,300 RPM

11. If idle RPM is above specifications, use the DRB or equivalent scan tool to check idle air control motor operation. If idle air control motor is OK, replace throttle body. If idle air flow is below specification, shut off the engine and clean the throttle body as follows:
a. Remove the throttle body from engine.

WARNING: Clean throttle body in a well ventilated area. Wear rubber or butyl gloves, do not let Mopar parts cleaner come in contact with eyes or skin. Avoid ingesting the cleaner. Wash thoroughly after using cleaner.

b. While holding the throttle open, spray the entire throttle body bore and the manifold side of the throttle plate with Mopar Parts Cleaner. Only use Mopar Parts Cleaner to clean the throttle body.
c. Using a soft scuff pad, clean the top and bottom of throttle body bore and the edges and manifold side of the throttle blade. The edges of the throttle blade and portions of the throttle bore that are closest to the throttle blade when is closed, must be free of deposits.
d. Use compressed air to dry the throttle body.
e. Inspect throttle body for foreign material.
f. Install throttle body on manifold.
g. Repeat steps 1 through 14. If the minimum air flow is still not within specifications, the problem is not caused by the throttle body.
12. Shut off engine.
13. Remove Air Metering Orifice 6457 or equivalent. Install purge hose.
14. Remove cap from PCV valve. Connect hose to PCV valve.
15. Remove DRB or equivalent scan tool.