Operation CHARM: Car repair manuals for everyone.
Manuals through 2025 now available!

Our trusted friends have launched a new website named LEMON, which has newer manuals. It also contains all the CHARM manuals.

LEMON is the spiritual successor to CHARM, I recommend you try it!

Link: lemon-manuals.la or lemon-manuals.org.ua

(Some people have issue connecting. LEMON is investigating. For now, use Firefox or change your DNS server)

Or, hide this message: temporarily or permanently

Outputs

Fig. 11 Relay Location:






AIR CONDITIONING CLUTCH RELAY-PCM OUTPUT
Viper vehicles are available with air conditioning. The PCM operates the air conditioning clutch through the A/C out circuit. The air condition compressor clutch relay is located below the heater blower motor housing (Fig. 11). For information regarding when the air conditioning clutch energizes, refer to Air Conditioning Request - PCM Input. When the coolant temperature reaches 113°C (235°F), the power to the NC compressor clutch is turned off.

AUTOMATIC SHUTDOWN RELAY-PCM OUTPUT
The Automatic Shutdown (ASD) relay supplies battery voltage to the fuel injectors, electronic ignition coil and the heating elements in the oxygen sensors.

The PCM controls the relay by switching the ground path for the solenoid side of the relay on and off. The PCM turns the ground path off when the ignition switch is in the Off position unless the O2 Heater Monitor test is being run. When the ignition switch is in the On or Crank position, the PCM monitors the crankshaft position sensor and camshaft position sensor signals to determine engine speed and ignition timing (coil dwell). If the PCM does not receive the crankshaft position sensor and camshaft position sensor signals when the ignition switch is in the Run position, it will de-energize the ASD relay

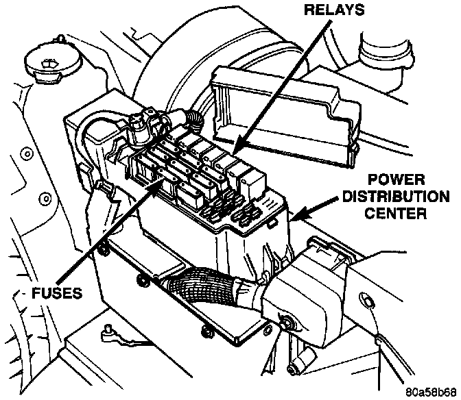
The ASD relay is located in the PDC with all the other relays.

FUEL PUMP RELAY-PCM OUTPUT
The fuel pump relay supplies battery voltage to the fuel pump. A buss bar in the Power Distribution Center (PDC) supplies voltage to the solenoid side and contact side of the relay. The fuel pump relay power circuit contains a 20 amp fuse between the buss bar in the PDC and the relay. The fuse also protects the power circuit for the Automatic Shutdown (ASD) relay. The fuse is located in the PDC. Refer to Wiring Diagrams for circuit information.

The PCM controls the fuel pump relay by switching the ground path for the solenoid side of the relay on and off. The PCM turns the ground path off when the ignition switch is in the Off position. When the ignition switch is in the On position, the PCM energizes the fuel pump. If the crankshaft position sensor does not detect engine rotation, the PCM de-energizes the relay after approximately one second.

The fuel pump relay is located in the PDC. The inside top of the PDC cover has a label showing relay and fuse location.

Fig. 12 Canister Purge Solenoid:






EVAP PURGE SOLENOID-PCM OUTPUT
The EVAP purge solenoid controls the vacuum source for the EVAP canister (Fig. 12). The PCM regulates the EVAP purge solenoid.

The PCM operates the solenoid by switching the ground circuit on and off based on engine operating conditions. When energized, the solenoid prevents vacuum from reaching the evaporative canister. When not energized the solenoid allows vacuum to flow to the canister.

When the PCM grounds the solenoid, it energizes and vacuum does not operate the evaporative canister valve. The PCM removes the ground to the solenoid when the engine reaches a specified temperature and the time delay interval has occurred. When the solenoid de-energizes, vacuum flows to the canister purge valve. Vapors are purged from the canister and flow to the throttle body.

The purge solenoid also energizes during certain idle conditions to update the fuel delivery calibration.

Fig. 13 Idle Air Control Motor:






IDLE AIR CONTROL MOTOR-PCM OUTPUT
The idle air control motor is mounted at the front right of the intake manifold (Fig. 13). The motor controls air flow through a passage connected to both intake manifold plenums. The PCM operates the idle air control motor. The PCM adjusts engine idle speed through the idle air control motor to compensate for engine load or ambient conditions.

The idle air control motor pintle protrudes into a housing connected to the idle air passage. The pintle controls air flow through the intake manifold while the engine idles. By extending or retracting the pintle, the PCM controls adjusts idle speed for different operating conditions.

The PCM adjusts the idle air control motor based on inputs it receives. The inputs affecting idle speed include throttle position, crankshaft position, engine coolant temperature, plus brake switch and air conditioning request signals. By increasing airflow when the throttle blade closes quickly at road speeds, the PCM prevents deceleration die out.

Fig. 14 Data Link Connector:






DATA LINK CONNECTOR-PCM OUTPUT
The data link connector (diagnostic connector) links the DRB scan tool with the PCM (Fig. 14). The data link connector is located inside the vehicle, below instrument panel to the left of the clutch pedal.

FUEL INJECTORS-PCM OUTPUT
The fuel injection system uses bottom feed injectors. Fuel enters the bottom of the injector from a passage in the intake manifold. The Auto Shutdown (ASD) relay supplies battery voltage to the injectors. The PCM controls the ground paths to the injectors. By switching the ground paths on and off; the PCM can fine-tune injector pulse width. Injector pulse width refers to the amount of time an injector operates. The PCM operates all injectors.

The PCM determines injector synchronization from the camshaft position sensor and crankshaft position sensor inputs. The PCM grounds the ASD and fuel pump relays after receiving the camshaft position sensor and crankshaft position sensor inputs.

The PCM energizes the injectors in a sequential order during all engine operating conditions.

Fig. 15 Coil Packs:






IGNITION COIL-PCM OUTPUT

WARNING: The electronic ignition system generates approximately 40,000 volts. Personal injury could result from contact with this system.

The electronic ignition system uses two epoxy filled coil packs mounted on brackets on the rear of the engine (Fig. 15). The coil pack on the left side, contains three separate coils and fires cylinders 1, 2, 3, 4, 6, and 7. The coil pack on the right side, contains two individual coils and fires cylinders 5, 8, 9, and 10. When one of the coils discharges, it fires two cylinders at the same time (one cylinder on its compression stroke, the other on its exhaust stroke).

The PCM energizes the individual coils in each pack by providing a ground path to the particular coil. The PCM determines cylinder identification from the crankshaft position sensor and camshaft position sensor inputs.

MALFUNCTION INDICATOR (CHECK ENGINE) LAMP-PCM OUTPUT
The PCM supplies the malfunction indicator (check engine) lamp on/off signal to the instrument panel through the CCD Bus. The CCD Bus is a communications port. Various modules use the CCD Bus to exchange information.

The Check Engine lamp comes on each time the ignition key is turned ON and stays on for 3 seconds as a bulb test.

The Malfunction Indicator Lamp (MIL) stays on continuously, when the PCM has entered a Limp-In mode or identified a failed emission component. During Limp-in Mode, the PCM attempts to keep the system operational. The MIL signals the need for immediate service. In limp-in mode, the PCM compensates for the failure of certain components that send incorrect signals. The PCM substitutes for the incorrect signals with inputs from other sensors.

If the PCM detects active engine misfire severe enough to cause catalyst damage, it flashes the MIL. At the same time the PCM also sets a Diagnostic Trouble Code (DTC).

The MIL can also display diagnostic trouble codes. Cycle the ignition switch on, off, on, off, on, within 5 seconds and any diagnostic trouble codes stored in the PCM will be displayed.

RADIATOR FAN ON RELAY-PCM OUTPUT
The radiator fan ON relay energizes when the PCM provides a ground to the relay. The radiator fan relay is located below the heater blower motor housing. The PCM grounds the radiator fan relay when engine coolant exceeds 97°C (207°F). The PCM turns the fan off when coolant temperature drops to 94°C (201~F). Also, the PCM energizes the ON relay whenever the A/C system operates.

RADIATOR FAN LOW/HIGH RELAY-PCM OUTPUT
The radiator fan LOW/HIGH relay works in conjunction with the radiator fan ON relay. If the coolant temperature is below 102°C (216°F) the current flow for the fan is through the normally closed contacts of the LOW/HIGH relay. If the coolant temperature is above 102°C (216°F) the PCM grounds the LOW/HIGH relay and the radiator fan changes to high speed. The PCM turns off high speed fan operation when coolant temperature drops to 102°C (216°F). The low speed will continue until temperature drops below 94°C (201°F). Cooling fan turns off at 77 mph, when accelerating, and turns back on at 67 mph.

Fig. 10 Vehicle Speed Sensor; Skip Shift Solenoid and Reverse Lockout Fig 10 Solenoid:






REVERSE LOCKOUT SOLENOID
The reverse lockout solenoid prevents the operator from shifting into reverse when the vehicle is speed is greater than 5 mph. When vehicle speed is less than 5 mph the PCM provides a ground for the solenoid (energized) and allows shifting. When vehicle speed is greater than 5 mph the solenoid is deactivated and prevents the transmission from being shifted into reverse (Fig. 10).

FIRST TO FOURTH GEAR SHIFT INDICATOR LAMP-PCM OUTPUT
The PCM operates the first gear to fourth gear shift lamp. The lamp informs the driver to shift into fourth gear on the next transmission upshift. The PCM illuminates the shift lamp when the following conditions have been met:
- Vehicle speed between 12 and 18 mph
- Transmission in first gear
- Engine speed greater than 608 RPM
- Throttle position less than 23 percent (less than 0.68 volts over closed throttle TPS voltage)
- Coolant temperature above 41°C (106°F)

Fig. 13 Idle Air Control Motor:






SKIP SHIFT SOLENOID-PCM OUTPUT
The skip shift solenoid prevents the operator from shifting into second or third gear during certain conditions. The PCM controls the skip shift solenoid (Fig. 13). The PCM locks out second and third gear when all of the following conditions are met:
- Engine coolant exceeds 41°C (106°F)
- Vehicle speed is between 12 and 18 MPH
- Engine operating above 608 RPM
- The PCM verified first gear speed/RPM
- Throttle position sensor (TPS) signal is less than 0.068 volt above closed throttle (23 percent throttle opening)

The solenoid resets when vehicle speed drops below 2 MPH.

SCI RECEIVE-PCM INPUT
SCI Receive is the serial data communication receive circuit for the DRB scan tool. The Powertrain Control Module (PCM) receives data from the DRB through the SCI Receive circuit.

TACHOMETER-PCM OUTPUT
The PCM operates the tachometer on the instrument panel. The PCM calculates engine RPM from the crankshaft position sensor input.