Operation CHARM: Car repair manuals for everyone.
Manuals through 2025 now available!

Our trusted friends have launched a new website named LEMON, which has newer manuals. It also contains all the CHARM manuals.

LEMON is the spiritual successor to CHARM, I recommend you try it!

Link: lemon-manuals.la or lemon-manuals.org.ua

(Some people have issue connecting. LEMON is investigating. For now, use Firefox or change your DNS server)

Or, hide this message: temporarily or permanently

Main Relay (Computer/Fuel System): Description and Operation

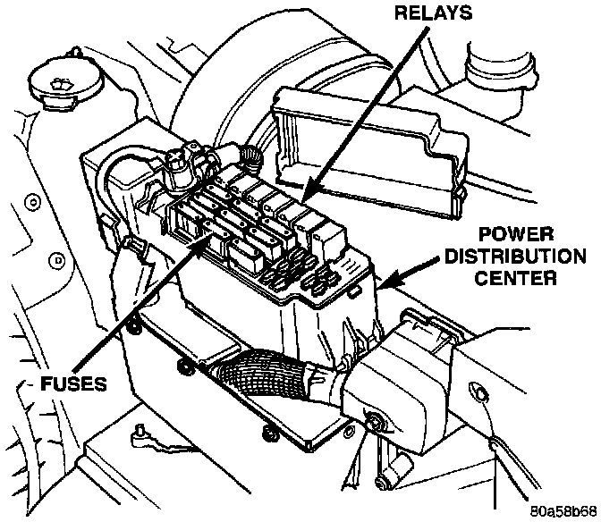
Fig 5 Power Distribution Center:






AUTOMATIC SHUTDOWN RELAY
The relay is located in the Power Distribution Center (PDC) (Fig. 5). For the location of the relay within the PDC, refer to the PDC cover for location. Check electrical terminals for corrosion and repair as necessary.

AUTOMATIC SHUTDOWN (ASD) SENSE-PCM INPUT
The ASD sense circuit informs the PCM when the ASD relay energizes. A 12 volt signal at this input indicates to the PCM that the ASD has been activated. This input is used only to sense that the ASD relay is energized.

When energized, the ASD relay supplies battery voltage to the fuel injectors, ignition coils and the heating element in each oxygen sensor. If the PCM does not receive 12 volts from this input after grounding the ASD relay it sets a Diagnostic Trouble Code (DTC).

CIRCUIT OPERATION
Automatic Shut Down Relay
The Automatic Shut Down (ASD) relay is located in the Power Distribution Center (PDC). Power for the coil side of the ASD relay is supplied on circuit F12. This circuit is HOT when the ignition switch is in the START or RUN position and protected by a 10 amp fuse located in cavity 10 of the fuse block.

Ground for the coil side of the relay is controlled by the Powertrain Control Module (PCM) on circuit K51. This circuit connects to cavity C3 of the PCM.

Power for the contact side of the relay is supplied on circuit A14. This circuit is HOT at all times and protected by a 20 amp fuse located in cavity 15 of the PDC.

When the relay is energized, the contacts in the relay CLOSE connecting circuits A14 and A142. The A142 circuit supplies power to the fuel injectors, ignition coils, generator, and a ASD relay energized signal to the PCM. The A142 circuit connects to cavity C12 of the PCM.

Circuit A142 is spliced internal to the PDC and is used to supply power to fuse 1, a 15 amp. This fuse supplies power to the heated oxygen sensors on circuit F142.