Central Timer Module
8w-45-2:
Central Timer Module
Fuse 4 (JB)
Fuse 16 (JB)
Fuse 17 (JB)
G 201
G 203
Joint Connector No. 1
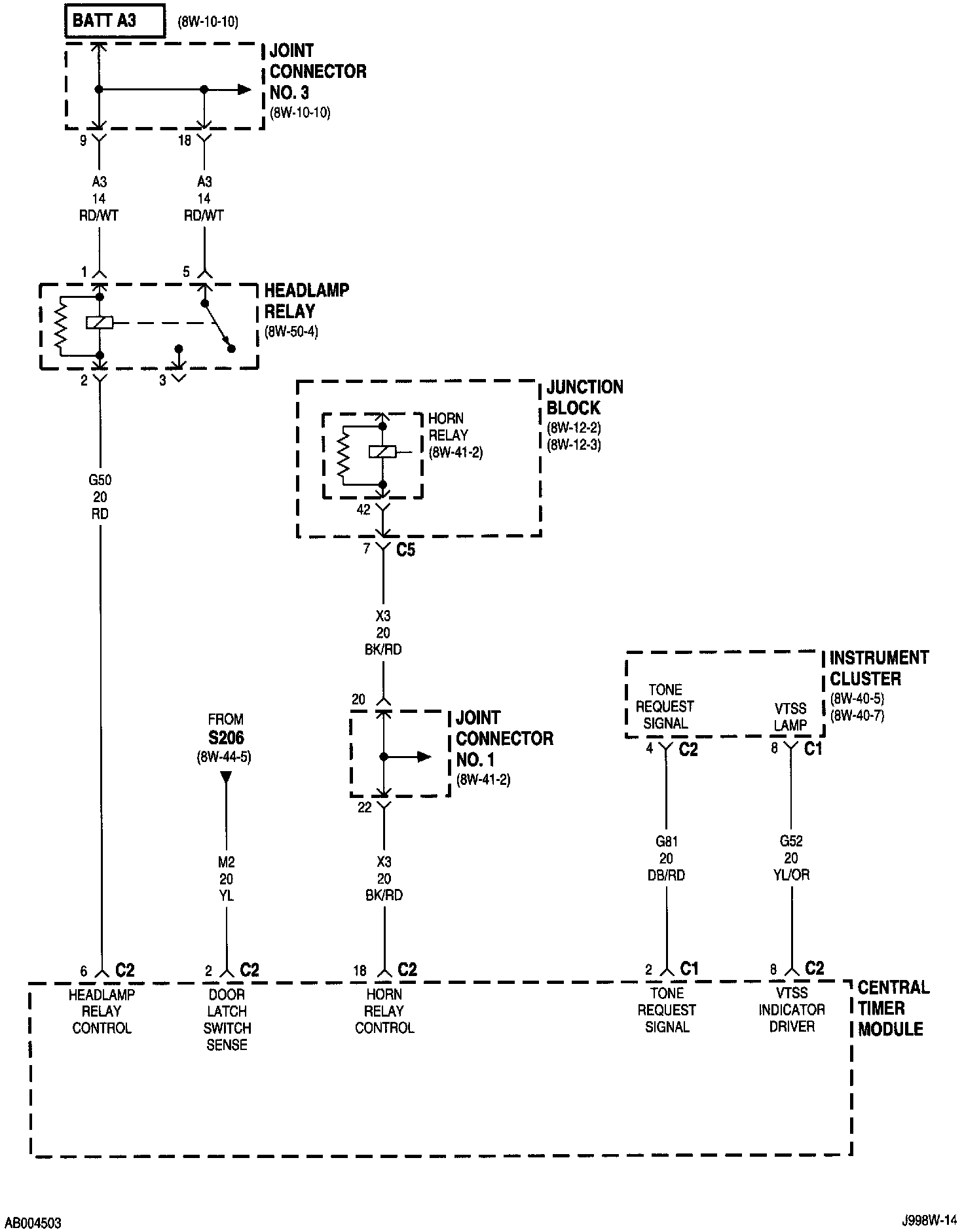
Junction Block
8w-45-3:
Central Timer Module
Headlamp Relay
Horn Relay
Instrument Cluster
Joint Connector No. 1
Joint Connector No. 3
Junction Block
8w-45-4:
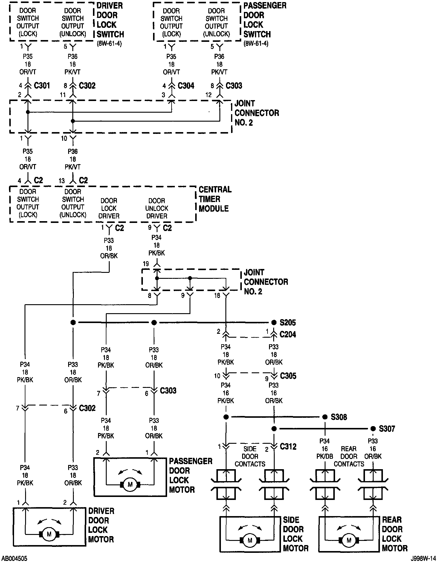
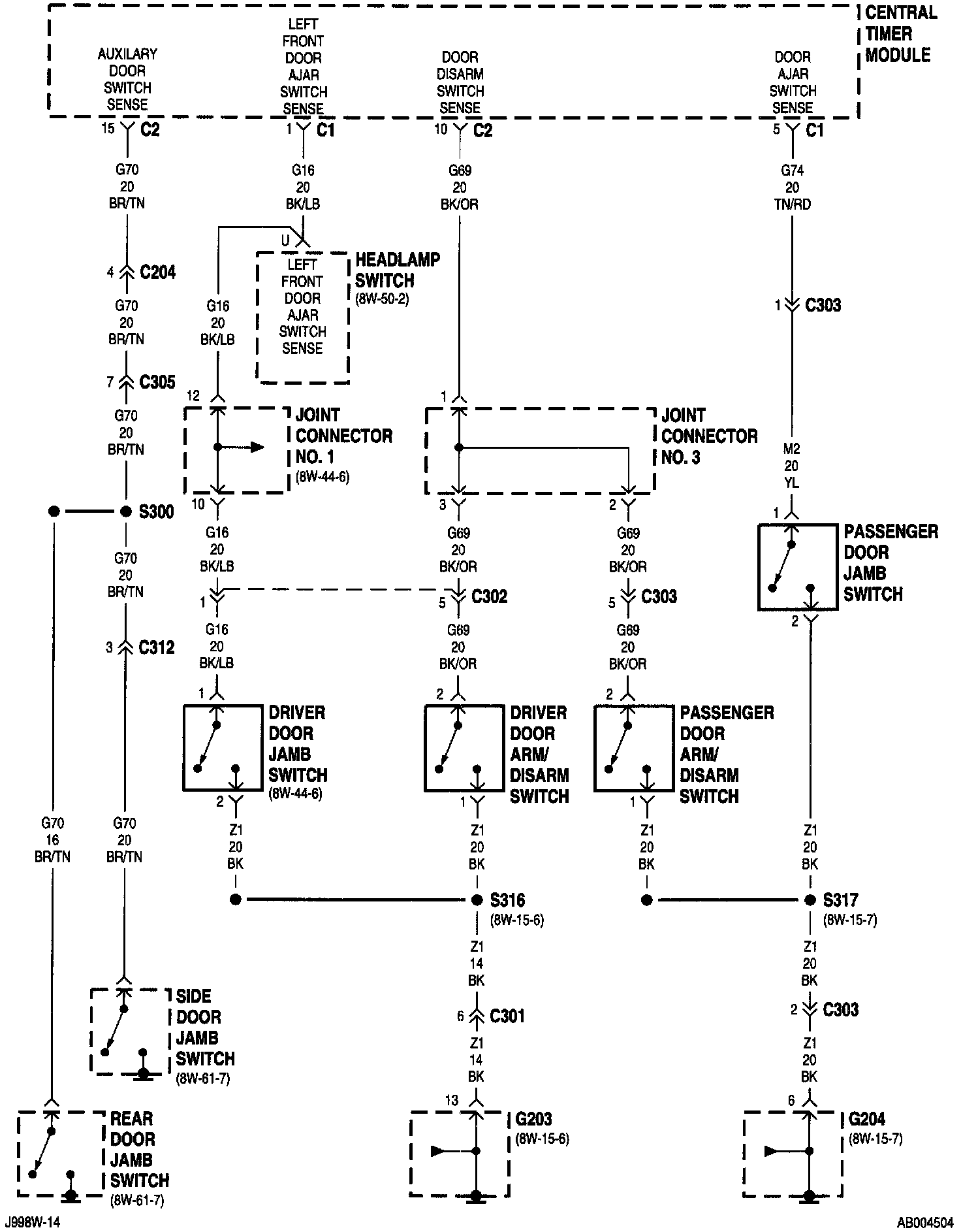
Central Timer Module
Driver Door Arm/Disarm Switch
Driver Door Jamb Switch
G 203
G 204
Headlamp Switch
Joint Connector No. 1
Joint Connector No. 3
Passenger Door Arm/Disarm Switch
Passenger Door Jamb Switch
Rear Door Jamb Switch
Side Door Jamb Switch
8w-45-5:
Central Timer Module
Driver Door Lock Motor
Driver Door Lock Switch
Joint Connector No. 2
Passenger Door Lock Motor
Passenger Door Lock Switch
Rear Door Lock Motor
Side Door Contacts
Side Door Lock Motor
8w-45-6:
Central Timer Module
Headlamp Switch
Intermittent Wiper Motor
Joint Connector No. 2
Joint Connector No. 3
Key-In Switch
Windshield Washer Pump
Wipe/Wash Switch
Wiper Relay
NOTE: To view sheets referred to in these diagrams, see Complete Body and Chassis Diagrams.
Diagrams By Group Number