Operation CHARM: Car repair manuals for everyone.
Manuals through 2025 now available!

Our trusted friends have launched a new website named LEMON, which has newer manuals. It also contains all the CHARM manuals.

LEMON is the spiritual successor to CHARM, I recommend you try it!

Link: lemon-manuals.la or lemon-manuals.org.ua

(Some people have issue connecting. LEMON is investigating. For now, use Firefox or change your DNS server)

Or, hide this message: temporarily or permanently

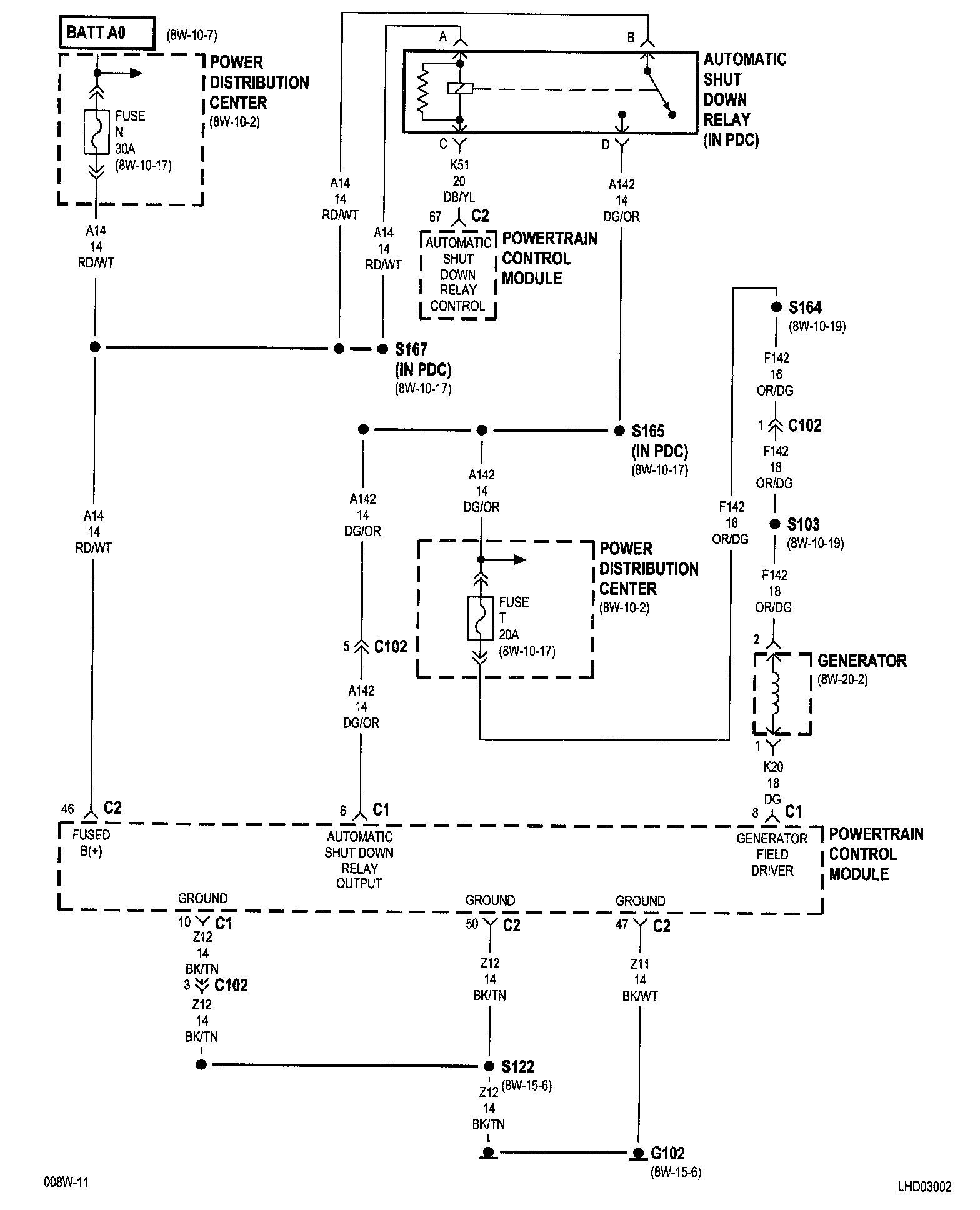
System Diagram

8W-30-2:




Automatic Shut Down Relay
Fuse N (PDC)
Fuse T (PDC)
G102
Generator
Power Distribution Center
Powertrain Control Module


8W-30-3:




Automatic Shut Down Relay
Fuel Injector No.1
Fuel Injector No.2
Fuel Injector No.3
Fuel Injector No.4
Fuel Injector No.5
Fuel Injector No.6
Fuse S (PDC)
Power Distribution Center
Powertrain Control Module


8W-30-4:




Automatic Shut Down Relay
Capacitor No.1
Capacitor No.2
Coil On Plug No.1
Coil On Plug No.2
Coil On Plug No.3
Coil On Plug No.4
Coil On Plug No.5
Coil On Plug No.6
Fuse S (PDC)
Power Distribution Center
Powertrain Control Module


8W-30-7:




Camshaft Position Sensor
Crankshaft Position Sensor
Knock Sensor
Powertrain Control Module


8W-30-8:




Body Control Module
Fuel Pump Module
Fuel Pump Relay
Fuse 13 (JB)
Fuse G (PDC)
G301
G303
Junction Block
Power Distribution Center
Powertrain Control Module


8W-30-9:




Clockspring No.1
Engine Coolant Temperature Sensor
Knock Sensor
Power Steering Pressure Switch
Powertrain Control Module
Throttle Position Sensor


8W-30-10:




Automatic Shut Down Relay
Fuse T (PDC)
G103
G104
Oxygen Sensor 1/1 Right Bank Up
Oxygen Sensor 2/1 Left Bank Up
Power Distribution Center
Powertrain Control Module


8W-30-11:




Automatic Shut Down Relay
Fuse T (PDC)
G103
G104
Oxygen Sensor 1/2 Right Bank Down
Oxygen Sensor 2/2 Left Bank Down
Power Distribution Center
Powertrain Control Module


8W-30-12:




A/C Pressure Transducer
Camshaft Position Sensor
Evap/Purge Solenoid
Intake Air Temperature Sensor
Knock Sensor
Manifold Absolute Pressure Sensor
Powertrain Control Module


8W-30-14:




Brake Lamp Switch
Clockspring No.1
Engine Starter Motor Relay
Power Distribution Center
Powertrain Control Module
Transmission Control Module
Transmission Range Sensor
Vehicle Speed Control Servo
Vehicle Speed Control/Horn Switch


8W-30-15:




Brake Lamp Switch
Fuse 14 (JB)
Instrument Cluster
Junction Block
Powertrain Control Module
Shift Interlock Solenoid


8W-30-16:




A/C Compressor Clutch Relay
Fuse 21 (JB)
High Speed Radiator Fan Relay
Junction Block
Leak Detection Pump
Low Speed Radiator Fan Relay
Powertrain Control Module


8W-30-17:




Idle Air Control Motor
Powertrain Control Module


8W-30-18:




EGR Solenoid
Fuse T (PDC)
Power Distribution Center
Powertrain Control Module
Short Runner Valve Solenoid


8W-30-19:




Body Control Module
Data Link Connector
Fuse 1 (JB)
Fuse 19 (JB)
G200
G201
Junction Block
Powertrain Control Module
Transmission Control Module


NOTE: To view sheets referred to in these diagrams, see Complete Body and Chassis Diagrams.
Electrical Diagrams