Fuel Level Sensor: Service and Repair
REMOVALFig.30 Fuel Gauge Pressure Sensor:
The fuel gauge pressure sensor (sending unit or transducer) is attached to a fuel control valve. This control valve is located at the rear end of the left-side mounted fuel cylinder in front of the left-rear spring perch.
WARNING: THE FUEL SYSTEM MUST BE PURGED OF COMPRESSED NATURAL GAS (CNG) BEFORE REMOVING THE SENSOR.
1. Purge fuel system of CNG. Refer to Fuel System Purging.
Fig.23 Manual Fuel Shut-Off Valve Handle:
2. Loosen Allen head set screw at side of red colored manual fuel shut-off valve handle. Remove red colored handle.
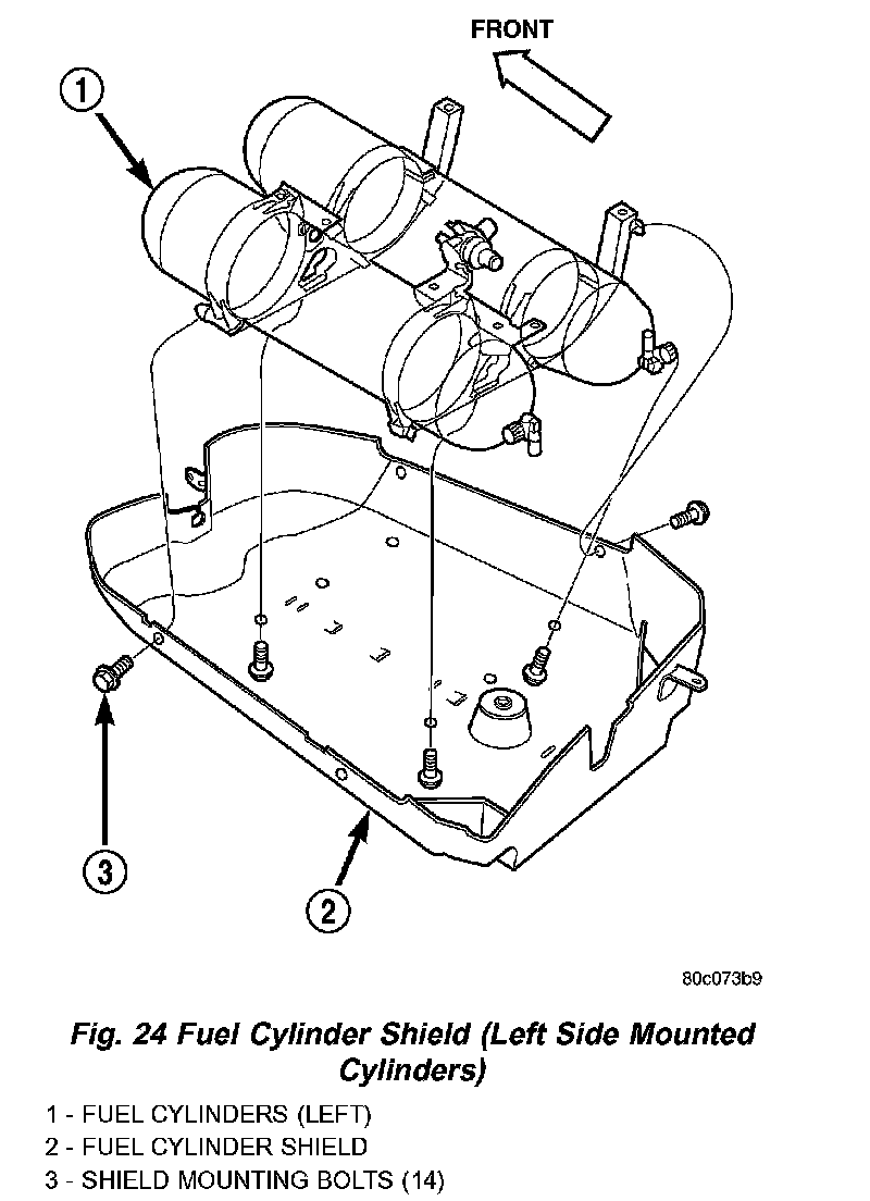
Fig.24 Fuel Cylinder Shield (Left Side Mounted Cylinders):
3. Remove fuel cylinder shield by removing 14 bolts. Twelve of the 14 bolts are Torx headed. Two are hex headed.
4. Clean area around sensor at fuel control valve.
5. Disconnect electrical connector at sensor.
6. Use an open-end wrench at bottom of sensor for removal. Do not attempt to remove sensor by grasping sensor case.
INSTALLATION
1. Apply Parker O-Lube lubricant to sensor O-ring.
2. Install sensor to fuel control valve and tighten to 27 Nm (20 ft. lbs.) torque.
3. Connect electrical connector to sensor.
4. Perform a CNG leak test. Refer to Testing For Gas Leaks.
5. Position cylinder shield and install 14 bolts. Tighten 2 smaller bolts to 11 Nm (100 in. lbs.) torque. Tighten 12 Torx headed bolts to 28 Nm (250 in. lbs.) torque.
6. Apply Mopar Neverseize Compound to end of manual shut-off valve where it contacts red colored handle.
7. Remove Allen head set screw at side of shut-off valve handle. Position handle to extension shaft. Apply blue Loctite 242 to Allen set screw and tighten set screw.