Operation CHARM: Car repair manuals for everyone.
Manuals through 2025 now available!

Our trusted friends have launched a new website named LEMON, which has newer manuals. It also contains all the CHARM manuals.

LEMON is the spiritual successor to CHARM, I recommend you try it!

Link: lemon-manuals.la or lemon-manuals.org.ua

(Some people have issue connecting. LEMON is investigating. For now, use Firefox or change your DNS server)

Or, hide this message: temporarily or permanently

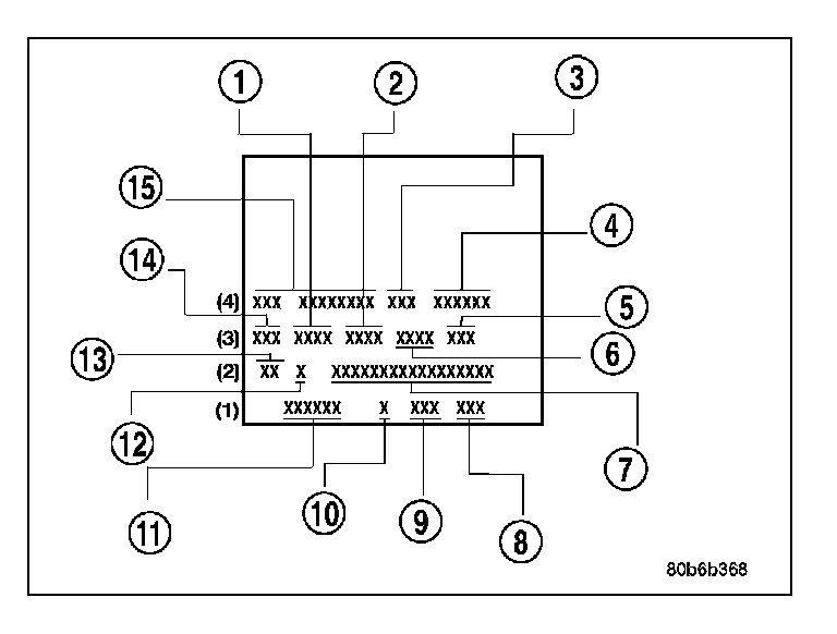
Body Code Plate




The Body Code Plate is located on the right front hydroform fender rail just behind the headlight assembly. There are seven lines of information on the body code plate. Lines 5, 6, and 7 are not used to define. Information reads from left to right, starting with line 4 in the center of the plate to line 1 at the bottom of the plate.

The last code imprinted on a vehicle code plate will be followed by the imprinted word END. When two vehicle code plates are required, the last available spaces on the first plate will be imprinted with the letters CTD (for continued).

When a second vehicle code plate is necessary, the first four spaces on each row will not be used because of the plate overlap.

BODY CODE PLATE - LINE 4





DIGITS 1 THROUGH 12

Vehicle Order Number (15)

DIGITS 13, 14, AND 15

Transmission Codes (3)
- DDP = 5-speed Manual (NV4500)
- DEC = 6-speed Manual (NV5600)
- DEE = 6-speed Manual Tremec (T-56)
- DEC = 6-speed Manual (G56)
- DEJ = 6-speed Manual (GETRAG 238)
- DG4 = 4-speed Automatic (45RFE)
- DG8 = 4-speed Automatic (48RE)
- DGQ = 4-speed Automatic (5-45RFE)

DIGITS 16, 17, AND 18

Car Line Shell (4)
- DR1 = 1500 4X2
- DR6 = 1500 4X4
- DR2 = 2500 4X2
- DR7 = 2500 4X4
- DR3 = 3500 4X2
- DR8 = 3500 4X4

DIGIT 19

Price Class (4)
- L = Low
- H = Highline

DIGITS 20 AND 21

Body Type (4)
- 41 = Ram Truck Quad Cab, Short Box
- 42 = Ram Truck Quad Cab, Long Box
- 61 = Ram Truck Standard Cab, Short Box
- 62 = Ram Truck Standard Cab, Long Box
- 64 = Ram Truck Cab Chassis

BODY CODE PLATE-LINE 3





DIGITS 1,2, AND 3

Paint Procedure (14)
- APA = Monotone
- AP9 = Special
- APD = Two-tone (Lower break)

DIGIT 4
Open Space

DIGITS 5 THROUGH 8
Primary Paint (1)

DIGIT 9
Open Space

DIGITS 10 THROUGH 13
Secondary Paint (2)

DIGIT 14
Open Space

DIGITS 15 THROUGH 18
Interior Trim Code (6)

DIGIT 19
Open Space

DIGITS 20, 21, AND 22

Engine Code (5)
- EKG = 3.7L 6 cyl. MPI Gasoline
- EVA = 4.7L 8 cyl. MPI Gasoline
- EVD = 4.7L 8 cyl. Flex Fuel
- EZA = 5.7L 8 cyl. SMPI Gasoline
- ETH = 5.9L 6 cyl. Cummins Turbo Diesel High Output
- EWC = 8.3L 19 cyl. SFI Gasoline

BODY CODE PLATE - LINE 2





DIGIT 1
Open Space

DIGITS 2 AND 3
Species Code. (Used for Manufacturing) (13)

DIGIT 4
Open Space DIGIT 5

Market Code (12)
- B = International
- C = Canada
- M = Mexico
- U = United States

DIGIT 6
Open Space

DIGITS 7 THROUGH 23
Vehicle Identification Number (VIN) (7)

BODY CODE PLATE - LINE 1




DIGITS 1 THROUGH 6
Body-in-white assembly sequence (11)

DIGIT 7
Open Space

DIGIT 8
Tailgate trim code (10)

DIGIT 9
Open Space

DIGITS 10 THROUGH 12
Cargo box code (9)

DIGIT 13
Open Space

DIGITS 14 THROUGH 16
Tailgate code (8)

DIGITS 14 THROUGH 16 Tailgate code (8)