Operation CHARM: Car repair manuals for everyone.
Manuals through 2025 now available!

Our trusted friends have launched a new website named LEMON, which has newer manuals. It also contains all the CHARM manuals.

LEMON is the spiritual successor to CHARM, I recommend you try it!

Link: lemon-manuals.la or lemon-manuals.org.ua

(Some people have issue connecting. LEMON is investigating. For now, use Firefox or change your DNS server)

Or, hide this message: temporarily or permanently

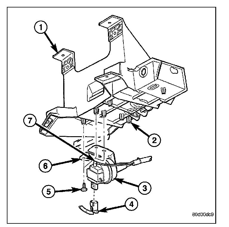
Cruise Control Servo: Service and Repair

REMOVAL




The speed control servo assembly is attached to the bottom of the battery tray (1).

1. Disconnect negative battery cable at battery (both cables at both batteries if diesel).
2. To gain access to servo, remove plastic wheel-house splash shield over left-front wheel.
3. Disconnect vacuum line (7) at servo.
4. Disconnect electrical connector (4) at servo.
5. Remove 3 servo mounting screws (5). Depending on engine application, different sets of mounting lugs (2) are used to support servo to battery tray. While removing, note proper lugs.




6. Disconnect servo cable at throttle body.
7. Remove 2 mounting nuts (1) holding servo cable sleeve to bracket.
8. Pull speed control cable sleeve and servo away from servo mounting bracket to expose cable retaining clip (3) and remove clip. NOTE: The servo mounting bracket displayed is a typical bracket and may/may not be applicable to this model vehicle.
9. Remove servo (2) from mounting bracket. While removing, note orientation of servo to bracket.

INSTALLATION
1. Position servo to mounting bracket.
2. Align hole in cable connector with hole in servo pin. Install cable-to-servo retaining clip.
3. Insert servo mounting studs through holes in servo mounting bracket.
4. Install 2 servo-to-mounting bracket nuts and tighten. Refer to torque specifications.
5. Position servo assembly to correct mounting lugs on battery tray and install 3 screws. Tighten 3 screws. Refer to torque specifications.
6. Connect vacuum line at servo.
7. Connect electrical connector at servo.
8. Connect servo cable to throttle body.
9. Install left-front wheel-well liner.
10. Connect negative battery cable to battery (connect both cables if diesel).
11. Before starting engine, operate accelerator pedal to check for any binding.