Operation CHARM: Car repair manuals for everyone.
Manuals through 2025 now available!

Our trusted friends have launched a new website named LEMON, which has newer manuals. It also contains all the CHARM manuals.

LEMON is the spiritual successor to CHARM, I recommend you try it!

Link: lemon-manuals.la or lemon-manuals.org.ua

(Some people have issue connecting. LEMON is investigating. For now, use Firefox or change your DNS server)

Or, hide this message: temporarily or permanently

Compressor HVAC: Service and Repair

COMPRESSOR-A/C

REMOVAL

WARNING: REFER TO THE APPLICABLE WARNINGS AND CAUTIONS FOR THIS SYSTEM BEFORE PERFORMING THE FOLLOWING OPERATION. FAILURE TO FOLLOW THE WARNINGS AND CAUTIONS COULD RESULT IN POSSIBLE PERSONAL INJURY OR DEATH.

NOTE: The A/C compressor may be removed and repositioned without disconnecting the refrigerant lines or discharging the refrigerant system. Discharging is not necessary if servicing the compressor clutch, clutch coil, engine, engine cylinder head or the generator.




1. Recover the refrigerant from the refrigerant system.
2. Disconnect and isolate the negative battery cable.
3. Remove the accessory drive belt.
4. Disconnect the wire harness connector from the A/C compressor clutch coil.
5. Remove the nuts (1) that secure the A/C suction line (2) and A/C discharge line (3) to the A/C compressor (4).
6. Disconnect the A/C suction and discharge lines from the A/C compressor and remove and discard the O-ring seals and gaskets.
7. Install plugs in, or tape over the opened refrigerant line fittings and compressor ports.
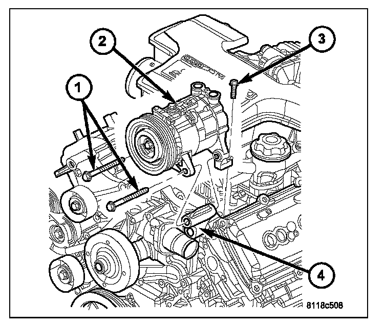
8. If equipped with the 3.7L or 4.7L engine, remove the bolts (1, 2 and 3) that secure the A/C compressor (4) to the mounting bracket (6).




9. Remove the A/C compressor from the engine compartment.




10. If equipped with the 5.7L Hemi engine, remove the nuts and bolts that secure the generator and A/C compressor support bracket and remove the bracket from the engine.
11. Remove the bolts (1 and 3) that secure the A/C compressor (2) to the mounting bracket (4).
12. Remove the A/C compressor from the engine compartment.

INSTALLATION

NOTE: Be certain to check the refrigerant oil level if the A/C compressor is being replaced. See Refrigerant Oil Level for the procedures. Use only refrigerant oil of the type recommended for the A/C compressor in the vehicle.




1. Position the A/C compressor (4) onto the mounting bracket (6) in the engine compartment.
2. On the 3.7L and 4.7L engines, install and tighten the bolts in the following sequence:
- Install bolt (3) and hand tighten.
- Install bolt (2) and hand tighten.
- Install bolt (1) and hand tighten.
- Tightened bolt (3) to 40 N.m (30 ft. lbs.).
- Tightened bolt (2) to 55 N.m (41 ft. lbs.).
- Tightened bolt (1) to 55 N.m (41 ft. lbs.).




3. For the 5.7L Hemi engine, install and tighten the bolts in the following sequence:
- Install bolts (1) and hand tighten.
- Install bolt (3) and hand tighten.
- Tightened bolts (1) to 40 N.m (30 ft. lbs.).
- Tightened bolt (3) to 55 N.m (41 ft. lbs.).

4. For the 5.7L Hemi engine, install the generator and A/C compressor support bracket and retaining nuts and bolts. Tighten the nuts and bolts securely.




5. Remove the tape or plugs from the opened suction line fitting (2) and the discharge line fitting (3) and the compressor ports (4).
6. Lubricate new rubber O-ring seals with clean refrigerant oil and install them and new gaskets onto the suction and the discharge line fittings. Use only the specified O-rings as they are made of a special material for the R-134a system. Use only refrigerant oil of the type recommended for the A/C compressor in the vehicle.
7. Install the A/C suction and discharge lines onto the A/C compressor.
8. Install the nuts (1) that secure the suction and discharge lines to the A/C compressor. Tighten the nuts to 23 N.m (17 ft. lbs.).
9. Connect the wire harness connector to the A/C compressor clutch coil.
10. Install the accessory drive belt.
11. Reconnect the negative battery cable.
12. Evacuate the refrigerant system.
13. Charge the refrigerant system.