Operation CHARM: Car repair manuals for everyone.
Manuals through 2025 now available!

Our trusted friends have launched a new website named LEMON, which has newer manuals. It also contains all the CHARM manuals.

LEMON is the spiritual successor to CHARM, I recommend you try it!

Link: lemon-manuals.la or lemon-manuals.org.ua

(Some people have issue connecting. LEMON is investigating. For now, use Firefox or change your DNS server)

Or, hide this message: temporarily or permanently

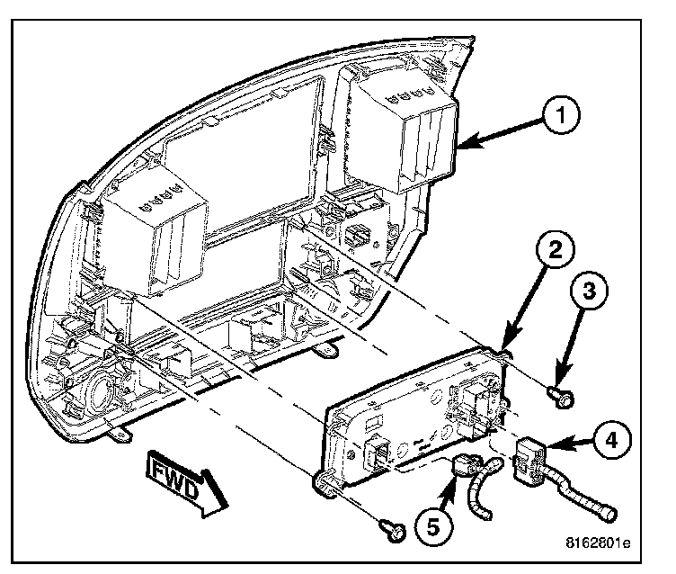
A/C Heater Control

NOTE: Single zone A/C-heater control shown. Dual zone similar.

REMOVAL

WARNING: ON VEHICLES EQUIPPED WITH AIRBAGS, DISABLE THE AIRBAG SYSTEM BEFORE ATTEMPTING ANY STEERING WHEEL, STEERING COLUMN, OR INSTRUMENT PANEL COMPONENT DIAGNOSIS OR SERVICE. DISCONNECT AND ISOLATE THE BATTERY NEGATIVE (GROUND) CABLE, THEN WAIT TWO MINUTES FOR THE AIRBAG SYSTEM CAPACITOR TO DISCHARGE BEFORE PERFORMING FURTHER DIAGNOSIS OR SERVICE. THIS IS THE ONLY SURE WAY TO DISABLE THE AIRBAG SYSTEM. FAILURE TO TAKE THE PROPER PRECAUTIONS COULD RESULT IN AN ACCIDENTAL AIRBAG DEPLOYMENT AND POSSIBLE PERSONAL INJURY OR DEATH.




1. Disconnect and isolate the negative battery cable.
2. Remove the center bezel (1) from the instrument panel and disconnect the wire harness connectors (4 and 5) from the back of the A/C-heater control (2).

NOTE: Take the proper precautions to protect the front face of the center bezel from cosmetic damage.

3. Place the center bezel on a workbench and remove the four screws (3) that secure the A/Cheater control to the center bezel and remove the control.

INSTALLATION




1. Position the A/C-heater control (2) into the back of the instrument panel center bezel (1).
2. Install the four screws (3) that secure the A/C heater control to the center bezel. Tighten the screws to 2.2 N.m (20 in. lbs.).
3. Connect the wire harness connectors (4 and 5) to the back of the A/C-heater control and install the instrument panel center bezel.
4. Reconnect the negative battery cable.