Operation CHARM: Car repair manuals for everyone.
Manuals through 2025 now available!

Our trusted friends have launched a new website named LEMON, which has newer manuals. It also contains all the CHARM manuals.

LEMON is the spiritual successor to CHARM, I recommend you try it!

Link: lemon-manuals.la or lemon-manuals.org.ua

(Some people have issue connecting. LEMON is investigating. For now, use Firefox or change your DNS server)

Or, hide this message: temporarily or permanently

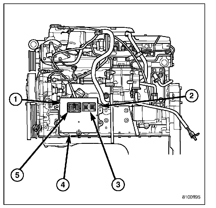
Control Module: Description and Operation




The Transmission Control Module (TCM) (2) may be sub-module within the Powertrain Control Module (PCM) (3).




Or, for vehicles with a diesel engine, the Engine Control Module (ECM) (1). The PCM, and TCM when equipped, is located at the right rear of the engine compartment, near the right inner fender.

The Transmission Control Module (TCM) controls all electronic operations of the transmission. The TCM receives information regarding vehicle operation from both direct and indirect inputs, and selects the operational mode of the transmission. Direct inputs are hard wired to, and used specifically by the TCM. Indirect inputs are shared with the TCM via the vehicle communication bus.

Some examples of direct inputs to the TCM are:
- Battery (B+) voltage
- Ignition ON voltage
- Transmission Control Relay (Switched B+)
- Throttle Position Sensor
- Crankshaft Position Sensor
- Transmission Range Sensor
- Pressure Switches
- Transmission Temperature Sensor
- Input Shaft Speed Sensor
- Output Shaft Speed Sensor
- Line Pressure Sensor

Some examples of indirect inputs to the TCM are:
- Engine/Body Identification
- Manifold Pressure
- Target Idle
- Torque Reduction Confirmation
- Engine Coolant Temperature
- Ambient/Battery Temperature
- Scan Tool Communication

Based on the information received from these various inputs, the TCM determines the appropriate shift and shift points, depending on the present operating conditions and driver demand. This is possible through control of various direct and indirect outputs.

Some examples of TCM direct outputs are:
- Transmission Control Relay
- Solenoids
- Torque Reduction Request

Some examples of TCM indirect outputs are:
- Transmission Temperature (to PCM)
- PRNDL Position (to cluster/CCN)

In addition to monitoring inputs and controlling outputs, the TCM has other important responsibilities and functions:
- Storing and maintaining Clutch Volume Indexes (CVI)
- Storing and selecting appropriate Shift Schedules
- System self-diagnostics
- Diagnostic capabilities (with scan tool)

NOTE: If the TCM has been replaced, the Quick Learn Procedure must be performed.

BATTERY FEED
A fused, direct battery feed to the TCM is used for continuous power. This battery voltage is necessary to retain memory in the TCM. When the battery (B+) is disconnected, this memory is lost. When the battery (B+) is restored, this memory loss is detected by the TCM and a Diagnostic Trouble Code (DTC) is set.

CLUTCH VOLUME INDEXES (CVI)




An important function of the TCM is to monitor Clutch Volume Indexes (CVI). CVIs represent the volume of fluid needed to compress a clutch pack.

The TCM monitors gear ratio changes by monitoring the Input and Output Speed Sensors. The Input, or Turbine Speed Sensor sends an electrical signal to the TCM that represents input shaft rpm. The Output Speed Sensor provides the TCM with output shaft speed information.

By comparing the two inputs, the TCM can determine transmission gear position. This is important to the CVI calculation because the TCM determines CVIs by monitoring how long it takes for a gear change to occur.

Gear ratios can be determined by using the Scan Tool and reading the Input/Output Speed Sensor values in the Monitors display. Gear ratio can be obtained by dividing the Input Speed Sensor value by the Output Speed Sensor value.

For example, if the input shaft is rotating at 1000 rpm and the output shaft is rotating at 500 rpm, then the TCM can determine that the gear ratio is 2:1. In direct drive (3rd gear), the gear ratio changes to 1:1. The gear ratio changes as clutches are applied and released. By monitoring the length of time it takes for the gear ratio to change following a shift request, the TCM can determine the volume of fluid used to apply or release a friction element.

The volume of transmission fluid needed to apply the friction elements are continuously updated for adaptive controls. As friction material wears, the volume of fluid need to apply the element increases.

Certain mechanical problems within the input clutch assembly can cause inadequate or out-of-range element volumes. Also, defective Input/Output Speed Sensors and wiring can cause these conditions. The following charts identifies the appropriate clutch volumes and when they are monitored/updated:

42RLE:




545RFE:





SHIFT SCHEDULES
As mentioned earlier, the TCM has programming that allows it to select a variety of shift schedules. Shift schedule selection is dependent on the following:
- Shift lever position
- Throttle position
- Engine load
- Fluid temperature
- Software level

Part 1:




Part 2:




As driving conditions change, the TCM appropriately adjusts the shift schedule. Refer to the following chart to determine the appropriate operation expected, depending on driving conditions.