Operation CHARM: Car repair manuals for everyone.
Manuals through 2025 now available!

Our trusted friends have launched a new website named LEMON, which has newer manuals. It also contains all the CHARM manuals.

LEMON is the spiritual successor to CHARM, I recommend you try it!

Link: lemon-manuals.la or lemon-manuals.org.ua

(Some people have issue connecting. LEMON is investigating. For now, use Firefox or change your DNS server)

Or, hide this message: temporarily or permanently

System Schematic

Non-Memory:



Memory:



Occupant Restraint Controller - High Line:



Occupant Restraint Controller - Low Line:



Occupant Classification System:



Premium Audio System:



Base Audio System:



CD Changer:



DVD/CD Changer:



Remote Radio Controls:



Front ATC - LHD:



Rear ATC - Three Zone:



Communication:



PCM Communication - NGC:



Door Ajar System With Power Sliding Doors:



Door Ajar Without Power Sliding Doors:



Exterior Lighting:



Horn System:



Ignition Switch:



Integrated Power Module/Body Control Module Power And Grounds:



Instrument Cluster - Base:



Instrument Cluster & Message Center (Export, LHD):



Interior Lighting:



Base Manual Temperature Control System, LHD:



Dual-zone & Three-zone (Front) Manual Temperature Control System, LHD:



Three Zone Rear Manual Temperature Control System:



Front Blower Motor - RS:



Front Blower Motor - RG:



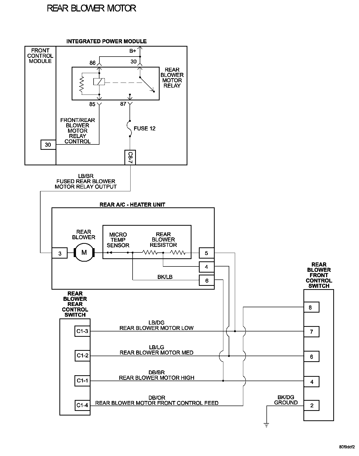
Rear Blower Motor:



Memory System:



Overhead Console:



Park Assist:



Power Door Locks/RKE:



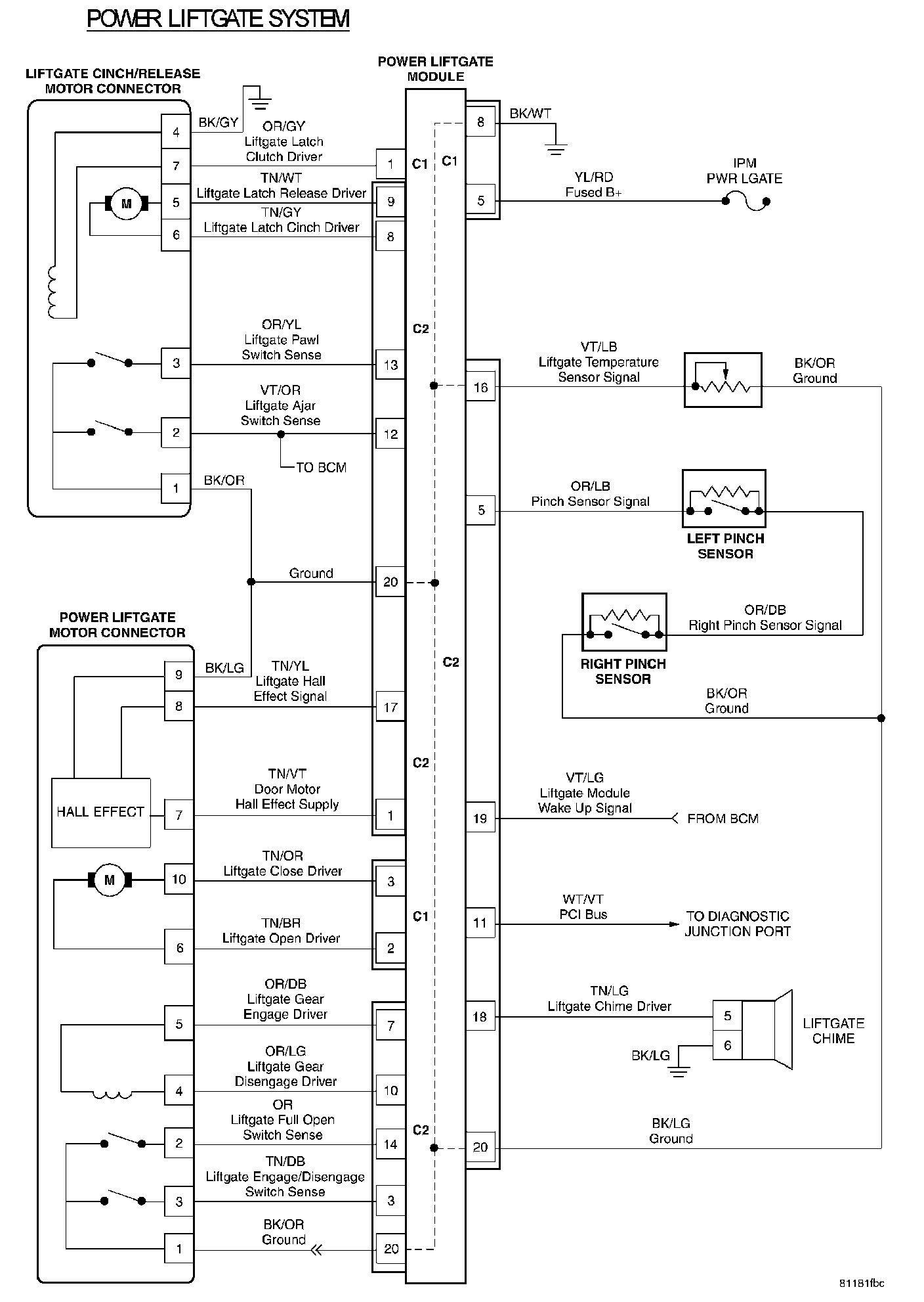
Power Liftgate System:



Left Power Sliding Door:



Right Power Sliding Door:



Power Sliding Door And Liftgate Switches:



Rear Defog/Heated Mirror:



Hands Free Phone - With CD Changer:



Hands Free Phone - With DVD/CD Changer (Part 1):



Hands Free Phone - With DVD/CD Changer (Part 2):



Hands Free Phone - With DVD/CD Changer (Part 3):



Hands Free Phone - With DVD/CD Changer (Part 4):



Vehicle Theft Security System:



Wipers - Front And Rear: