Operation CHARM: Car repair manuals for everyone.
Manuals through 2025 now available!

Our trusted friends have launched a new website named LEMON, which has newer manuals. It also contains all the CHARM manuals.

LEMON is the spiritual successor to CHARM, I recommend you try it!

Link: lemon-manuals.la or lemon-manuals.org.ua

(Some people have issue connecting. LEMON is investigating. For now, use Firefox or change your DNS server)

Or, hide this message: temporarily or permanently

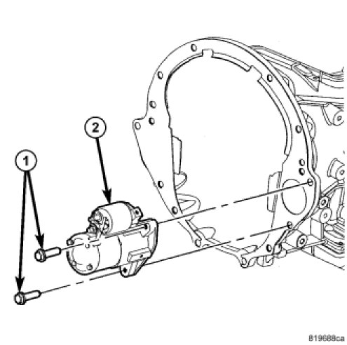
Installation






INSTALLATION - 3.7L





1. Rotate starter assembly (2) to allow positioning into transmission.

2. Install two starter mounting bolts (1) and tighten. Refer to Torque Specifications.





3. Position battery cable assembly (2) onto stud (3) while pushing solenoid connector (5) onto solenoid terminal.

4. Install nut (1) and tighten. Refer to Torque Specifications.





5. Position starter heat shield (2) and install two bolts (1).

6. Four Wheel Drive Equipped: Install front propeller shaft.

7. Lower vehicle.

8. Connect negative battery cable.