Operation CHARM: Car repair manuals for everyone.
Manuals through 2025 now available!

Our trusted friends have launched a new website named LEMON, which has newer manuals. It also contains all the CHARM manuals.

LEMON is the spiritual successor to CHARM, I recommend you try it!

Link: lemon-manuals.la or lemon-manuals.org.ua

(Some people have issue connecting. LEMON is investigating. For now, use Firefox or change your DNS server)

Or, hide this message: temporarily or permanently

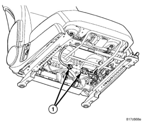
Seat - Installation







INSTALLATION





1. Before proceeding with the following repair procedure, review all warnings and cautions. Service Precautions

WARNING: The Seat Weight Sensor is a sensitive, calibrated unit and must be handled carefully. Do not drop or handle roughly. If dropped or damaged, replace with another sensor. Failure to follow these instructions may result in personal injury or death.

WARNING: The front passenger seat must be handled carefully as well. When removing the seat, be careful when setting on floor not to drop. If dropped, the sensor may be inoperative. Failure to follow these instructions may result in personal injury or death.

WARNING: When the seat is on the floor, no one should sit in the front passenger seat. This uneven force may damage the sensing ability of the seat weight sensors. If sat on and damaged, the sensor may be inoperative. Failure to follow these instructions may result in personal injury or death.

2. Position the seat into the vehicle and connect the electrical connectors (1), if equipped.




3. Install the bolts (2).
a. Adjust the seat forward.
b. Tighten the rear outboard bolt to 51 Nm (38 ft. lbs.).
c. Tighten the rear inboard bolt to 51 Nm (38 ft. lbs.).
d. Adjust the seat rearward.
e. Tighten the front outboard bolt to 51 Nm (38 ft. lbs.).
f. Tighten the front inboard bolt to 51 Nm (38 ft. lbs.).




4. Install the lower seat belt anchor (1) and install the bolt (2).
5. Tighten the bolt (2) to 32 Nm (23.5 ft. lbs.) and install the trim cover (3).
6. Do not reconnect the battery negative cable at this time. The occupant classification module system verification test procedure should be performed following service of any supplemental restraint system component.