Operation CHARM: Car repair manuals for everyone.
Manuals through 2025 now available!

Our trusted friends have launched a new website named LEMON, which has newer manuals. It also contains all the CHARM manuals.

LEMON is the spiritual successor to CHARM, I recommend you try it!

Link: lemon-manuals.la or lemon-manuals.org.ua

(Some people have issue connecting. LEMON is investigating. For now, use Firefox or change your DNS server)

Or, hide this message: temporarily or permanently

Integrated Power Module (IPM) - Installation






INSTALLATION





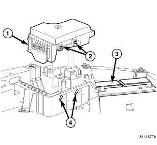
1. Connect the wiring harness connectors to the Power Distribution Center (1) and the Front Control Module (2).





2. Position the Integrated Power Module (IPM) (1) into the battery tray. Move the IPM down and rearward to engage the locking tabs (2) into the battery tray locating slots (4).





3. Install the IPM (2) pushpin fasteners (1) into the battery tray (4).





4. Position the battery positive cable (4) and install the nut (5) onto the IPM B+ terminal stud (6). Install the IPM cover.
5. Connect the battery negative cable.
6. Confirm proper vehicle operation.