Operation CHARM: Car repair manuals for everyone.
Manuals through 2025 now available!

Our trusted friends have launched a new website named LEMON, which has newer manuals. It also contains all the CHARM manuals.

LEMON is the spiritual successor to CHARM, I recommend you try it!

Link: lemon-manuals.la or lemon-manuals.org.ua

(Some people have issue connecting. LEMON is investigating. For now, use Firefox or change your DNS server)

Or, hide this message: temporarily or permanently

Battery Cable: Testing and Inspection






BATTERY CABLES

A voltage drop test will determine if there is excessive resistance in the battery cable terminal connections or the battery cables. If excessive resistance is found in the battery cable connections, the connection point should be disassembled, cleaned of all corrosion or foreign material, then reassembled. Following reassembly, check the voltage drop for the battery cable connection and the battery cable again to confirm repair.

When performing the voltage drop test, it is important to remember that the voltage drop is giving an indication of the resistance between the two points at which the voltmeter probes are attached. EXAMPLE: When testing the resistance of the battery positive cable, touch the voltmeter leads to the battery positive cable terminal clamp and to the battery positive cable eyelet terminal at the starter solenoid B(+) terminal stud. If you probe the battery positive terminal post and the battery positive cable eyelet terminal at the starter solenoid B(+) terminal stud, you are reading the combined voltage drop in the battery positive cable terminal clamp-to-terminal post connection and the battery positive cable.

TESTING

VOLTAGE DROP TEST

WARNING: If the battery shows signs of freezing, leaking, loose posts, or low electrolyte level, do not test, assist-boost, or charge. The battery may arc internally and explode. Personal injury and/or vehicle damage may result.

WARNING: Explosive hydrogen gas forms in and around the battery. Do not smoke, use flame, or create sparks near the battery. Personal injury and/or vehicle damage may result.

WARNING: The battery contains sulfuric acid, which is poisonous and caustic. Avoid contact with the skin, eyes, or clothing. In the event of contact, flush with water and call a physician immediately. Keep out of the reach of children.

WARNING: If the battery is equipped with removable cell caps, be certain that each of the cell caps is in place and tight before the battery is returned to service. Personal injury and/or vehicle damage may result from loose or missing cell caps.

The following operation will require a voltmeter accurate to 1/10 (0.10) volt. Before performing this test, be certain that the following procedures are accomplished:

- The battery is fully-charged and tested.
- Fully engage the parking brake.
- If the vehicle is equipped with an automatic transmission, place the gearshift selector lever in the Park position. If the vehicle is equipped with a manual transmission, place the gearshift selector lever in the Neutral position and block the clutch pedal in the fully depressed position.
- Verify that all lamps and accessories are turned off.
- To prevent the engine from starting, remove the proper fuse in the PDC.





1. Connect the positive lead of the voltmeter (1) to the battery negative terminal post. Connect the negative lead of the voltmeter (1) to the battery negative cable terminal clamp. Rotate and hold the ignition switch in the Start position. Observe the voltmeter. If voltage is detected, correct the poor connection between the battery negative cable terminal clamp and the battery negative terminal post.





2. Connect the positive lead of the voltmeter (1) to the battery positive terminal post. Connect the negative lead of the voltmeter to the battery positive cable terminal clamp. Rotate and hold the ignition switch in the Start position. Observe the voltmeter. If voltage is detected, correct the poor connection between the battery positive cable terminal clamp and the battery positive terminal post.





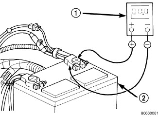
3. Connect the voltmeter (2) to measure between the battery positive cable terminal clamp (1) and the starter solenoid (3) B(+) terminal stud. Rotate and hold the ignition switch in the Start position. Observe the voltmeter. If the reading is above 0.2 volt, clean and tighten the battery positive cable eyelet terminal connection at the starter solenoid B(+) terminal stud. Repeat the test. If the reading is still above 0.2 volt, replace the faulty battery positive cable.





4. Connect the voltmeter (1) to measure between the battery (2) negative cable terminal clamp and a good clean ground (3) on the engine block. Rotate and hold the ignition switch in the Start position. Observe the voltmeter. If the reading is above 0.2 volt, clean and tighten the battery negative cable eyelet terminal connection to the engine block. Repeat the test. If the reading is still above 0.2 volt, replace the faulty battery negative cable.